План-конспект урока технологии для 7 класса «Изготовление табурета»
План-конспект урока «Изготовление табуретки»
Тема урока: Угловое серединное соединение на не сквозной шип.
Изделие: табуретка
Тип урока: комбинированный.
Цель урока: Правильное выполнение разметки и долбление не сквозного гнезда. Закрепить навыки по составлению плана работы на изделие, чтения чертежа, технологической карты. Закрепить умения и навыки разметки изделия.
Задачи урока:
Образовательные: закрепить знания по планированию работы на изготовляемое изделие.
Коррекционно-развивающие:
- корригировать мышление при помощи составления плана работы на изделие,
- корригировать мелкую моторику рук.
Воспитательные: воспитывать бережное отношение к расходованию материала.
Методы обучения: словесный, наглядный, практический.
Материалы и оборудование: образец табуретки, измерительные линейки, таблица «Техника безопасности», чертеж табуретки, технологическая карта изготовления табуретки, заготовки для изготовления деталей табуретки.
Ход урока:
Этап урока | Деятельность учителя | Деятельность учащихся |
Вводный инструктаж. | ||
1 этап Орг.момент. | Проверка готовности к уроку. | Организация рабочих мест. |
2 этап Повторение пройденного материала | Для чего нужен чертеж при изготовлении вещи? Что указывается в чертеже? Более подробным планом является технологическая карта. Из чего она состоит? Перечислите разметочный инструмент. Как называются детали табуретки, которые вы сделали? Как осуществляется техника безопасности при долблении? | Чтобы узнать какое изделие будем изготавливать и его размеры. 1. Общий вид изделия и его размеры. 2. Чертеж каждой детали с размерами. 3. Спецификация деталей, в которой указывается: -номер по порядку; -наименование детали; -количество данной детали. Технологическая карта состоит из чертежа и описания процесса изготовления изделия. — линейка — рейсмус — штангенциркуль -Чтобы выстрогать деталь под заданный размер. Заготовку размечают с помощью рейсмуса. — Рейсмус состоит из колодки, брусочков, зажима (клина). В колодке сделаны два отверстия для брусочков и одно отверстие для клина. Называют детали табуретки Вспоминают и называют технику безопасности при долблении |
3 этап Актуализация знаний, объявление новой темы | Вводное слово учителя. На предыдущих уроках вы уже делали похожие соединения деталей, но на сквозной шип. Долбить не сквозное гнездо сложнее, нужно знать глубину гнезда и постоянно ее проверять, чтобы не пробить гнездо насквозь. Сегодня на уроке мы будем изготавливать по чертежу ножку табурета. | |
4 этап Объяснение нового материала Последовательность составления плана работы. | Рассказ учителя: Спланировать работу — значит продумать, какие материалы и инструменты надо взять для выполнения задания, в какой последовательности следует изготавливать изделие. Демонстрация табуретки, ее деталей, чтение чертежа. Составление плана на изготовление изделия. | Изучают образец изготовляемого изделия. Устанавливают размеры по чертежу, чтение технологической карты на изготовление ножки табуретки. 1. Подобрать все необходимые материалы и инструменты для изготовления изделия. 2.Выполнить разметку 3. Закрепить деталь 5.Сверлить и долбить отверстия. 6.Контроль изделия. 7.Зачистка изделия. |
5 этап Закрепление нового материала. | — Какие погрешности встречаются при долблении? | Пересказывают последовательность составление плана работы на изготовление изделия. Техника безопасной работы при долблении. Пересказывают правила ТБ во время работы. |
Текущий инструктаж. | ||
6 этап Выполнение практической части. | Следит за правильностью приемов работы, выполнением требований безопасности труда. | 1. 2.Закрепляют деталь 3. Приступают к долблению. |
Заключительный инструктаж. | ||
7 этап Подведение итогов. | Анализ изготовленной детали. Комментарии, объявление оценок каждому учащемуся. | Учащиеся отчитываются за работу, выполненную на уроке, проверяя правильность изготовления изделия по критериям оценивания. |
ИЗГОТОВЛЕНИЕ ТАБУРЕТА — PDF Free Download
628240, Ханты-Мансийский автономный округ Югра, Тюменская область, Советский район, г.
Советский, улица Советская 10 а. Тел.Муниципальное бюджетное общеобразовательное учреждение средняя общеобразовательная школа 4 г. Советский 628240, Ханты-Мансийский автономный округ Югра, Тюменская область, Советский район, г. Советский,
ПодробнееАннотация к рабочей программе
Аннотация к рабочей программе Настоящая рабочая программа разработана применительно к учебной программе. С учетом уровней спецификации классов выстроена система учебных занятий, спроектированы цели и задачи,
РАБОЧАЯ ПРОГРАММА ПО ТЕХНОЛОГИИ 7 класс
РАБОЧАЯ ПРОГРАММА ПО ТЕХНОЛОГИИ 7 класс ПОЯСНИТЕЛЬНАЯ ЗАПИСКА Настоящая рабочая программа разработана применительно к учебной программе «Технология. 5 7 классы (вариант для мальчиков)».
Рабочая программа
ТЕХНОЛОГИЯ (Юноши) 7 КЛАСС
Ставропольский край Муниципальный этап всероссийской олимпиады школьников 2017/18 учебного года ТЕХНОЛОГИЯ (Юноши) 7 КЛАСС 1. Изучая технологию в школе, Вы учитесь: а) не ломать инструменты; б) аккуратно
ПодробнееТИСКИ СВОИМИ РУКАМИ ИЗ ОПЫТА РАБОТЫ
ТИСКИ СВОИМИ РУКАМИ И. Н. Грачёв, О. В. Орлов Предлагаем вниманию читателей разработку технологической карты выполнения изделия «Тиски». Не секрет, что в школьных мастерских недостаточно оснащения. Тиски
ПодробнееВыбор и обоснование проекта.
Выбор и обоснование проекта. Меня с детства привлекает твор ческая деятельность: я люблю рисовать, занимаюсь резьбой по дереву, влекаюсь у техникой и радиоэлектроникой. Живу я в селе Казанское, очень люблю
Пояснительная записка.

Пояснительная записка. Цель: Дать основные понятия и навыки по столярному делу, получить определённые профессионально-трудовые навыки. Задачи: — Воспитывать у обучающихся воспитанников сознательное отношение
ПодробнееДневник Проектной деятельности.
Дневник Проектной деятельности. Дневник оформляется в ученической тетради. Каждый раздел на отдельном листочке приложения можно оформить отдельно в папке. Эскизы, фото можно вырезать и вклеить. Министерство
ПодробнееУниверсальный столик
Творческий проект Универсальный столик Выполнил: Шмаков Андрей Евгеньевич ученик 7Б класса школа 169 2017 г. Рассказ об изделии. Моѐ изделие называется универсальный столик. Он изготовлен из доступного
Подробнееучебный год
Муниципальное бюджетное общеобразовательное учреждение «Специальная общеобразовательная школа — интернат» г.
Губахи, Пермского края Рассмотрена и согласована методическим объединением учителей трудового
ТВОРЧЕСКИЙ ПРОЕКТ «Молоток-отвёртка»
Муниципальное бюджетное общеобразовательное учреждение средняя общеобразовательная школа 57 ст. Троицкой Крымского района Краснодарского края ТВОРЧЕСКИЙ ПРОЕКТ «Молоток-отвёртка» ВЫПОЛНИЛ: учащийся 8 «Б»
Подробнее Пояснительная записка.
Пояснительная записка. Программа включает теоретические и практические занятия. При составлении программы учтены принципы повторяемости пройденного материала и постепенности ввода нового. Предусматриваются
ПодробнееПояснительная записка
Пояснительная записка Рабочая программа объединения дополнительного образования. «Техническое творчество» составлена в соответствии с Положением о дополнительном образовании МОУ Рахмановской СОШ (утверждено
ПодробнееБилет 5 Билет 6 Билет 7 Билет 8
Билет 5 1.
ДИЗАЙН-ПАПКА. Название проекта: «Шкатулка»
Государственное бюджетное общеобразовательное учреждение Самарской области средняя общеобразовательная школа имени В.Г.Солодовникова с.черноречье муниципального района Волжский Самарской области ДИЗАЙН-ПАПКА
ПодробнееРабочая программа на учебный год
Муниципальное общеобразовательное бюджетное учреждение средняя общеобразовательная школа с. Красный Яр муниципального района Уфимский район Республики Башкортостан. Рассмотрено Согласовано Утверждаю На
ПодробнееПояснительная записка. Адресат
Пояснительная записка Данная программа предназначена для обучающихся с легкой степенью умственной отсталости.
При ее составлении за основу были взяты следующие документы: 1) Адаптированная образовательная
Творческий проект «Декоративная шкатулка»
МОУ Шурскольская средняя общеобразовательная школа Творческий проект «Декоративная шкатулка» технология Выполнил: Николаевич учащийся 11 класса МОУ «Шурскольская СОШ» Ростовского района Руководитель: Иванова
Подробнее2018/2019 учебный год
УТВЕРЖДЕНО Приказ Министра образования Республики Беларусь 03.12.2018 836 Билеты для проведения экзамена в порядке экстерната при освоении содержания образовательной программы базового образования по учебному
Пояснительная записка
1 Пояснительная записка Программа составлена в соответствии с основной общеобразовательной программой МОУ Школа с.
Катравож, учебным планом и на основе программы специальной (коррекционной) образовательной
ПОЯСНИТЕЛЬНАЯ ЗАПИСКА
ПОЯСНИТЕЛЬНАЯ ЗАПИСКА к экзаменационным материалам по трудовому обучению («столярное дело») для итоговой аттестации выпускников IX классов в 2018-2019 учебном году. Пакет экзаменационных материалов ГКОУ
РАБОЧАЯ ПРОГРАММА КРУЖКА «МАСТЕРОК»
Главное управление образования и молодежной политики Алтайского края Краевое государственное бюджетное образовательное учреждение для обучающихся, воспитанников с ограниченными возможностями здоровья «Ключевская
ПодробнееОсновы обработки древесины
Короткова О.В. Лицей 8 «Олимпия, Волгоград Таблично-графическая схема рабочей программы курса «Изготовление поделок и сувениров», п/ п Название раздела программы.
2. Укажите достоинства станков с ЧПУ.
Всероссийская олимпиада школьников по технологии Муниципальный этап 2016 год 9 класс Номинация «Техника и техническое творчество» Тестовые задания для участников олимпиады Каждый правильный и полный ответ
ПодробнееТабуретка своими руками: инструкция по сборке
Табурет до сих пор не теряет своей актуальности. Этот предмет мебели, может быть, уже и вытеснен из домов с достатком, но в миллионах малогабаритных кухонь он остается незаменимым, благодаря своей компактности, предметом. Табуретами можно восполнить нехватку мебели для сидения при большом скоплении гостей. Конструкция проста, а многие делали ее еще на школьных уроках труда.
Чертеж табуретки.
Тем, кто интересуется, как сделать табуретку своими руками, необходимо напомнить, что для работы понадобится:
- карандаш;
- электролобзик;
- линейка;
- угольник;
- дрель-шуруповерт;
- ключ-шестигранник;
- лист картона или бумаги для шаблона.

Простой табурет из ЛДСП или фанеры
Характеристики фанеры.
Чтобы сразу не ставить перед домашними умельцами сложные задачи, нужно начать с описания изготовления самой простой модели. Табуретка собирается из 16-миллиметровой ламинированной ЛДСП или фанеры такой же толщины. Она состоит всего из 4-х деталей:
- 2-х фигурно вырезанных боковин, служащих ножками;
- перемычки между ними;
- сиденья.
При сборке конструкции потребуется только 8 конфирматов 6,3 х 50.
С помощью лекала получится лучше выдержать симметричность обеих боковин. Инструкция о том, как сделать табуретку, проста:
Устройство табуретки.
- На ЛДСП делается разметка.
- По шаблону наносятся линии боковин.
- Плита распиливается на заготовки.
- Кромки деталей закрываются меламиновой лентой, нагретой утюгом.
- В ножках просверливаются и зенкуются отверстия под конфирматы. Диаметр отверстий – 4,5-5 мм.

- Высверливаются 4 глухих отверстия в перемычке.
- 3 детали собираются вместе.
- Вырезается плита сиденья. Ее углы следует закруглить. Кроме того, стороны сиденья можно сделать дугообразными.
- Торцы оклеиваются кромкой.
- После разметки в ЛДСП просверливаются отверстия.
- Сиденье укладывается на стойки и стягивается с ними.
- Устанавливаются пластиковые заглушки.
Табурет практически готов. Его можно облагородить, приклеив к сиденью пенополиуретан и обтянув его дерматином или плотной тканью. Обивка фиксируется с тыльной стороны крышки скобами типа 53. Дополнительно скобы пробиваются молотком.
Вместо евровинтов для стягивания конструкции можно использовать длинные саморезы, но соединение ножек и перемычки следует усилить деревянными шкантами. Для них высверливаются по 2 отверстия в боковинах и 4 глухих отверстия торцах перекладины. Шканты сажаются на клей.
Изготовление табурета из фанеры
Легкий и прочный табурет получится, если сделать его из фанеры толщиной 16-20 мм.
Можно собрать его из ЛДСП, но со временем конструкция из древесно-стружечной плиты может расшататься. Следует сказать, что для саморезов необходимо подготовить отверстия меньшего диаметра.
Чтобы все ножки получились одинаковыми, необходимо создать шаблон.
Схема крепления ножки к сиденью.
Вначале на картоне чертится прямоугольник. После этого в его пределах наносятся контуры опоры. По лекалу вырезаются 4 ножки. Все поверхности обрабатываются антисептиком. На плоскости сопряжения ножек наносится столярный клей. Опоры стягиваются крепежом.
Сиденье можно сделать круглым или квадратным с закругленными углами. Диаметр круга или сторона квадрата должны быть равными расстоянию между внешними краями противоположных ножек табурета. Круг вырезается по заранее нанесенной линии. Она прочерчивается своеобразным циркулем из карандаша, связанного шнурком с гвоздем. Длина натянутого шнура составляет радиус сиденья.
После ошкуривания, обработки антисептиком и нанесения клея на контактные поверхности крышка прикручивается саморезами к ножкам.
Табурет можно покрыть 2-мя слоями лака или краской.
Табурет с крестообразными ножками
Схема боковой детали фигурной табуретки.
Для изготовления табурета с крестообразными ножками понадобятся:
- бруски 60 х 60 мм;
- планки 60 х 30 мм;
- 12-миллиметровая фанера;
- 1-сантиметровый поролон;
- обивочный материал;
- декоративные гвоздики;
- скобы типа 53.
Ножками служат 2 крестовины. Длина каждого бруска составляет 48 см. В их центрах делается пропил глубиной 3 и шириной 6 см. Оструганные бруски собираются в 2 прямоугольные крестовины. Торцы ножек отпиливаются под углом 45 градусов. Бруски соединяются друг с другом с помощью клея. Длина перемычки между крестовинами зависит от ширины табурета, которую вы хотите сделать. Перекладина стягивается с опорами саморезами (по 2 с каждой стороны).
Сверху на крестовины накладываются рейки 60 х 30 и стягиваются с первыми крепежом. Обработайте древесину антисептиком, морилкой, лаком или краской (наносите новые слои покрытия только после высыхания предыдущих).
Пока основание табурета сохнет, сделайте сиденье:
- На фанеру наклейте поролон.
- Вырежьте материал необходимого размера.
- Обтяните им сиденье.
- Закрепите материал на нижней части крышки скобами.
- Обейте кромки сиденья декоративными гвоздиками.
После этого сиденье крепится к ножкам. Крепеж вставляется в высверленные в планках отверстия. Обивку можно производить и иначе. После стягивания плиты с основанием приклеивается поролон, и на него накладывается ткань. Она подворачивается по периметру сиденья и обивается гвоздиками.
Изготовление фанерных стульев
Схема чехла для табурета.
Тем, кого не устраивает мебель без спинки, можно попробовать создать такую конструкцию. Ее форма может быть несколько иной. Детали стула вырезаются из листа 20-миллиметровой фанеры. При его изготовлении нужно придерживаться приведенных ниже размеров:
- Сиденье должно находиться от пола на расстоянии от 42 до 45 см.

- Спинка отдалена от поверхности сиденья на 20 см.
- Сиденье устанавливается не вертикально, а с 5-градусным уклоном в сторону спинки.
- Спинка отклоняется от вертикали назад на 10 градусов.
- Верх задних ножек не должен выходить за вертикальную плоскость, на которой расположен их низ.
Стул значительно укрепит царга, которая соединит под сиденьем 2 боковины.
Чтобы сделать боковины, опять необходимо прибегать к использованию шаблона. В качестве альтернативного варианта можно рассмотреть вырезание стоек из двойной плиты фанеры, но необходимо проследить, чтобы пилка лобзика была расположена строго вертикально, а обе панели были надежно скреплены друг с другом, к примеру, струбцинами. Поверхности выпиленных заготовок ошкуриваются. Вырезается сиденье, спинка и царга. После обработки наждачной бумагой они пропитываются антисептическим составом. Им же обрабатываются и боковины. В качестве пропитки можно использовать олифу.
На деталях делается разметка для отверстий под крепеж.
В 20-миллиметровую фанеру можно ввинчивать конфирматы с сечением 7 мм. Сперва собираются боковины и царга между ними. Она располагается по центру (можно установить и 2 перекладины). Детали стягиваются крепежом. Потом кладется сиденье и прикручивается конфирматами. Напоследок устанавливается спинка. После ее крепления на ошкуренные поверхности наносится лак или другое покрытие. Следует сказать, что шпон нуждается в тщательной многократной обработке наждачной бумагой, так как при обработке лаком незаметные ранее ворсинки могут встопорщиться, а это ухудшит внешний вид стула.
Работа завершается установкой декоративных пластиковых заглушек.
Чертеж табуретки для урока труда
Изготовление табурета своими руками в домашних условиях
Табурет — это один из самых простейших видов мебельных изделий. Какие бы изменения ни претерпел наш быт, он остается неизменным. Меняются только материалы, из которых он сделан.
В советское время сделать табурет своими руками было одним из первых заданий на уроках труда. Столярное дело знали не только мальчишки. Иногда и представительницам прекрасного пола приходилось постигать азы взрослой жизни и учиться, как сделать табуретку своими руками. Современная мебель мало походит на своих собратьев 50-летней давности. Табуретки из дерева того времени были грубоватые, но прочные. Они прекрасно вписывались в интерьер кухни, как, впрочем, и других помещений. Сейчас в магазинах богатый ассортимент различных видов мебели, но есть и любители, которые хотят узнать, как сделать табурет своими руками. А уж в наше время изобилия строительных материалов, это будет совсем нетрудно.
Основными деталями табурета являются сиденье и ножки. Ножки связываются вверху царгами, а внизу — проножками. Освоившись с терминами, можно заняться чертежами. Во-первых, нужно определиться с размерами. При изготовлении табуретки лучше отталкиваться от старых, но надежных моделей, которые найдутся в каждом доме.
Измерив высоту и другие параметры, можно приступить к разработке схемы. Если же у вас нет образца, то для взрослого табурета размер стороны сиденья составит 300-450мм, детского — 250-280мм. Самодельные табуретки должны быть даже удобнее покупных. Хотя бы потому, что вы сможете подобрать высоту по себе. Обычно размер для взрослого делают 420-480мм, детского — 260-280мм. Чертежи табуреток нужно обязательно иметь при себе, будь то схема из интернета или составленная вами. Ведь на бумаге устранить недочеты куда проще, чем переделывать всю работу.
Материалы и инструменты
Изготовление табурета потребует качественных материалов, которые прошли проверку временем. На первом месте, конечно, древесина. Деревянные табуреты стоят на первом месте по удобству и на втором после кованых — по долговечности. Дерево должно быть просушено в комнатных условиях при 20-30 градусах, дерево камерной сушки брать не стоит, так как не исключена возможность растрескивания. После воздушной сушки материал нужно досушить дома при комнатной температуре около месяца.
Лучше всего брать древесину твердых пород: клен, березу, бук, венге, хемлок, махагони. Или же изготовить из них ножки, которые несут основную нагрузку, а сиденье из сосны, ели, МДФ, ДСП или фанеры.
ДСП — один из самых дешевых, но ненадежных материалов. У него есть плюсы, как, например, влагостойкость. Но при изготовлении табуретки гораздо важнее прочность, а она у ДСП недостаточная, к тому же она слишком хрупкая для мебели, хотя есть пара вариантов, при которых давление на ДСП можно снизить. Но вот постоянное выделение формальдегидных смол, которые делают этот материал небезопасным, к сожалению, полностью ликвидировать нельзя. МДФ — экологичный материал, достаточно прочный. Однако, при изготовлении мебели для кухни своими руками, лучше его использовать в сочетании с деревом твердых пород, особенно в опорах, то есть по сути его берут только на сиденье, или крышку, как его называют в некоторых источниках.
Хорошей заменой дереву является фанера, но тогда придется немного «поколдовать» с конструкцией. Из фанеры табуретки для кухни получаются из 3 деталей, или из 4-х, так называемые коробчатые.Подобный дизайн сейчас очень распространен, особенно в мебельной промышленности. Хотя он отлично подойдет и при изготовлении табурета своими руками.
Инструменты подбираются в зависимости от материалов. Чтобы сделать деревянные табуреты, нам понадобятся:
- рулетка
- саморезы
- шуруповерт
- угольник
- электролобзик
- стамеска
- наждак
- клей столярный
Как самому сделать классическую табуретку
Для того, чтобы сделать табурет из дерева своими руками, нам потребуется материал (доски, бруски) и инструменты. Если нет электролобзика и нет возможности его приобрести, то делаем так: покупаем недорогую рамочную ножовку по металлу и направляем ее при работе зубьями к себе. Итак, схема готова, материалы закуплены, а при необходимости, просушены, инструменты подготовлены — можно начинать.
Можно перед началом работы сделать из бумаги так называемые «лекала», то есть вырезанные из бумаги детали будущего табурета в натуральную величину. Можно этого и не делать, кому как удобнее.
Начинаем с ножек, они у нас будут с квадратным сечением 50х50мм. Отпилим от бруска 4 одинаковые детали длиной, предположим, 450мм. Затем из цельного куска или из двух половинок собрать сиденье, у нас — 380х380, толщина доски — 20 мм. Далее вырезаем 4 царги для соединения ножек табуретки и 4 проножки. Еще нам понадобятся четыре бруска для дополнительного соединения царг и сиденья. Собирается конструкция по принципу: шип-паз, шипы вырезаются по краям царг, а пазы на ножках будущего табурета. Длина шипа и глубина паза составляет примерно 20-25мм. То же самое делаем и с проножками, которые будут впоследствии крепиться к ножкам. Можно заранее пометить детали для ясности.
Вам будет интересно: Как изготовить мебель из дуба ручной работыОбрабатываем наждаком до того, как детали будут собраны, это и удобно, и безопасно.
Все детали собираем в начале без клея, подгоняя и, если нужно, подпиливая их. Затем промазываем детали поочередно клеем и собираем их. Бруски между царгами крепим саморезами к нижней части сиденья «впритирку». Для этого заранее позаботимся о длине крепежа. Несколько слов хочется сказать о клее, которым будем промазывать пазы.
Клей лучше брать специальный, столярный. Этот клей отлично зарекомендовал себя в течение многих лет. Если его нет, то можно взять ПВА, но не канцелярский для бумаги, а тот, который подходит для дерева.
Другие виды
Есть табуреты, которые в изготовлении будут значительно проще, чем классический. Очень распространенным вариантом сейчас является табурет, состоящий из четырех деталей: сиденья, двух широких ножек и укрепляющей перекладины (или перемычки). Такой вариант не должен быть сложным, особенно в сборке. Для него подойдет и дерево, и толстая фанера, и ламинированная ДСП.
Крепят такую конструкцию мебельными саморезами и клеем для дополнительной фиксации. Этот вариант очень прост, но есть одна тонкость: укрепляющая перекладина должна иметь форму трапеции со скосом 5мм. Это нужно для того, чтобы конструкция была более устойчивой.
Можно попробовать свои силы, изготовив облегченный табурет. В этом варианте отсутствуют царги и ножки крепятся непосредственно в пазы сиденья. Для этого крышку сиденья делают из толстого материала. Пазы выполняют непосредственно в сиденье или крепят к нему бруски. В этом случае ножки делают толще, чем обычно. Конечно, времени на такой табурет уйдет значительно меньше, чем на обычный.
Еще одна разновидность табурета — сиденье и две ножки, расположенные крест-накрест, под углом 90 градусов. В этом варианте нет никаких дополнительных деталей, где сама конструкция состоит из 4-х деталей. В этом случае мы можем снова использовать и дерево, и фанеру, и прессованные плиты. Если останавливаемся на деревянной модели, то последний штрих делаем уже после окончательной сборки.
Тщательно шлифуем табурет еще раз, а затем уже обрабатываем по своему желанию морилкой, лаком или краской.
Оформляем свой табурет
Свой табурет можно оформить в зависимости от предметов интерьера, где он будет находиться. Можно нанести по поверхности сиденья рисунок аэрозольной краской с помощью трафарета. Затем покрыть поверхность лаком. Или сделать смелый дизайнерский ход и оформить ретро-табурет с помощью декупажа. Это трудоемко, но эффектно, к тому же можно подключить к этому интересному делу всю семью. Для этого нам понадобятся клей ПВА канцелярский, красивые салфетки и лак, лучше акриловый. Результат расскажет не только о вашей аккуратности, но и выявит ваш вкус. В конце концов, можно украсить только сиденье, настелив тонкий поролон для мягкости. Затем задекорировать его красивой тканью и украсить фурнитурой по вкусу. Как говорится, все в ваших руках!
1pomebeli.
ru
Табурет своими руками: способы изготовления и инструкция по созданию простых и стильных моделей (90 фото-идей)
Табурет – незаменимый предмет мебели. Его используют и в городских квартирах, и дачных домиках. Модели, представленные в мебельных магазинах далеко не всегда соответствуют требованиям покупателей. Одних не устраивает цена, других – внешний вид и технические характеристики.
Столкнувшись с подобной проблемой, лучшим решением станет изготовление табурета в домашних условиях. Сложного в этом практически ничего нет.
Конструкция
Табурет имеет простейшую конструкцию. Для его создания подойдут даже древесные отходы, бруски, фанера и пр. Стандартная и простейшая модель состоит из нескольких деталей, качественно подогнанных и надёжно соединенных.
Еще больше фото, а также пошаговая инструкция от мастера есть на этом сайте https://masterinterera.ru/mebel
Конструктивные элементы, зачастую, одинаковы. Чтобы сделать табурет из дерева, потребуется:
- Крышка.
Она имеет круглую или квадратную форму. - Шканты. С их помощью детали надежно фиксируются.
- Деревянные ножки.
- Дополнительно в конструкции присутствуют такие детали как «сухари», проножки и царги.
Домашним мастерам подобные названия вряд ли о чем-то говорят. Поэтому рассмотрим их детально. Все они отвечают за соединение табурета и придание ему максимальной прочности.
Царги – это дощечки или бруски, которые находятся под сиденьем. Они соединяют ножки табурета (чаще всего используется шиповое соединение) и формируют надежную опору.
«Сухари» – деревянные или металлические детали в форме уголков, которые монтируются под сиденьем на внутренних углах.
Проножки находятся по центру ножек или в нижней их части. Они соединяют их, повышают прочность и надежность всей конструкции.
Описанные детали не являются обязательными при создании табурета. Но забывать о них не рекомендуется. Они сделают изделие более надежным и безопасным.![]()
Как сделать простейший прямоугольный табурет?
Разобравшись с конструкцией, пора приступать к непосредственному изготовлению. Рассмотрим несколько примеров. Наиболее простым считается прямоугольная модель. Хорошо подходит для маленьких комнат.
Технические характеристики данной конструкции:
Высота готового изделия – от 44 до 50 сантиметров;
- Сечение ножек: 3,5 x 3,5 или 5 x 5 сантиметров;
- Царги – 29 x 6 x 2 сантиметров;
- Распорки – 29 x 2 x 2 сантиметров;
- «Сухари» – 6 x 6 x 2 сантиметров.
Все детали необходимо подготовить заранее. Их можно сделать самостоятельно или заказать в столярной мастерской. Если хотите получить оригинальное и красивое изделие, то следует сделать фигурные или точёные ножки.
Затем идет ответственный этап. Нужно точно вымерить, в каких местах проделать отверстия для креплений. Используется метод сухой сборки. Таким образом, можно обойтись даже без клея.
Инструкция по созданию табурета с разведенными ножками
Рассмотрим пример, как сделать табурет своими руками, в котором ножки будут расходиться в разные стороны.
Ножки изготавливаем из четырех брусков. Они должны быть одинаковыми по размеру. Рекомендуется использовать пилу с угловым методом резки. Она поможет не допустить погрешностей и получить идеальные по размеру детали.
Ровно отрезаем верхушку ножек и соединяем бруски. Они должны находиться перпендикулярно по отношению к полу. Чтобы не запутаться, на внутренних углах рекомендуется делать пометки.
Из маленьких брусков делаем ножкам наружные распорки. Чтобы их надежно скрепить, проделываем отверстия по периметру. Убедитесь, что их форма соответствует шипам распорок. Во время монтажа используем столярный клей. Он повысит надежность готового изделия.
Для проножек, располагающихся по бокам, подготавливаем глухие пазы. Бруски, которые вставляются в них, надо хорошенько закрепить.
В верхнем основании размечаем отверстия и прикрепляем четыре ножки. Для этого потребуется клеевой состав и шурупы. После этого табурет нужно оставить на несколько часов, чтобы клей высох.
Делая круглый табурет своими руками можно позаботиться о дополнительном декорировании изделия. К примеру, сидение обивается поролоном и кожей (бюджетный вариант — кожзаменитель). Это сделаем его мягким и более удобным. Поролон нужно обрезать по бокам.
Желательно округлить верхние края и накрывать его обивочным материалом. Чтобы все это надежно держалось, нужно воспользоваться монтажным степлером. Скобами крепим материал к нижней части сиденья.
Также сидение можно украсить тесьмой, мехом, бахромой и т.п. Если не хватает фантазии, то посмотрите в интернете и вдохновитесь примерами фото табуретов, сделанных домашними мастерами.
Если вы не планируете обивать сидение кожей и поролоном, то качественно его зачистите наждачной бумагой, покройте морилкой и нанесите слой защитного лака. Боковые части из ДСП рекомендуется обрабатывать напильником.
Фото табуретов своими руками
youtube.com/embed/1oWRm_BC7jI?rel=0&showinfo=0″/>
Также рекомендуем просмотреть:
novinkimebeli.ru
Табурет: материалы, технология изготовления, конструкции и схемы
Содержание:
«Ящик сколотить можешь? Да? Хорошо, будешь пока делать табуретки». Это из разговора с новеньким соискателем вакансии в мелкой мебельной фирме. Действительно, сделать простейший табурет своими руками не сложнее, чем ящик. Тот может быть и сложнее, если он выдвижной в тумбочке. Поэтому заинтересовавшимся столярным мастерством осваивать его лучше, начав с табуретки. Денег много на этом не сэкономишь, табуретки недороги. Но приобретенные навыки позволят приняться за большую корпусную мебель, что даст экономию уже в разы, плюс уникальные предметы в интерьере.
Табуретка как стартовый объект в мебельном деле имеет еще одно преимущество: строгально-распиловочных работ с неизбежным мусором для нее требуется немного, можно испытать свои способности к столярке на балконе или даже в кухне.
Убедившись, что дело спорится, будем думать и о столярной мастерской с верстаком и прочим; без нее уже не сделаешь мебель посолиднее.
Устройство и кое-что о терминах
Устройство классического табурета
Классический кухонный табурет из дерева устроен, как показано на рис. Там же видно, что его конструкция для новичка сложновата, но мы к ней придем через образцы попроще, однако ничуть не хуже. В данном случае картинка нужна для другого.
Читатель может подумать, что назвать опорную балку царгой, а стяжки/распорки проножками это уже чисто мебельная специфика, вроде как у моряков скамейка – банка. Что касается царг, то это не так. Царги можно встретить и в других отраслях техники, и там они ну никак не балки ни по виду, ни по характеру нагрузки.
На самом деле царга – элемент конструкции, распределяющий разнонаправленные нагрузки по компонентам силовой схемы. Распределяя нагрузку, невозможно ее не испытывать, поэтому конструктивно, технологически и экономически оправдано делать царги и несущими, т.
е. заставить их работать.
В производстве мебели царгу чаще всего совмещают с опорной балкой в виде поставленной на кромку доски или бруса. Это представление настолько въелось, что и некоторые опытные столяры царгой считают любую такую доску. Однако царги и в мебели весьма разнообразны.
Царги в мебели
Напр., на поз. 1 рис. (испод табурета с ножками в гнездах) царги еще вполне царги-несущие балки, только из бруса. Но уже на поз. 2 царги – косынки, а их обрамление ничего не держит и только декоративное; на поз. 3 царги-косынки обходятся и без него. А на поз. 4 (туалетный столик) царга – укосина, которая балка не более, чем косынка.
Стол со съемными ножками, поз. 4, случай вообще интересный. Когда он разобран, царгой будет фасонный стальной раскос, т.к. только он в этом случае удерживает доски подстолья от выламывания из столешницы при толчке, или просто от рассыпания, если и столешница снята. Но когда ножки на местах, их оголовки вжаты в углы и стол стоит, доски подстолья станут и балками, и царгами, т.
к. держат и вертикальную, и боковую нагрузку. В таком случае правомерно даже говорить о креплении ножек на царгах (!), т.к. изделие обретает должную прочность и жесткость, только когда установочные узлы ножек собраны и нагружены.
Царги из доски могут быть и вертикальным стойками, а не балками. В таком случае их называют строевыми царгами, поз. 6. В общем, с царгами нужно как с балками: смотреть прежде всего как они работают в конструкции, а как выглядят это уж вопрос второй-пятый. Отвлечься сразу же на царги нужно было, т.к. в мебели они встречаются сплошь и рядом.
Что будем делать?
Чтобы сделать табурет, посмотрим, что можно делать. Не всё, табуреток бесконечное разнообразие, но для начала типичные образцы. Наша задача – выбрать, что попроще и получше для определенной цели.
Классический кухонный табурет бывает и утилитарным, и весьма художественным, поз. 1 и 2 на рис. Конструкция его сложилась веками и служат такие табуретки долгие десятилетия. Прочность конструкции позволяет использовать табуретку и как рабочий столик, это всем известно.
Приниматься за классическую табуретку можно и самого начала, усвоив несколько приемов работы по дереву, см. далее.
Виды табуретов
В облегченных табуретах, поз. 3-8, ножки крепятся или вовсе без царг, в гнезда в толстом прочном сиденье, или в гнезда в царгах-косынках. В первом случае и сиденье, и ножки приходится утолщать, поэтому такие табуреты уступают прочим по прочности, зачастую и по виду, поз. 3.
Чтобы облегченный табурет был прочен, его ножки связывают проножками-стяжками: чем ниже, тем прочнее и тем более тонкими могут быть стяжки, поз. 4 и 5. Но низкая рама из стяжек мешает ногам сидящего, а врезка в тонкие ножки табурета ослабляет их. Поэтому часто вместо простой рамки делают Н-образную, поз. 6, или ставят стяжки на разных уровнях, поз. 7.
Наибольшую прочность и удобство обеспечивает Х-образная система стяжек (стяжечная крестовина), поз. 8. При определенной конфигурации ножек возможно обойтись и без нижней крестовины; один из примеров такого рода будет рассмотрен далее.
Важные тонкости
Если вы когда-либо возьметесь делать облегченный табурет, учтите, во-первых, что его ножки должны быть немного раздвинуты, т.е. оси, проходящие через центры оголовков и пяток ножек, должны отклоняться от вертикали на 7-12 градусов наружу относительно оси симметрии табурета. Второй вариант – ножки должны быть дугообразно изогнуты и расширяться кверху, см. далее. Без того или другого ножки могут подломиться и при легком покачивании на табурете. Причем, то и другое решение справедливо, если табурет симметричен относительно вертикальной оси, т.е. не вытянут в плане. Исключение, до пропорций 1:1,5 – табурет со стяжками на разных уровнях, его вытягивать можно в направлении нижних стяжек.
Второе, чтобы обрезать пятки и оголовки ножек на требуемый угол, их заготовки нужно собрать в плотно стянутый пакет и резать в 1 проход. Иначе табурет так и останется косым растопыркой: в размер по длине вертикальные ножки потом подогнать еще можно, но точности углов, необходимой для обработки ножек поочередно, на дереве просто невозможно добиться.
Углы и так уйдут на полградуса-градус против чертежа, но это не столь важно, лишь бы у всех ножек одинаковы были.
Чертежи простых табуретов
Табуреты-тумбы, поз. 9 и 10, тяжеловаты и материалоемки, но очень прочны, т.к. состоят, с точки зрения механики, из 3-х царг, расположенных во взаимно перпендикулярных плоскостях. Эти же табуретки просты в изготовлении, и начинать осваивать мебельное дело лучше с них. На такой случай – на рис. чертежи 2-х видов. На поз. справа детали тумбы тоже врезаются в полдерева, см. далее; паз для врезки условно не показан. Сиденье в обоих случаях может быть любой центрально-симметричной формы; ставят его на шкантах, см. далее. Чехлы на круглых табуретах-тумбах делают их на вид неотличимыми от более трудоемких пуфов, если сделать мягкое сиденье, как описано далее.
Примечание: на врезке слева внизу на рис. вариант табурета-тумбы для дачи. На него нужно 4 детали, но зато он не увязает и в рыхлой земле.
Коробчатые, или щитовые, табуреты (поз.
11 и 12) требуют 4-х деталей, но легче и меньше мешают ногам. Делать их не сложнее предыдущих, и все соединения шкантовые, что несколько облегчает работу. Коробчатые табуретки возможно вытянуть в длину вплоть до превращения в лавки, а их прочность и устойчивость очень мало зависят от высоты. Всем известная хозяйственная табуреточка (поз. 12) – из этой породы. В общем, табуреты из щитов тоже благодарный объект для начинающего столяра, поэтому даем и для них чертежи нескольких видов: комнатной нормальной высоты, справа на рис., хозяйственной пониже, слева там же, а внизу – устройство совсем маленькой детской табуреточки.
Чертежи коробчатых табуретов из щитов
Примечание: на рис. справа – схема упрочненного коробчатого табурета. Поз. в) там – способ придания ему вида попригляднее фанеровкой боковин. Этот табурет хорошо подойдет на дачу: прост, легок, недорог, неплохо смотрится, а по прочности и удобству не уступает классическому.
Прочная хозяйственная табуретка
Табуреты на поз.
13 и 14 только с виду похожи на коробчатые, а на самом деле у них по 4 широких и плоских ножки. Поэтому такие табуреты нужно делать с царгами из досок или брусьев, а ножки скреплять проножкой. Правда, в данном случае она всего одна и может быть расположена так, чтобы совсем не мешала ногам.
Следующая разновидность, доступная для самостоятельного изготовления начинающими – табуреты-разножки с Х-образными ножками. Для придания им нужной прочности требуются или 2 царги и 2 проножки, расположенные взаимно перпендикулярно, поз. 15, или 4 царги-балки, образующие верхнюю раму, и 1 стяжка между перекрестьями ножек. Последний вариант может быть вписан в интерьер гостиной или спальни, но более всего разножки делают раскладными. Вдруг заинтересуетесь – на рис. складной дачный табурет, чертежи и способ складывания. Можно из таких и садового складного стола собрать дачный гарнитур. А вообще-то конструкций складных табуретов множество для разных целей, от рыбацкой разножки до мебели для пикников, и некоторые из них несложно сделать своими руками.
Дачный складной табурет
Примечание: все описанные табуреты довольно пластичны и терпимы к конфигурации деталей, поэтому возможны их креативные исполнения в разных стилях, поз. 17-20.
Материалы, инструмент, технология
Из чего делать?
Древесина пригодна для изготовления любого табурета. Деревянный табурет по прочности и долговечности уступает только металлическому кованому, а по удобству и функциональности не имеет равных среди собратьев. Дерево на табурет пойдет всякое качественное, кроме очень мягких и легко загнивающих пород: тополя, ивы, осины, ольхи.
Качество древесины для любой мебели определяется, во-первых, отсутствием видимых дефектов: трещин, выпадающих сучков, сколов, червоточин, следов гнили и плесени в виде пятен несвойственного данной породе цвета, см. рис. Во-вторых, дерево для мебели должно быть комнатно-сухое, с влажностью 8-12% Дерево камерной сушки (влажность до 8%) для мебели годится ограниченно, т.к. в процессе сушки возможно нарушение его структуры и в комнате мебель из него со временем может рассесться или потрескаться.![]()
Дефекты древесины
Примечание: косослой и свилеватость древесины на мебель в штучном кустарном производстве во многих случаях допустимы, а иногда и желательны, т.к. позволяют получить красивую текстуру. Знаменитая карельская береза – не что иное, как обычная береза бородавчатая, вся напрочь свилеватая вследствие неблагоприятных условий произрастания.
Дерево воздушно-сухое, с 12-20% влажности (это обычный строевой лес) необходимо выдержать в сухом помещении при температуре 15-30 градусов 1-6 недель, сложив в штабель на не отсыревающих подставках. Исходные делянки (доски, брусья) кладут на подставки с промежутками, а следующий пояс (слой) штабеля укладывают также на подставки; теперь в качестве них можно использовать те же делянки, уложив пару поперек.
Примечание: досушивать дерево под воздействием нагревательных приборов или свет ламп накаливания нельзя – получим очень плохую камерную древесину.
На сиденье табурета берут обычно сосну или ель, а на ножки дерево потверже: березу, дуб, клен, бук.
Разумеется, и всю табуретку можно делать из твердых пород. Из достаточно доступных импортных пород годятся венге, хемлок, махагони.
Полноценной заменой дикому дереву будет модифицированная древесина – МДФ средней и высокой плотности. МДФ ничем не пропитывается, ее делают из спрессованных при повышенной температуре отходов распиловки деловой древесины, т.е. материал это вполне экологичный. МДФ уступает дикому дереву по стойкости к истиранию, поэтому на пятки ножек из МДФ желательно набивать подошвы из твердого дерева.
Из фанеры можно делать табуреты-тумбы и коробчатые, а также облеченные табуреты с Х-образной стяжкой ножек (поз. 8 на рис. в начале) и аналогичные им по силовой схеме. Также фанера пойдет на сиденье любого табурета. Из ДСП делают, как правило, целиком только табуреты коробчатые, т.к. в конструкциях всех остальных есть точки сосредоточения нагрузок, чего ДСП не держит. Но ДСП также хорошо пойдет на сиденье.
Примечание: фанеру для мебели весьма желательно пропитать водно-полимерной эмульсией с обеих пластей и с торца.
О клее
Большинство соединений мебели проклеивается. Традиционно для этого используется костный столярный клей. Он недорог, не требует подсушки до отлипа перед соединением деталей и прочность набирает, едва застыв. Но для его приготовления нужна клееварка, которую, впрочем, можно сделать самостоятельно.
Очень прочен клей для дерева «жидкие гвозди». Он же дает возможность скрыть клеевые швы, т.к. тонируется под дерево опилками, или можно купить готовый тонированный. Еще лучше акриловый клей для дерева на водной основе.
Жидкие гвозди и акрил достаточно дороги, поэтому во многих случаях их заменяют почти таким же прочным ПВА, но не обычным конторским для бумаги, а для дерева. Соответствующую маркировку нужно смотреть на этикетке, и продается древесный ПВА не в канцелярских, а в строительно-хозяйственных магазинах. Склеивать детали на ПВА нужно только после выдержки до отлипа; клей наносят на обе соединяемые детали. Выдержка для набора прочности – не менее суток, только потом можно продолжать работу или нагружать соединение.
Примечание: все клеевые соединения плохо держат сдвиг по шву, т.е. их необходимо подкреплять в этом направлении разными способами; о некоторых см. далее.
Чем делать?
Будем считать, что, раз вы человек мастеровой, простой измерительно-разметочный и рабочий инструмент у вас есть, включая долота и стамески. Желательно также иметь штангенциркуль с глубомером. Но, чтобы приняться за изготовление табуретки и вообще мебели, нужно запастись для начала еще парой приспособлений.
Ручной рейсмус
Во-первых, рейсмус (рейсмас) для разметки, см. рис. Его можно сделать и своими руками, применив вместо рычажного фиксатора пару винтов. При желании можно размахнуться и на самодельный рейсмусный станок, любители делают.
Во-вторых, деревянные щиты для мебели не собирают просто так, они выйдут горбатыми и щелястыми. Щиты нужно сплачивать, т.е. при сборке не клею доски плотно прижимать друг к другу кромками, пока клей полностью не высохнет и не наберет прочность. Как сплачивают щиты см.
ниже, а пока нужно сделать приспособления для этого: плаз или ваймы. Основа в том и другом случае – прочные, ровные и выдержанные доски не менее 150х50 для плаза и 120х50 для вайм.
Очень удобен плаз из винтового прижима и упора с мертвой точкой, поз. 1 на рис. Если компонентов для него нет, то для штучного производства пойдет и простейший плаз, поз. 2. Доски в нем сжимают клиньями, поз. 2а, поочередно подбивая из киянкой, а грубо под размер щита ставят проставку из той же доски, что и основа плаза.
Плазы и вайма для сплачивания щитов из досок
Большие щиты, примерно длиннее 50 см, на плазе сплачивать нельзя, т.к. его основа при этом сама прогибается. Кроме того, вынос краев досок за плаз не должен превышать 150 мм, т.е. на плазе из 250-мм доски можно сплотить щит до тех же 50 см шириной. Для табуретки этого хватит, но на будущее лучше обзавестись 3-4 ваймами, поз. 3. Крепление концевых бобышек-упоров во всех случаях должно быть очень прочным, на сквозных болтах М8-М12 с гайками, т.
к. на упоры в работе действуют очень большие силы.
Как делать?
Для изготовления табурета нужно освоить прежде всего несколько видов соединений деревянных деталей:
- Врезку в полдерева (вполдерева).
- Пазогребневое соединение.
- Соединение шип-паз.
- Соединение шкантами.
Вполдерева
Соединение вполдерева, показано на рис. Технологически оно самое простое и достаточно надежно, если дополнительно скреплено, по 2-3 точки на соединение, нагелями, саморезами, болтами, гвоздями и, опционально, проклеено. При работе ручным инструментом выемки сначала надпиливают по краям, не доходя 0,5-1 мм до нужной глубины, и лишний массив материала выбирают долотом. Делать пропилы глубже, чтобы потом одним ударом сбить лишку – производственный брак!
Соединения вполдерева
Соединения вполдерева бывают закрытыми, поз. 1, так собирают крестовины, открытыми, поз. 2, для сборки углов, и глухими (закрытыми) наполовину, поз. 3, для врезки на прогоне.
Кроме того, в полдерева можно соединять как по пласти, поз. 1-3, так и по кромке, поз. 4. В последнем случае, если детали достаточно высокие, соединение хорошо держится и только на клею без дополнительных подкреплений; так собирают опоры табуретов-тумб.
Пазогребень и шип-паз
Для пазогребневых соединений, поз. 1-3 на рис., достаточно 1-й точки дополнительного крепления или просто проклейки. Соединение паз-гребень может быть открытым одинарным, поз. 1, открытым двойным, поз. 2, тройным и т.д., или закрытым, поз. 3. Последнее разнять можно, только потянув за деталь с гребнем, а открытые пазогребневые соединения еще и поворотом деталей относительно друг друга, т.е. закрытый пазогребень технологически сложнее (лунку нужно насверливать по краям с ограничителем глубины сверления и затем аккуратно выдалбливать), но прочнее и надежнее.
Соединения пазогребневые и шип-паз
Соединения паз-гребень и шип-паз механически сходны, поэтому их часто путают. Напр., соединения на поз.
1 и 2 в старых советских учебниках для ПТУ именуются шип-паз. Но на самом деле плечо шипа, в отличие от плеча гребня, обходит шип со всех сторон, поз. 4. Это дает возможность скрыть полукруглые края лунки, выбранной торцевой фрезой, и делает соединение устойчивым к выламыванию в 2-х плоскостях, вдоль и поперек.
Шип, как и закрытый пазогребень, можно расклинивать при сборке клинышком из твердого дерева, также поз. 4. Соединение становится неразъемным, но очень прочным и не требуется видимых дополнительных креплений, навсегда хватит и клея. Соединение на расклиненном шипе вообще «мертвое», проще разбить все изделие вдребезги, чем его разнять.
Примечание: соединений на шипах в мебели применяется множество видов; для примера небольшая их часть показана на рис. справа. С необходимыми по ходу дела мы познакомимся при описании соответствующих видов мебели.
Шканты
Шкантовое соединение – главное в столярке, т.к. оно достаточно прочно и невидимо, т.е. полностью закрыто.
Собственно, шкант – это круглый или 8-угольный шип из твердого дерева, выполненный отдельно от соединяемых деталей. Как делается соединение шкантами, показано на рис., тут уж для разметки без рейсмуса не обойтись.
Соединение шкантами
Шканты могут быть расклиниваемыми при сборке, см. рис. справа, тогда они называются нагелями; клинья ставят обязательно поперек волокон древесины соединяемых деталей. Нагельное соединение неразъемно, но очень прочно и надежно. Соединения на шкантах, как правило, проклеиваются.
Соединение шкантом с расклиниванием
У внимательного читателя наверняка уже возник вопрос: а где их брать, шканты эти? Случайные прутики-щепочки надежными не будут. Верно, палочки для шкантов есть в продаже, но их можно сделать и своими руками. Вообще, основное в мебели шкантовое соединение имеет и уйму других тонкостей, поэтому даем подборку видео:
Видео: соединение на шкантах
Видео: изготовление круглых палочек для шкантов и стрел
youtube.com/embed/hw57sJH9thI?rel=0″/>
Видео: приспособление для изготовления шкантов своими руками
Видео: самодельный кондуктор для сверления отверстий под шканты
Сплачивание
Размеры шпунта для доски толщиной 40 мм
Доски в щиты для мебели сплачивают разными способами. На шпунт (разновидность пазогребневого соединения), поз. 1 на рис., сплотить проще всего, если воспользоваться шпунтованными досками. Благодаря большой площади контакта соединяемых поверхностей шпунт на клею очень надежен и часто применяется. Однако сплачивать на шпунт можно только доски достаточной толщины, т.к. гребень шпунта должен, с одной стороны, быть не шире 1/4-1/3 толщины доски, а с другой – сам быть не уже 10-12 мм. Считается, что минимальная толщина досок из дикого массива для сплачивания на шпунт – 30 мм, но доски менее 40 мм сплачивать на шпунт не рекомендуется; размеры шпунта для доски-сороковки показаны на рис.
выше. Щиты из МДФ и ламината можно сплачивать на шпунт при толщине досок от 16 мм.
Способы сплачивания досок
Сплачивание в фальц, поз. 2, надежно только если фальц с замком. Беззамковый фальц – просто четверть, и щит из четвертных досок надежным не будет, как и щит, сплоченный в рейку, т.е. просто торцами обрезных досок. Сделать замковый фальц дома сложно, поэтому им, как и замковым пазогребнем, сплачивают щиты из МДФ или ламината, см. рис. справа. В таком случает толщина досок может быть от 12 мм.
Замки ламината
Сплачивание на шкантах, поз. 3, возможно досок из массива от 20 мм и МДФ/ламината от 12 мм, но трудоемко и сложно. Сплачивать тонкие доски лучше всего на гладкую фугу, поз. 4. Пазы под фугу придется выбирать ручным фрезером по дереву с дисковой фрезой, но зато самую фугу можно сделать из фанеры от 3 мм, что дает возможность сплачивать «дикие» доски от 12 мм.
О сиденье
Сидеть долго на жестком табурете неудобно, поэтому что-то помягче придется тут впору.
Как устроено мягкое сиденье табурета, показано на поз. 1 рис. Нужно сразу заметить, что внешнюю обивку лучше делать из мешковины, и сшить для табуреток накидки из декоративной мебельной ткани. Табуретом пользуются интенсивно, нередко небрежно, и дорогой жаккард и т.п. на нем скоро замаслится. А накидку можно постирать, и сшить ее куда проще, чем чехол на стул или кресло.
Как сделать мягкое сиденье табурета
Внутреннюю обшивку ставят на клею с заворотом крыльев от 60 мм, поз. 2. Клей наносят только на основу и крылья накладывают, подсушив его до отлипа. Поролон выбирают «на отщелк»: сжатый до предела пальцами и внезапно отпущенный, он должен резко выпрямиться, а не подтягиваться плавно.
Внешнюю обшивку ставят также на клею, с перехлестом крыльев внутренней не менее чем на 30-40 мм. Ее края, чтобы не ползла, стягивают суровыми нитками вдоль и поперек, а нитки, чтобы не порвать случайно, заклеивают плотной бумагой, тонким картоном или просто скотчем. Обивочные гвозди, если нужно, имитируют канцелярскими кнопками, поз.
3. К основанию сиденье прикрепляют, когда оно полностью готово.
Совершенно не намозоливает «пятую точку» плетеная сидушка поз. 4, но для нее необходим надежный каркас, как у классического табурета. Облегченные табуреты и разножки без наглухо прикрепленного сиденья недостаточно прочны. Модифицировать тумбы и коробчатые табуреты, заменив верхнюю доску рамкой, не стоит по той же причине.
Примечание: размеры обычных, не для бара, табуретов 420-450 мм в высоту; сиденье от 350х350 до 400х400 мм квадратное и диаметром 300-450 мм круглое.
Примеры и образцы
Самой надежной и функциональной является, как видим, все-таки классическая табуретка; недаром она в классики выбилась. Поэтому даем и ее чертежи, см. рис. Поз. А – общий вид и устройство; Б – способ крепления сиденья; В – деталировка; Г – схема сплачивания сиденья на шкантах; Д – сборка основы; Е – проверка на ровность промерами пар.
Чертежи классической табуретки
Однако устоявшиеся каноны не исключают эволюции вплоть до революционных изменений.
Для общества революции в общем не нужны потому как разорительны, но в технике почти всегда плодотворны. Пример – облегченный табурет для кухни на основе классического, см. след. рис. Применение фанеры (верхняя обвязка), ламината для сиденья и, главное, вынос царг за пределы несущего пояса, породили конструкцию очень простую, легкую, дешевую и удобную – нет проножек. А по прочности она не уступит классике, только плетеное сиденье делать нельзя.
Прочный облегченный табурет для кухни
И, наконец, вариант основы облегченного табурета без проножек. Способ сборки см. на рис. Материал – дерево или фанера. Сиденье может быть любым. Благодаря правильно выбранной конфигурации ножек табурет вполне надежен, а по виду, особенно с мягким сиденьем, пойдет в любую гостиную.
Изготовление основы табурета в гостиную без проножек
В заключение
Изготовление мебели своими руками дело не только экономное, но и увлекательное. А посему – в добрый час! От простой табуретки до такого шкафа или кровати, что тертый дизайнер ахнет в восхищении.
shpuntel.ru
Как сделать табурет своими руками — несколько интересных моделей
Табурет – это привычный для всех, удобный и компактный предмет мебели, который чаще всего используется на кухне или в дачных условиях. Приобретенные в магазине и изготовленные из древесных композитов стулья далеко не всегда отвечают всем требованиям потребителей с точки зрения эстетики и практичности для таких условий, да еще при этом и достаточно дороги. Поэтому-то и возникает вопрос о том, как сделать табурет своими руками из дерева, чтобы он был надежен и прослужил много лет.
Как сделать табурет своими руками
Тому, кто начал изготовление мебели с такого простого изделия, как табурет, набив на этом руку, возможно, впоследствии захочется сделать более сложные и масштабные конструкции, например, стол, шкаф или кровать, что позволит сэкономить для семейного бюджета приличные средства.
Популярные типы табуретов
Даже такой простой предмет мебели может быть выполнен в разных вариациях и использоваться для различных нужд.
Чтобы определиться, какую именно модель хотелось бы получить в результате работ, следует рассмотреть несколько подобных изделий.
Детский табурет
Этот вариант табурета не станет лишним ни в одном доме, так как он удобен не только для детей, но и для взрослых. Он легок по весу и компактен по размеру, поэтому его запросто можно перенести в любое удобное место двора или дома, где он необходим в данный момент, причем переместить его сможет даже маленький ребенок.
«Детская табуретка» часто бывает необходима и взрослым людям
Изготавливать подобную модель лучше всего из массивной доски, которую предварительно стоит хорошо обработать. Если требуется, чтобы табурет был совсем легким, то для его изготовления используют сухую липу, которая имеет красивый фактурный рисунок и совсем небольшую плотность.
Если толщина доски, взятой для маленькой табуретки, будет равна не менее 25÷30 мм, то потребуется сделать всего три основных детали – это две ножки и сиденье, которые могут быть скреплены шкантами, даже без использования дополнительных упрочняющих элементов.
Все детали изделия не должны иметь острых углов и заусенец. Заготовки обязательно скругляют и хорошо отшлифовывают, чтобы не было риска пораниться или посадить занозу.
Этот предмет мебели можно применять не только для сидения, но и как пуфик, подставляя его под ноги – особенно часто этим пользуются люди пожилого возраста. Поэтому, изготовив такую табуретку, можно порадовать как малышей, так и бабушек, показав им свою заботу.
Табурет — ящик
На кухне или в мастерской является обычным явлением нехватка места для различных мелочей, и эта модель табурета отлично подойдет для того, чтобы очистить стол от некоторых неиспользуемых в настоящее время предметов. Доски, формирующие стенки ящика хорошо укрепляют всю конструкцию и одновременно создают короб, где могут разместиться вещи, которые должны быть всегда легкодоступны.
Табурет с ящиком позволяет оптимизировать тесное пространство кухни или мастерской
Например, женщины могут использовать такой ящик для хранения рукоделья, так как он достаточно вместителен, и в нем найдется место для клубков пряжи и спиц, а также всего необходимого для ручной вышивки или шитья.
Мужская половина спокойно спрячет в ящике под сиденьем некоторые предметы своего домашнего «арсенала», которые наиболее часто необходимы в хозяйстве – это молоток и гвозди, плоскогубцы и другие не слишком крупные инструменты.
Для изготовления такого изделия потребуется хорошо обработанный брус 50×50 мм, доска шириной в 200÷250 мм и толщиной 20÷25 мм, фанера для донной части ящика и крепежные детали.
Складной табурет
Для малогабаритных квартир с маленькими кухнями или же для небольших дачных домиков подойдет складной табурет. Его можно держать постоянно в разложенном состоянии, а при необходимости – убрать в любой шкаф или нишу между мебелью и стеной, так как в сложенном состоянии его толщина будет составлять примерно 60÷80 мм, в зависимости от выбранного для изготовления материала и особенностей конструкции.
Складной табурет – легко устанавливается или прячется по мере необходимости
Сиденье для этой модели табурета можно сделать круглым или квадратным, но для каждого варианта существует собственная конструкция крепления ножек.
Ножки для такой табуретки изготавливаются из доски или толстой, 20÷25 мм качественной фанеры. Основание изделия состоит из двух рам, одна из которых должна свободно входить в другую. Рамы скрепляются между собой с одной и другой стороны специальными винтами со втулками или осью-шпилькой, позволяющей конструкции складываться.
Табурет-стремянка
Еще один вариант табурета, который может служить не только для сидения, но и выступать в качестве стремянки. Такая модель всегда пригодится как в частном доме, так и в квартире. Например, без стремянки сложно обойтись во время генеральной уборки, а также без нее непросто достать нужную вещь с верхней полки высокого шкафа.
Табурету-стремянке найдется применение в любом домашнем хозяйстве
В сложенном состоянии эта конструкция ничем не будет отличаться от обычного табурета, так как ступеньки будут находиться под сиденьем. Превратить табурет в удобную лестницу не составит большого труда — необходимо просто потянуть за верхнюю часть временно перевернутых ступеней, и аккуратно установить их на пол.
В результате получится надежная и устойчивая стремянка, которую также можно использовать, как удобную подставку для ног при сидении на табурете.
Для изготовления этой модели потребуются массивные доски для сиденья и ступеней, а также толстая фанера для ножек и косоура под ступени.
Табурет для дачи
Если планируется использовать табурет на дачном участке по типу скамейки, только в переносном варианте, то для него нужно подготовить деревянный брус, так как фанера в этом случае не подойдет. Она под воздействием влаги начнет расслаиваться, и изделие вскорости будет безнадёжно испорчено.
Если табурет предполагается использовать на улице, то в качестве материала берется исключительно натуральная древесина
Для изготовления уличной мебели лучше всего подойдет лиственница или дуб. Если же выбирается другая древесина, то ее необходимо будет хорошо пропитать влагоотталкивающими составами, а затем покрасить. Причем процесс предварительной обработки пиломатериалов проводится еще до сборки конструкции.
Мебель, используемая в уличных условиях, отличается от той, которая находится внутри помещений, тем, что между деталей, из которых собирается сиденье и спинка (если изготавливается скамейка), обязательно оставляются зазоры для того, чтобы дождевая вода не задерживалась на их поверхности, а детали быстрее проветривались.
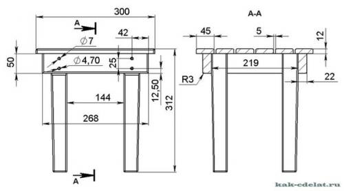
Чертеж табурета
Определившись с моделью будущего изделия, составляют его эскиз-чертеж, по которому будут изготавливаться все элементы конструкции. При составлении чертежа сразу просчитываются и проставляются на рисунке все необходимые размеры. Вовсе не обязательно делать схему, соблюдая все каноны и правила чертежной науки — достаточно будет даже просто нарисовать ее от руки. Главное, чтобы можно было оценить визуально, что получится в итоге, видеть все параметры необходимых материалов и принцип их соединения.
Чертеж простейшего табурета – работа для новичков
На представленной схеме можно увидеть наименования некоторых деталей, которые входят в конструкцию табурета — это царги, проножки и «сухари».
О них – несколько подробнее, чтобы в дальнейших описаниях было понятно, о чем идет речь. Все эти детали необходимы для скрепления конструкции и придания ей нужной прочности.
- Царги — это бруски или доски, располагающиеся под сиденьем табурета и скрепляющие между собой ножки шиповыми соединениями, создавая прочную опору для сиденья.
- Проножка — это элемент, призванный увеличить устойчивость и жесткость конструкции. Он располагается в центральной или нижней части ножек (по их высоте) и также скрепляет их между собой соединениями «шип-паз».
- «Сухари» — это бруски, доски или металлические уголки, устанавливаемые по диагонали на внутренних углах конструкции под сиденьем и закрепляемые на царги и ножки.
При составлении чертежа важно просчитать не только параметры всех видимых деталей конструкции, но и размер внутренних соединительных элементов, таких, как шипы, вырезаемые на краях царг, и пазы, в которые они будут устанавливаться, выбираемые в ножках табурета.
Инструменты для работы
Для работы необходимо подготовить базовый набор столярных инструментов
Без столярных инструментов изготовить любой предмет мебели из дерева – просто не получится. Профессиональные мастера-мебельщики имеют полностью оборудованные специальными дорогостоящими станками мастерские. Но чтобы только попробовать себя в роли столяра, конечно же, не стоит сразу приобретать профессиональное оборудование, однако, некоторые инструменты подготовить все-таки придется.
Список наиболее востребованных для работы с древесиной инструментов выглядит следующим образом:
Множество операций выполняется ручным фрезером
- Очень здорово, если в хозяйстве есть ручной фрезер с набором фрез, которые помогут обработать края досок, бруса и фанеры, высверлить отверстия разной величины или аккуратно выбрать пазы и проточки на любой из деталей.
Шлифовальная машинка позволяет быстро обработать детали до идеала
- Чтобы избавиться от утомительных операций, потребуется шлифовальная машинка и со сменными кругами различной степени зернистости — для придания поверхности древесины гладкости.
Эту работу можно выполнить и вручную, но она займет гораздо больше времени.
Чрезвычайно удобен в работе электрический лобзик
- Электрический лобзик. Этот инструмент, безусловно, может быть заменен ручной ножовкой, но после распиливания досок ею края деталей не получатся аккуратными, и над ними придется хорошо поработать, применив фрезер. Опять же, распил материала вручную займет гораздо больше времени.
С универсальностью шуруповерта не поспорит никто
- Шуруповерт будет необходим не только для вкручивания крепежных элементов, но и для просверливания в деталях отверстий. Поэтому необходимо подготовить набор бит-отверток и сверл разного диаметра. Вместо шуруповерта, можно использовать любую дрель и набор ручных отверток.
Струбцина – обязательный элемент качественного столярного комплекта инструментов
- Струбцины различного размера. Если хочется сделать действительно качественную и прочную вещь, то струбцины нужно иметь под рукой в обязательном порядке, так как при склеивании досок в цельную панель или отдельных деталей между собой, их необходимо сильно сжать и оставить в таком положении на достаточно продолжительное время, а кроме этих инструментов ни один другой этого сделать не сможет.

- Всегда нужны молоток и стамески разных размеров. Иногда приходится прибегать к использованию рубанка – он также может быть ручным или электрическим.
- Готовится измерительный и разметочный инвентарь — рулетка, строительный угольник, деревянная линейка на 500÷1000 мм, простой карандаш, рейсмус и т.п.
Кроме этих инструментов, для удобного производства работы потребуется достаточно большой и прочный стол – верстак.
Узнайте, как сделать кресло-качалку своими руками, изучив несколько доступных вариантов, в специальной статье на нашем портале.
Изготовление табуретов
Далее в статье будет рассмотрено несколько моделей разных табуретов, которые вполне можно изготовить своими руками.
Традиционный простой табурет
Начать свою «столярную практику» лучше с самых простых моделей табурета
Конструкции даже самых простых изделий могут отличаться между собой некоторыми элементами, которые, как правило, предназначены для придания табурету дополнительной прочности.
Материалы для изготовления
Простая модель табурета выглядит следующим образом и состоит из деталей, обозначенных на чертеже цифрами:
Чертеж «классического» табурета
1 — Приножки.
2 — Ножки табурета.
3 — Царги.
4 — Сиденье.
5 — Элементы соединения – опоры для установки сиденья.
6 — Соединительные пазы.
7 — Соединительные пазы.
Для изготовления традиционных табуретов, имеющих размер в высоту 500 мм, сиденье 450×450 мм и прямые ножки, потребуются следующие детали:
- Четыре, хорошо обработанных, до гладкости, бруса для ножек, сечением 50×50 мм, высотой 485 мм. Они могут быть прямыми или же зауженными книзу срезами с внутренней стороны.
- Для сиденья нужно подготовить две или четыре доски толщиной в 12÷20 мм размером 450×225 мм или 450×112,5 мм, или же фанерную панель 450×450 мм, толщиной в 12÷20 мм.
- Для придания табурету прочности, в разных типах конструкций могут быть использованы 4 приножки и 4 царги, изготовленные из бруса сечением 30×30 и длиной 441 мм, или только царги — 4 доски, сечением 30×60 и длиной 441 мм.

- Дополнительно могут быть использованы соединительные элементы, в виде небольших отрезков брусков, закрепляемых на внутренней стороне, в середине царг, но можно обойтись и без них, если для основы под сиденье будут взяты бруски, имеющие достаточную толщину.
- Брус 30×30 мм для изготовления «сухарей», если предполагается их устанавливать.
- Деревянные шканты (чопики) для закрепления сиденья к готовому основанию – 4 штуки, длиной в 30 мм и диаметром в 8÷10 мм.
- Саморезы.
- Столярный клей.
Сборка табурета
| Первым шагом, чтобы не терять время, рекомендуется склеить доски для сиденья, если оно будет состоять из нескольких элементов. Для этого хорошо подогнанные и отшлифованные торцевые стороны досок промазываются клеем, соединяются между собой и стягиваются в струбцинах. Такая конструкция должна хорошенько просохнуть, а пока она будет схватываться, можно заняться сборкой каркасной основы табурета. | |
| Далее, подготавливаются бруски для ножек. Они должны иметь идеально ровные срезы и быть одинаковыми по высоте, которая может варьироваться, в зависимости от желания мастера, и составлять от 450 до 500 мм. | |
| Следующим шагом на ножках производится разметка и определяется место выборки соединительных пазов для установки в них шипов приножек и царг (или же только царг, если приножки не входят в конструкцию). Отверстия выбираются с помощью фрезера или стамески. | |
| Далее, обрабатываются края царг и приножек. На них вырезаются шипы шириной, высотой и глубиной меньше на 1÷1,5 мм, чем предназначенные для них отверстия пазов в ножках. Шипы должны достаточно свободно, но все же плотно входить в пазы. | |
После этого ножки попарно собираются, скрепляясь между собой посредством приножек и царг — их шиповые части вклеиваются в пазы ножек. Каждая из получившихся рам стягивается в струбцинах. Затем, после их просыхания, связанные попарно ножки соединяются также царгами и приножками в единую конструкцию основания табурета и снова сжимаются в струбцинах до полного склеивания.![]() После того как клей высохнет, все соединения дополнительно фиксируются саморезами. | |
| Если предполагается упрочнить табурет «сухарями», то их прикручивают к царгам и ножке табурета. Этот элемент, установленный заподлицо с верхним краем царг, создаст дополнительную опору для сиденья. | |
| Следующим шагом размечается и закрепляется сиденье табурета. Для этого по разметке на обратную сторону панели наносится клей, а затем она укладывается на готовое основание табурета, выравнивается и прижимается. Далее, по углам, через панель сиденья, высверливается по одному отверстию, диаметр которых должен быть больше, чем у подготовленных шкантов на 1-2 мм, а глубина — на 5 мм меньше, чем их высота. В отверстие заливается клей, а затем забиваются шканты. Выступивший клей сразу вытирается. Верхушка шканта срезается с помощью фрезера, и это место шлифуется до гладкости. Дополнительно сиденье нужно стянуть с царгой струбцинами до полного просыхания клея. |
Клей может быть рассчитан на различное время просыхания, и оно обычно указывается на упаковке производителем. Эксплуатировать изделия возможно только после полного истечения указанного срока.
Складной табурет
Такой табурет особенно удобен для выездов за город
Складной вариант табурета удобен тем, что благодаря его компактности он не только может быть убран в небольшое по площади пространство жилых помещений, но и легко поместится в багажник автомобиля для его транспортировки на дачу.
Материалы для изготовления
Чтобы сделать такую модель табурета, потребуются несколько другие материалы, чем те, которые использовались для традиционного изделия. Так, некоторые мастера предпочитают приобретать готовые обработанные мебельные щиты, изготовленные из натурального дерева. Они отлично подходят для раскроя деталей конструкции, так как, вырезав их из этого материала, останется обработать только их края.
Для представленного варианта табурета мастеру потребовалась панель размером 1120×400×24 мм, а кроме нее, дополнительно, следующие материалы:
- Шпилька с нарезанной с двух сторон резьбой и торцевыми гайками, размером 250×8 мм, для сквозной установки, или шпилька с затупленными концами — для установки в глухие пазы.

- Мебельные петли-бабочки размером (в раскрытом виде) 350×400 мм — 4 штуки.
- Шканты или чопики 50×8 мм.
- Столярный клей.
- Морилка и бесцветный лак или же тонирующий лак.
- Саморезы длиной 15÷20 мм.
Размеры всех деталей конструкции хорошо видны на представленном чертеже.
Чертеж представлен в двух проекциях, поэтому на нем легко можно определить параметры всех деталей и расстояния между ними.
Раскладной табурет состоит из следующих деталей:
- Сиденье круглой формы, диаметром 350 мм.
- Рама шириной 166 мм, состоящая из двух брусков, размером 500×48×24 мм, и поперечины длиной 122 мм.
- Рама шириной 122 мм из двух брусков 500×48×24 мм со срезами на верхних концах под углом в 30 градусов, и поперечины длиной в 70 мм.
Изготовление табурета
Обработка деталей и их сборка осуществляется в следующем порядке:
Нужно сказать, что сиденье может иметь круглую или квадратную форму со скругленными углами, на выбор мастера. В данном случае, выбрано круглое сиденье диаметром 350 мм. Для удобства сложения табурета, в верхней части сиденья следует сделать криволинейное отверстие, размером длинной примерно в 120 мм, а шириной в 20÷25 мм, чтобы за него было удобно браться рукой. Его можно вырезать с помощью фрезера или же просверлить на расстоянии друг от друга в 120 мм два отверстия диаметром 20÷25 мм, а затем соединить их, выпилив древесину, находящуюся между ними с помощью лобзика, выполнив два реза.Для того чтобы отверстие получилось аккуратным и гладким, его края необходимо сразу обработать. | |
| Обработка края сиденья и внутренних краев отверстия «ручки» чаще всего производится с помощью полукруглого фрезы. Но если этого инструмента нет в распоряжении, то их приводят в порядок, применив сначала напильник с крупной насечкой (рашпиль), а затем — наждачную бумагу разной зернистости, постепенно доводя древесину до гладкости. | |
Следующим шагом обрабатываются подготовленные бруски ножек. В двух из них, которые будут формировать внешнюю раму, нужно вырезать паз длиной в 180 мм и шириной в 8 мм, а глубиной в 42 мм, по которому будет ходить шпилька. Иногда пазы делаются сквозными – именно для этого случая выбирается шпилька с резьбой на концах, на которые накручивается специальная гайка-заглушка.В других двух брусках, согласно схеме, высверливаются сквозные отверстия диаметром 8 мм, через которые будет проходить шпилька – эти элементы предназначаются для изготовления узкой рамы. | |
| Выпиливание пазов происходит с помощью фрезера, или же по намеченной линии насверливаются отверстия диаметром в 8 мм, которые, затем объединяются в общий паз с помощью лобзика. Работа проводится на специальном станке, или же брус жестко закрепляется в тисках, а затем в нем просверливаются отверстия с использованием дрели или шуруповерта. | |
Бруски, которые будут формировать внутреннюю, более узкую раму табурета, в верхней части нужно аккуратно отпилить под углом в 30 градусов – этот процесс можно произвести на станке или же с помощью стусла. Угол должен быть выпилен идеально точно, поэтому нельзя делать эту работу «на глаз».На нижней части ножек углы и края рекомендовано немного скруглить. | |
| Поперечины, устанавливаемые между ножек, монтируются на шканты, которые вклеиваются в просверленные отверстия. Этот процесс можно произвести по-разному. Чаще всего сначала перемычка на клей устанавливается в предназначенном для нее месте, ножки сжимаются в струбцинах, и оставляется для полного просыхания. Затем, через внешнюю сторону ножек просверливаются сквозные отверстия, которые углубляются в торцевые стороны перемычек, как минимум на 20÷25 мм. После этого в отверстия аккуратно на клей вбиваются шканты. На каждую из сторон перемычек потребуется по два крепежных элемента. | |
| На обратной стороне сиденья, согласно чертежу, производится разметка мест, где будут крепиться петли-бабочки. Затем, петли укладываются на размеченное место и обчерчиваются. Далее. с этого место выбирается посадочное «гнездо» глубиной, равной толщине петли, то есть петля при ее закреплении должна встать заподлицо с основной деревянной поверхностью. | |
| Далее, производится закрепление петель на верхних торцевых сторонах ножек. Их прикручивают саморезами, шляпки которых должны находиться в одной плоскости с поверхностью петель. Следующим шагом вторая сторона петель закрепляется в приготовленных для них гнездах на обратной поверхности сиденья. | |
| Чтобы конструкция смотрелась аккуратно, шпильку рекомендовано закрыть трубкой, выточенной из древесины. Заменить деревянный вариант элемента, маскирующего шпильку, можно и пластиковой трубкой, так как выточить из древесины эту деталь — не так-то просто. Длина трубки должна составлять 68 мм, внутренний диаметр 9 мм, толщина стенок трубки может быть от 2 до 10 мм. | |
| Далее, шпилька вставляется в более узкую раму через подготовленную декоративную трубку, а ее концы вставляются в пазы внешней, более широкой рамы, по которым они и будут ходить при складывании и раскладывании табурета. | |
Нужно сказать, что раскладной табурет может иметь немного другую конструкцию. В ней используется не одна, а две шпильки, а вместо внутренней рамы закрепляется цельная доска, и она служит не менее надежной ножкой для табурета. Вторая, внешняя рама имеет перемычку в самой нижней своей части, на таком уровне, чтобы при сложении конструкции, доска-ножка аккуратно входила в нее, создавая одну панель.Крепление таких ножек к сиденью осуществляется точно так же, как и в первом варианте складного табурета. | |
| Для сравнения можно посмотреть, как выглядит одна и другая модель готового изделия, и выбрать для изготовления наиболее понравившуюся. Наверное, нетрудно понять, что второй вариант конструкции – более прост в исполнении. |
Табурет с плетеным сиденьем
Табурет с плетеной поверхностью можно сделать в низком или полноценном, высоком варианте – он будет удобен в любом случае. Его сиденье может выполняться из различных материалов — прочной ткани, ремней (в том числе – старых автомобильных ремней безопасности), шнура и даже кабеля в пластиковой оплетке.
Вполне возможно придумать и свой вариант.
Оригинальная «мягкая» конструкция – табурет с плетеным сиденьем
Материалы для изготовления
Каркас для таких изделий монтируется, в принципе, по одной схеме, однако, если будет изготавливаться высокий табурет для взрослого человека, то конструкция должна быть более надежной, то есть ее желательно усилить прочными царгами и приножками. Нельзя забывать, что у традиционного табурета сиденье тоже является упрочняющей деталью конструкции, а плетеный его вариант сам по себе требует особо прочного каркаса.
Итак, для каркаса прямоугольного табурета, имеющего размер 500×400 мм, потребуется:
- Деревянные бруски 50×50 мм для ножек – их высоту можно выбрать индивидуально.
- Бруски для царг и приножек, сечением 50×25 мм.
- Металлические или деревянные угловые элементы — «сухари».
- Саморезы.
- Кожаные или синтетические ремни, или же прочная веревка одной-двух расцветок.
Заметим сразу, что показанная на примере модель имеет достаточно большое сиденье, что снижает общую прочность табурета.
Поэтому бывает разумнее сделать этот элемент конструкции немного меньше, например, 350×300 мм.
Узнайте, как сделать стул своими руками, ознакомившись с вариантами от «классики» до «трансформера», в специальной статье на нашем портале.
Изготовление табурета
Изготовление подобного табурета проводится в следующем порядке:
| Из подготовленных для работы брусков нарезаются элементы конструкции табурета. Ножки могут иметь высоту от 300 до 500 мм, а высота демонстрируемой модели составляет 400 мм. Чтобы ножки были устойчивы, их торцевые части должны быть идеально ровными. Поэтому их следует размечать по строительному угольнику, а распиливать желательно с помощью циркулярной пилы, которая даст идеальный рез. | |
| Следующим шагом подготавливаются бруски для приножек и царг. В данном случае вырезается 4 бруса длиной в 450 мм и 4 бруса — по 300 мм. Эти элементы также должны иметь ровные края для плотного прилегания к ножкам. | |
| Чтобы сделать отверстия для скрепления элементов конструкции под определенным углом, используется специальный инструмент (кондуктор), способный направить сверло дрели в нужном направлении. Это приспособление закрепляется на бруске, и через его направляющие отверстия просверливаются по два отверстия с каждой из сторон деревянной детали. После того, как все элементы табурета будут готовы, их следует хорошо зачистить — это процесс лучше всего провести до сборки конструкции, так как легче будет рассмотреть на древесине все проблемные места. | |
| На данном фото показано, как выглядят такие отверстия внутри бруса. | |
| Дополнительное скрепление царг и приножек с ножками может осуществляться и с помощью креплений «шип-паз», а затем, для максимальной надежности – еще и металлическим уголками — «сухарями». Эти детали нужно подобрать по ширине деревянных брусков. | |
Если же выбран первый вариант крепления, с помощью саморезов, то сборка и фиксация всех деталей табурета выглядят так, как показано на представленном фото.![]() | |
| В завершение сборки рама табурета должна получиться прочной и устойчивой. При опоре на нее она не должна качаться. | |
| Если ее планируется покрасить или затонировать, то этот процесс проводится перед тем, как будет сделано сиденье. | |
| Для обустройства сиденья для модели, показанной в данном примере, потребовалось 17 кожаных ремней, шириной в 35 мм. Как уже упоминалось, вместо них можно применить ремни безопасности, используемые в автомобилях. Ремни прикручиваются двумя саморезами размером в 10 мм на расстоянии друг от друга в 9 мм, на широкую сторону бруса, выходящую внутрь каркаса табурета. Длину ремней нужно измерить заранее с помощью рулетки, «пройдя» ее гибкой лентой весь путь расположения ремня. Сначала нужно закрепить ремни, которые будут располагаться по длине прямоугольника. Закрепив ремни с внутренней стороны, ими огибают брус, протягивают через каркас сиденья к противоположному брусу-царге, огибают его и закрепляют также на внутренней стороне с помощью тех же саморезов. | |
| После того как будут закреплены продольные ремни, следует таким же образом зафиксировать ремни, которые поперек будут переплетать уже натянутые элементы. Они прикручиваются по одной из длинных сторон каркаса. Затем, каждый из ремней пропускается поперек через продольные ремни, в виде плетения. После этого они также заворачиваются на внутреннюю сторону противоположной царги, натягиваются и прикручиваются. Завершив эту операцию, можно переходить к «испытаниям» изделия. | |
| Другой вариант оформления гибкого сиденья табурета – это натягивание на каркас прочной веревки или шнура. В данном случае использовалась бумажная веревка. Кроме нее необходимо подготовить мебельные гвозди с широкими шляпками и молоток, а также клещи-зажим и шило. | |
Можно приобрести для плетения веревку разных оттенков и вывести на поверхности сиденья один из выбранных рисунков, получив стильный предмет мебели, который дополнит дизайн интерьера.![]() | |
| Конец веревки одного цвета прибивается к обратной стороне царги с помощью двух мебельных гвоздей. | |
| Далее, веревкой аккуратно обматывают две длинные противоположно стоящие царги каркаса. Если каркас квадратный, то процесс укладки веревки можно начинать с любой стороны конструкции. | |
| Оплетая веревкой противоположные царги, ее петли как можно плотнее прижимают друг к другу и натягивают. Закрыв оплеткой примерно 100÷120 мм длины сиденья, веревку временно фиксируют клещами, чтобы она не ослаблялась. Так продолжают работу до тех пор, пока вся поверхность сиденья не будет закрыта намотанной веревкой. | |
| Закончив обтяжку сиденья по двум царгам одним цветом, можно переходить к ее переплетению поперек шпагатом другого цвета. Для этого в данном случае берется белая веревка и закрепляется также на обратной стороне царги, идущей параллельно уже намотанной веревке. | |
С помощью шнура белого цвета из красного фона может быть «выделен» любой рисунок. Этот процесс – сравнительно несложный, и будет доступен даже новичку. | |
| В данном случае белые шнуры протягиваются между красной веревкой так, что в итоге формируется рисунок «ёлочка», то есть получаются полоски, поворачиваемые от центра сиденья по диагонали. | |
| Переплетя 6÷8 рядов и натянув их, белую веревку прихватывают на обратной стороне царги мебельным гвоздем. Если этого не сделать, сиденье при эксплуатации табурета быстро растянется и провиснет. Эту процедуру нужно проводить через каждые 6÷8 рядов, забивая гвозди то на одной, то на противоположной царге. | |
| В результате должно получиться прочное сиденье, имеющее толщину в четыре нити, с интересным дизайном. Если захочется выбрать другой рисунок, сплетенный из трех или даже четырех цветов веревки, то в интернете можно всегда найти именно то, что подойдет к конкретному интерьеру. |
Нужно отметить, что во втором варианте, где сиденье обтягивается веревкой, рама не слишком прочна, и вряд ли выдержит людей с большим весом, но такой табурет отлично подойдет для детской комнаты или в качестве подставки для ног.
При желании изготовить полноценное изделие для сиденья, для каркаса нужно выбирать более массивный брус и укреплять его особо надежно.
Узнайте, как сделать диван своими руками, изучив несколько доступных вариантов, в специальной статье на нашем портале.
В заключение стоит сказать, что изготовить табурет самостоятельно, не имея опыта работы с деревом и специальным инструментом, не так уж и просто, как кажется на первый взгляд. Однако, если есть желание и достаточно терпения, то попробовать себя в роли столяра – вполне можно. Главное, нужно настроиться на серьезную работу, и не делать ее «спустя рукава».
Видео: мастер-класс по изготовлению несложного деревянного табурета
stroyday.ru
Как проходят уроки технологии в современных школах
Несколько десятков лет назад в школах были уроки домоводства, которые позже стали уроками труда, сейчас уже много лет этот предмет называется «Технология».
За долгие годы его содержание не сильно изменилось. «Челнинские известия» посетили школу № 32 и посмотрели, как проходит урок технологии. Мы также поинтересовались у специалистов, стоит ли разделять мальчиков и девочек на таких занятиях.
Мальчиков готовы научить шить, но желающих пока нет
Министерство просвещения утвердило инновационную концепцию преподавания технологии, где говорилось, что школьники займутся на этих уроках изучением робототехники и цифровых технологий. Например, в некоторых московских школах уже отказались от фартуков и табуреток. Навык работы с 3D-принтером или станком ЧПУ сегодня гораздо важнее, чем умение махать молотком, считают в столице.
В челнинских школах стараются не отставать – здесь ребят тоже учат работать со станком ЧПУ, завезли новое оборудование. Но в целом процесс не сильно отличается от уроков в советских школах.
Сегодня много говорят о свободе выбора и о том, что у труда нет пола.
Однако до сих пор в школах с детства учеников разделяют: кабинеты технологии для мальчиков и девочек находятся рядом, и каждый идет в свой, чтобы заниматься только мужскими или только женскими делами. К мужским занятиям по-прежнему относятся умение работать с инструментами, резьба по дереву, чертежи изделий, а к женским – умение владеть иголкой, готовить, вышивать.
Учитель технологии Елена Новгородова преподает этот предмет уже 23 года. В последнее время в программе появилось много новых разделов, а в самих школах – новое оборудование: миксеры, блендеры, вышивальные машины.
Педагог отмечает, что мальчики тоже могут приходить к ней на урок, где их также обучат шить или готовить, но пока таких желающих не нашлось.
– Мы должны научить и мальчиков готовить, и девочек каким-то техническим навыкам. Я, например, даю это в ознакомительном порядке, – поясняет Елена Новгородова. – Давно хочу найти мальчика, который будет участвовать в олимпиаде для девочек, ведь мужчины часто бывают дизайнерами.
Но найти не могу, потому что они просто не хотят сюда приходить. Возможно, стесняются. Хотя в других городах в олимпиаде среди мальчиков участвуют и девочки. Они увлекаются резьбой по дереву, выпиливают, работают лобзиком.
Олимпиады по технологии – одни из самых сложных
Учитель технологии Олег Демидов считает, что объединения мальчиков и девочек на этих уроках не будет, потому что это практико-ориентированный предмет.
– Другое дело, можно проводить деление по желанию. Но все равно специализация мастерских устроена в школах таким образом, что здесь делают слесарные, плотницкие работы, обработку материалов, а у девочек другая специализация, – говорит педагог.
На уроках труда стало больше новых технологий, но и традиционные сохраняются, подчеркивает Олег Демидов.
– Сейчас важна связь с информационными технологиями. Лет десять назад мы все чертили на доске мелом и линейкой, а сейчас делаем красивые чертежи с помощью компьютера.
Также появились станки ЧПУ. Изменения есть, но традиционный труд тоже должен быть, это развивает. Наша цель не сделать какой-то конечный продукт, а обучить навыкам, ознакомиться с инструментами, – объясняет учитель.
По технологии уже несколько лет проводятся олимпиады. В них стремятся участвовать те, кто планирует связать свою жизнь, например, с моделированием одежды или техническими специальностями.
– Я прилагаю очень много усилий для того, чтобы дети участвовали в олимпиаде по технологии. Она считается одной из самых сложных, потому что тут девочкам нужно знать и теорию, и выполнить практику – например, что-либо сшить. Многие дети отказываются, потому что это тяжело, – говорит Елена Новгородова.
Мальчики на олимпиаду везут свои изделия, поделки, участвуют в практической работе и отвечают на теоретические вопросы.
Мальчики на уроках не только мастерят табуретки, но и работают на станках ЧПУ
Дать ребенку свободу выбора?
Психолог Екатерина Сальникова считает, что в том, как нужно обучать труду, нет однозначного решения.
– Все мы очень разные, индивидуальные. В первую очередь я бы рассмотрела то, какие задачи школа вкладывает в воспитание детей на этих уроках. Если задача – гендерное воспитание, чтобы мальчик смог понять, что он мужчина, смастерив табуретку, а девочка могла бы почувствовать себя женщиной, которая может приготовить бутерброд, что-то сшить, то действительно это имеет смысл, – рассуждает Екатерина Сальникова. – Но хочется отметить, что эти гендерные роли усваиваются детьми в более раннем возрасте. Эта некая идентификация проходит еще в семье, ближе к пяти годам, когда мальчик понимает, что он, как папа, и что такое мужские дела, а девочка понимает, что она, как мама. Дети начинают копировать родительские роли.
Существует и другой взгляд на разделение по половому признаку на уроках труда.
– Если же школа ставила задачи вырастить детей, свободных от предрассудков, свободных в своем выборе, то, возможно, не имеет смысла делить этот труд.
Ведь есть девочки, которые бы с удовольствием попилили, построгали, а есть мальчики, которые хотели бы научиться готовить или шить, – говорит специалист. – Возможность выбора играет очень важную роль. На мой взгляд, был бы интересен эксперимент, если бы школы предложили детям этот выбор. Тогда, действительно, мы могли бы учесть все моменты: индивидуальные особенности, потребности, желания. Возможно, задача школы – дать попробовать все, чтобы ребенок смог освоиться и определиться, что ему ближе и что ему подходит.
Следите за самым важным и интересным в Telegram-канале Татмедиа
Технология | СОВРЕМЕННЫЙ УРОК
Технология | СОВРЕМЕННЫЙ УРОКСоздание коллажей в технике «Терра»
Автор: Елена Алексеевна КайльМногие люди, народы сами украшают своё жильё, чтобы создать для себя уют и колорит. Они придумывают разные приёмы и используют разные техники декоративно-прикладного искусства. Создавая шедевры своего творчества, они хотят, чтобы их оценили гости, зрители.
Коллажи в технике «Терра» с элементами флористики новая современная волна творчества, которая вызывает особый интерес у людей для украшения интерьера. Мы узнали с интернета об украшении для интерьера в технике «Терра». Увидев коллажи с флоОпубликовано: 15.02.2021Дистанционный урок «Брошь из фетра»
Автор: Шилова Валентина Николаевна, Мартьянова Ольга ВладимировнаВ современном мире все больше ценится ручной труд и изготовление украшений своими руками. Брошь — одно из самых древних украшений. А броши из фетра мягкие, нежные, оригинальные, как нельзя лучше подходят для изготовления обучающимся с тяжелыми и множественными нарушениями развития. Этот урок научил ребят использовать раннее полученные знания и умения на практике, способствовал познавательной активности учащихся, их творческой работе.
Опубликовано: 15.02.2021Построение чертежа основы плечевого изделия с цельнокроеным рукавом
Автор: Гусманова Люция ВагизовнаВ программе для изучения темы отводится 2 часа.
Это у нас 1 урок, где мы начинаем построение чертежа.
На этапе формулировки темы урока я применила игровой прием, где учащиеся собрали из букв тему урока. Зная тему урока, они определили цель.
Любой процесс познания начинается с импульса, побуждающего к действию. Необходима мотивация. В начале урока, когда идет повторение пройденного материала и подготовка, учащихся к восприятию новой информации я применила ДО и После. Где ребята индивидуальноОпубликовано: 12.02.2021Доклад на тему: «Формирование навыков жизнеобеспечения у учащихся с ограниченными возможностями через уроки сельскохозяйственного труда»
Автор: Илюшина Ирина АлександровнаУроки сельскохозяйственного труда становятся средством не столько трудового воспитания, но и их социальной защиты, т.к. в современных условиях умение обеспечить себя основными продуктами питания, самостоятельное хозяйствование на земле является фактором выживания.
Сельскохозяйственная подготовка детей направлена не только на формирование узкопрофессиональных знаний и умений, но и на формирование жизненно-важных умений и качеств личности таких, как самостоятельность, инициативность, умение приниОпубликовано: 12.02.2021Изготовление женских украшений из бисера
Автор: Александрова Галина ПетровнаМастер класс по изготовлению женского украшения. История появления бисера. Маленькие секреты при работе с бисером.
Опубликовано: 11.02.2021Традиции и инновации в преподавании технологии
Автор: Левагин Юрий Степанович, Левагина Надежда МихайловнаВ статье говорится о применении учителя технологии в работе традиционных методов и инновационных таких как метод проектов, работа в группах.
Опубликовано: 28.01.2021Итоговая проверочная работа по теме «Изготовление поясного изделия (юбка)» 7 класс
Автор: Александрова Галина ПетровнаКонтроль знаний, умений и навыков обучающихся является важной составной частью процесса обучения.
Целью контроля является определение качества усвоения учащимися программного материала, диагностирование и корректирование их знаний и умений, воспитание ответственности к учебной работе. Тестовая проверка позволяет за короткое время проверить знания большого числа учащихся одновременно.Опубликовано: 25.01.2021Метод проектов — основа научно-исследовательской деятельности учащихся
Автор: Петрова Татьяна ВасильевнаСовременная школа должна подготовить выпускников школы к жизни в соответствии с потребностями времени. Метод проектов сегодня относится к педагогическим технологиям ХХl века, как предусматривающий умение адаптироваться в стремительно изменяющимся мире.
Опубликовано: 05.01.2021Кружева из бумаги в технике «Вытынанка»
Автор: Кеменова Марина ИвановнаВытынанка из бумаги – это одно из направлений прикладного декоративного искусства, вырезание на бумаге красивейших узоров, орнаментов, образов, фигур, пейзажей и прочих сюжетов.
Опубликовано: 05.01.2021Изготовление плечевого изделия
Автор: Воронцова Анастасия АлександровнаРабота посвящена теме изготовления плечевого изделия на уроках технологии у девочек в седьмых классах. Автором рассмотрена история возникновения и развития пошива такого плечевого изделия как ночная сорочка. В эссе приведен личный опыт из учительской практики. Описан процесс адаптация уроков технологии на современные запросы обучающихся.
Опубликовано: 03.01.2021Формирование сенсорного восприятия детей со сложной структурой дефекта интеллектуальной недостаточности через дидактические игры
Автор: Виноградова Вероника АлевтиновнаСвою работу я начала с изучения научных исследований по интересующей меня теме, мной были изучены труды отечественных педагогов С.Л.Новоселовой, Н.М.Щелованова о влиянии предметной деятельности на развитие сенсорных функций ребенка.
Изучила методику организации и проведении занятий по сенсорному развитию автора Я.А.Янушко. Познакомилась с психологическими и педагогическими особенностями возраста. Изучила задачи Федерального Государственного Образовательного Стандарта Дошкольного Образования.
ТаОпубликовано: 24.12.2020Применение информационно-коммуникационных технологий на уроках «Технология»
Автор: Касьянов Сергей Васильевич«Технология» – учебный предмет, где теория тесно переплетается с практикой. Он является интегративным, поскольку здесь активно используются знания, полученные при освоении других предметов – математики, физики, химии, биологии, изобразительного искусства и др. При этом развитие технологической культуры и мышления неразрывно связано с развитием творческих способностей.
Опубликовано: 17.12.2020Исследовательский метод — как форма работы с дошкольниками
Автор: Хлебникова Татьяна ФедоровнаКак у старших дошкольников формируется интерес к собственному исследованию, развивается мотивация к проведению исследовательских действий.
при изучении материалов, предметов в продуктивной деятельности.Опубликовано: 15.12.2020Умения и навыки применения полученных знаний на практике
Автор: Викулина Светлана ИвановнаПрактический урок ставит целью непосредственное освоение учащимися рабочих приемов выполнения технологических операций, формирование умений и навыков и занимают основное место в системе уроков по технологии.
Опубликовано: 07.12.2020Графическая грамотность. Чертеж и эскиз на уроках технического и обслуживающего труда
Автор: Луковка Наталия Константиновна, Заика Александр НиколаевичМетодическая разработка урока технологии «Графическая грамотность. Чертеж и эскиз на уроках технического и обслуживающего труда» содержит подробный конспект и приложения к уроку. Урок позволит учащимся 6 класса ознакомиться с измерительными инструментами для выполнения эскиза, линиями на чертеже и эскизе, изучить правила и приемы выполнения эскизов и чертежей деталей и моделей одежды, узнать сходства и различия эскиза и чертежа, выполнить эскиз деталей и эскизы ночной сорочки с цельнокрое
Опубликовано: 06.
12.2020Урок технологии на тему: «Мебельное производство» 6 класс
Автор: Поляков Олег НиколаевичИзготовление табурета. Научить детей планировать работу, применять полученные знания, умения и навыки при разработке изделия по эскизу, прививать навык самостоятельности выполнения работы;содействовать развитию устной связной речи, внимания, мелкой моторики у обучающихся; создать условия для развития навыков культуры труда и аккуратности при выполнении задания, умению оценивать свою работу.
Опубликовано: 06.12.2020Табурет своими руками чертежи и схемы
Изготовление табурета своими руками в домашних условиях
Табурет — это один из самых простейших видов мебельных изделий. Какие бы изменения ни претерпел наш быт, он остается неизменным. Меняются только материалы, из которых он сделан. В советское время сделать табурет своими руками было одним из первых заданий на уроках труда.
Столярное дело знали не только мальчишки. Иногда и представительницам прекрасного пола приходилось постигать азы взрослой жизни и учиться, как сделать табуретку своими руками. Современная мебель мало походит на своих собратьев 50-летней давности. Табуретки из дерева того времени были грубоватые, но прочные. Они прекрасно вписывались в интерьер кухни, как, впрочем, и других помещений. Сейчас в магазинах богатый ассортимент различных видов мебели, но есть и любители, которые хотят узнать, как сделать табурет своими руками. А уж в наше время изобилия строительных материалов, это будет совсем нетрудно.
Основными деталями табурета являются сиденье и ножки. Ножки связываются вверху царгами, а внизу — проножками. Освоившись с терминами, можно заняться чертежами. Во-первых, нужно определиться с размерами. При изготовлении табуретки лучше отталкиваться от старых, но надежных моделей, которые найдутся в каждом доме. Измерив высоту и другие параметры, можно приступить к разработке схемы.
Если же у вас нет образца, то для взрослого табурета размер стороны сиденья составит 300-450мм, детского — 250-280мм. Самодельные табуретки должны быть даже удобнее покупных. Хотя бы потому, что вы сможете подобрать высоту по себе. Обычно размер для взрослого делают 420-480мм, детского — 260-280мм. Чертежи табуреток нужно обязательно иметь при себе, будь то схема из интернета или составленная вами. Ведь на бумаге устранить недочеты куда проще, чем переделывать всю работу.
Материалы и инструменты
Изготовление табурета потребует качественных материалов, которые прошли проверку временем. На первом месте, конечно, древесина. Деревянные табуреты стоят на первом месте по удобству и на втором после кованых — по долговечности. Дерево должно быть просушено в комнатных условиях при 20-30 градусах, дерево камерной сушки брать не стоит, так как не исключена возможность растрескивания. После воздушной сушки материал нужно досушить дома при комнатной температуре около месяца. Лучше всего брать древесину твердых пород: клен, березу, бук, венге, хемлок, махагони.
Или же изготовить из них ножки, которые несут основную нагрузку, а сиденье из сосны, ели, МДФ, ДСП или фанеры.
ДСП — один из самых дешевых, но ненадежных материалов. У него есть плюсы, как, например, влагостойкость. Но при изготовлении табуретки гораздо важнее прочность, а она у ДСП недостаточная, к тому же она слишком хрупкая для мебели, хотя есть пара вариантов, при которых давление на ДСП можно снизить. Но вот постоянное выделение формальдегидных смол, которые делают этот материал небезопасным, к сожалению, полностью ликвидировать нельзя. МДФ — экологичный материал, достаточно прочный. Однако, при изготовлении мебели для кухни своими руками, лучше его использовать в сочетании с деревом твердых пород, особенно в опорах, то есть по сути его берут только на сиденье, или крышку, как его называют в некоторых источниках.
Хорошей заменой дереву является фанера, но тогда придется немного «поколдовать» с конструкцией.
Из фанеры табуретки для кухни получаются из 3 деталей, или из 4-х, так называемые коробчатые.Подобный дизайн сейчас очень распространен, особенно в мебельной промышленности. Хотя он отлично подойдет и при изготовлении табурета своими руками.
Инструменты подбираются в зависимости от материалов. Чтобы сделать деревянные табуреты, нам понадобятся:
- рулетка
- саморезы
- шуруповерт
- угольник
- электролобзик
- стамеска
- наждак
- клей столярный
Как самому сделать классическую табуретку
Для того, чтобы сделать табурет из дерева своими руками, нам потребуется материал (доски, бруски) и инструменты. Если нет электролобзика и нет возможности его приобрести, то делаем так: покупаем недорогую рамочную ножовку по металлу и направляем ее при работе зубьями к себе. Итак, схема готова, материалы закуплены, а при необходимости, просушены, инструменты подготовлены — можно начинать. Можно перед началом работы сделать из бумаги так называемые «лекала», то есть вырезанные из бумаги детали будущего табурета в натуральную величину.
Можно этого и не делать, кому как удобнее.
Начинаем с ножек, они у нас будут с квадратным сечением 50х50мм. Отпилим от бруска 4 одинаковые детали длиной, предположим, 450мм. Затем из цельного куска или из двух половинок собрать сиденье, у нас — 380х380, толщина доски — 20 мм. Далее вырезаем 4 царги для соединения ножек табуретки и 4 проножки. Еще нам понадобятся четыре бруска для дополнительного соединения царг и сиденья. Собирается конструкция по принципу: шип-паз, шипы вырезаются по краям царг, а пазы на ножках будущего табурета. Длина шипа и глубина паза составляет примерно 20-25мм. То же самое делаем и с проножками, которые будут впоследствии крепиться к ножкам. Можно заранее пометить детали для ясности.
Вам будет интересно: Стул для кормления своими руками — все для малышаОбрабатываем наждаком до того, как детали будут собраны, это и удобно, и безопасно. Все детали собираем в начале без клея, подгоняя и, если нужно, подпиливая их. Затем промазываем детали поочередно клеем и собираем их.
Бруски между царгами крепим саморезами к нижней части сиденья «впритирку». Для этого заранее позаботимся о длине крепежа. Несколько слов хочется сказать о клее, которым будем промазывать пазы.
Клей лучше брать специальный, столярный. Этот клей отлично зарекомендовал себя в течение многих лет. Если его нет, то можно взять ПВА, но не канцелярский для бумаги, а тот, который подходит для дерева.
Другие виды
Есть табуреты, которые в изготовлении будут значительно проще, чем классический. Очень распространенным вариантом сейчас является табурет, состоящий из четырех деталей: сиденья, двух широких ножек и укрепляющей перекладины (или перемычки). Такой вариант не должен быть сложным, особенно в сборке. Для него подойдет и дерево, и толстая фанера, и ламинированная ДСП. Крепят такую конструкцию мебельными саморезами и клеем для дополнительной фиксации. Этот вариант очень прост, но есть одна тонкость: укрепляющая перекладина должна иметь форму трапеции со скосом 5мм.
Это нужно для того, чтобы конструкция была более устойчивой.
Можно попробовать свои силы, изготовив облегченный табурет. В этом варианте отсутствуют царги и ножки крепятся непосредственно в пазы сиденья. Для этого крышку сиденья делают из толстого материала. Пазы выполняют непосредственно в сиденье или крепят к нему бруски. В этом случае ножки делают толще, чем обычно. Конечно, времени на такой табурет уйдет значительно меньше, чем на обычный.
Еще одна разновидность табурета — сиденье и две ножки, расположенные крест-накрест, под углом 90 градусов. В этом варианте нет никаких дополнительных деталей, где сама конструкция состоит из 4-х деталей. В этом случае мы можем снова использовать и дерево, и фанеру, и прессованные плиты. Если останавливаемся на деревянной модели, то последний штрих делаем уже после окончательной сборки. Тщательно шлифуем табурет еще раз, а затем уже обрабатываем по своему желанию морилкой, лаком или краской.
Чертеж кухонного табурета.
Нажмите для увеличенияОформляем свой табурет
Свой табурет можно оформить в зависимости от предметов интерьера, где он будет находиться. Можно нанести по поверхности сиденья рисунок аэрозольной краской с помощью трафарета. Затем покрыть поверхность лаком. Или сделать смелый дизайнерский ход и оформить ретро-табурет с помощью декупажа. Это трудоемко, но эффектно, к тому же можно подключить к этому интересному делу всю семью. Для этого нам понадобятся клей ПВА канцелярский, красивые салфетки и лак, лучше акриловый. Результат расскажет не только о вашей аккуратности, но и выявит ваш вкус. В конце концов, можно украсить только сиденье, настелив тонкий поролон для мягкости. Затем задекорировать его красивой тканью и украсить фурнитурой по вкусу. Как говорится, все в ваших руках!
Табурет своими руками: способы изготовления и инструкция по созданию простых и стильных моделей (90 фото-идей)
Табурет – незаменимый предмет мебели.
Его используют и в городских квартирах, и дачных домиках. Модели, представленные в мебельных магазинах далеко не всегда соответствуют требованиям покупателей. Одних не устраивает цена, других – внешний вид и технические характеристики.
Столкнувшись с подобной проблемой, лучшим решением станет изготовление табурета в домашних условиях. Сложного в этом практически ничего нет.
Конструкция
Табурет имеет простейшую конструкцию. Для его создания подойдут даже древесные отходы, бруски, фанера и пр. Стандартная и простейшая модель состоит из нескольких деталей, качественно подогнанных и надёжно соединенных.
Конструктивные элементы, зачастую, одинаковы. Чтобы сделать табурет из дерева, потребуется:
- Крышка. Она имеет круглую или квадратную форму.
- Шканты. С их помощью детали надежно фиксируются.
- Деревянные ножки.
- Дополнительно в конструкции присутствуют такие детали как «сухари», проножки и царги.
Домашним мастерам подобные названия вряд ли о чем-то говорят.
Поэтому рассмотрим их детально. Все они отвечают за соединение табурета и придание ему максимальной прочности.
Царги – это дощечки или бруски, которые находятся под сиденьем. Они соединяют ножки табурета (чаще всего используется шиповое соединение) и формируют надежную опору.
«Сухари» – деревянные или металлические детали в форме уголков, которые монтируются под сиденьем на внутренних углах.
Проножки находятся по центру ножек или в нижней их части. Они соединяют их, повышают прочность и надежность всей конструкции.
Описанные детали не являются обязательными при создании табурета. Но забывать о них не рекомендуется. Они сделают изделие более надежным и безопасным.
Как сделать простейший прямоугольный табурет?
Разобравшись с конструкцией, пора приступать к непосредственному изготовлению. Рассмотрим несколько примеров. Наиболее простым считается прямоугольная модель. Хорошо подходит для маленьких комнат.
Технические характеристики данной конструкции:
Высота готового изделия – от 44 до 50 сантиметров;
- Сечение ножек: 3,5 x 3,5 или 5 x 5 сантиметров;
- Царги – 29 x 6 x 2 сантиметров;
- Распорки – 29 x 2 x 2 сантиметров;
- «Сухари» – 6 x 6 x 2 сантиметров.

Все детали необходимо подготовить заранее. Их можно сделать самостоятельно или заказать в столярной мастерской. Если хотите получить оригинальное и красивое изделие, то следует сделать фигурные или точёные ножки.
Затем идет ответственный этап. Нужно точно вымерить, в каких местах проделать отверстия для креплений. Используется метод сухой сборки. Таким образом, можно обойтись даже без клея.
Инструкция по созданию табурета с разведенными ножками
Рассмотрим пример, как сделать табурет своими руками, в котором ножки будут расходиться в разные стороны.
Ножки изготавливаем из четырех брусков. Они должны быть одинаковыми по размеру. Рекомендуется использовать пилу с угловым методом резки. Она поможет не допустить погрешностей и получить идеальные по размеру детали.
Ровно отрезаем верхушку ножек и соединяем бруски. Они должны находиться перпендикулярно по отношению к полу. Чтобы не запутаться, на внутренних углах рекомендуется делать пометки.
Из маленьких брусков делаем ножкам наружные распорки. Чтобы их надежно скрепить, проделываем отверстия по периметру. Убедитесь, что их форма соответствует шипам распорок. Во время монтажа используем столярный клей. Он повысит надежность готового изделия.
Для проножек, располагающихся по бокам, подготавливаем глухие пазы. Бруски, которые вставляются в них, надо хорошенько закрепить.
В верхнем основании размечаем отверстия и прикрепляем четыре ножки. Для этого потребуется клеевой состав и шурупы. После этого табурет нужно оставить на несколько часов, чтобы клей высох.
Делая круглый табурет своими руками можно позаботиться о дополнительном декорировании изделия. К примеру, сидение обивается поролоном и кожей (бюджетный вариант — кожзаменитель). Это сделаем его мягким и более удобным. Поролон нужно обрезать по бокам.
Желательно округлить верхние края и накрывать его обивочным материалом. Чтобы все это надежно держалось, нужно воспользоваться монтажным степлером.
Скобами крепим материал к нижней части сиденья.
Также сидение можно украсить тесьмой, мехом, бахромой и т.п. Если не хватает фантазии, то посмотрите в интернете и вдохновитесь примерами фото табуретов, сделанных домашними мастерами.
Если вы не планируете обивать сидение кожей и поролоном, то качественно его зачистите наждачной бумагой, покройте морилкой и нанесите слой защитного лака. Боковые части из ДСП рекомендуется обрабатывать напильником.
Фото табуретов своими руками
Также рекомендуем просмотреть:
Как сделать табурет чертёж | Сам Себе Строитель
Как сделать табурет из дерева, чертежи, видео, фото табуретов.
Сделать деревянный табурет довольно просто, в этой статье мы подробно с чертежами и фото рассмотрим процесс изготовления самой популярной табуретки.
Табурет это самая простая модель стула без спинки, он всегда пригодится в хозяйстве, для его изготовления понадобятся бруски, доска, столярный клей, саморезы и лак.
Для работы с древесиной понадобятся обычные инструменты:
- Ножовка.
- Стамеска.
- Рубанок.
- Киянка.
- Молоток.
- Шлифовальная машинка или наждачная бумага.
- Угольник.
- Рулетка и карандаш.
- Желательно струбцины.
Чертёж табурета.
На рисунке можно посмотреть подробный чертёж табурета со всеми размерами.
Как видно из рисунка конструкция табурета предельно проста и состоит из таких элементов:
- Ножки.
- Верхние перемычки «Царги».
- Нижние перемычки «Проножки».
- Сиденье.
Для изготовления табурета понадобятся:
- Брус сечением 40 х 40 мм для ножек.

- Доска или фанера толщиной 15 – 20 мм для сиденья.
- Доска 50 х 20 для верхних перемычек.
- Рейка 30 х 20 для нижних перемычек.
- Саморезы для крепления сиденья.
Сначала делаем ножки табурета, ножки можно сделать прямыми или скошенными. Затем делаем верхние горизонтальные перемычки между ножками и нижние перемычки, которые нужны, чтобы укрепить ножки стула.
Соединяем верхние и нижние перемычки с ножками по методу «паз – шип».
В перемычках делаем шипы, в ножках пазы. Глубина пазов 20 мм, длина шипов соответственно 20 мм.
Изготовляем сиденье, можно использовать фанеру или цельную широкую доску, как вариант соединить несколько небольших досок также по методу «паз – шип».
Собираем конструкцию, если нет ли перекосов, разбираем, каждый шип и паз промазываем столярным клеем, и обратно собираем воедино. Чтобы обеспечить более прочное склеивание деталей, рекомендуется их на сутки стянуть струбцинами.
Крепим к каркасу сиденье, с лицевой стороны сиденья в каждую ножку вкручиваем саморез, шляпки нужно немного утопить в доске, затем замазать замазкой по дереву в цвет древесины.![]()
Готовый табурет остаётся вскрыть пару раз прозрачным лаком, можно предварительно покрыть древесину морилкой и придать ей нужную текстуру дерева (красное дерево, дуб, орех и пр.) и затем покрыть прозрачным лаком.
Фото как сделать табурет.
Как сделать табурет своими руками видео.
Также рекомендую почитать интересную статью о том как изготовить деревянный стол для дачи.
(Пока оценок нет) Загрузка…Как сделать табурет своими руками — фото популярных вариантов
Табурет один из видов мебели и предназначен в основном для использования на кухне.
Обычный, классический табурет состоит из:
- Крышка — 1 шт.
- Ножки — 4 шт.
- Царга — 4шт.
- Проножки — 4 шт.
Если кому-то захочется изготовить табурет своими руками, то особых трудностей не предвидеться.
Конечно, если вы никогда не мастерили из дерева, то с первой попытки может и не получиться сделать качественный и надёжный табурет.
Но это совсем не означает, что вы не должны попробовать силы в столярном искусстве.
Табурет из древесины
Если вы приняли решение изготовить табурет из дерева, то для этой цели потребуется:
- строганая, без сучков, червоточины и расколов доска, толщиной 25 мм.
- черепной брусок;
- электропила или ножовка с маленьким ходом зуба;
- саморезы впотай 30 штук на один табурет размером 6×60 мм;
- шуруповёрт;
- металлический угольник: он не допускает погрешностей в отличие от деревянного;
- металлический метр или рулетка;
- наждачная шкурка;
- любой, небольшого размера брусочек, который мы будем обматывать наждачной шкуркой для ошкуривания поверхностей деталей.
Готовим крышку
Крышка должна быть квадратной формы и её размеры могут варьироваться в пределах:
Это наиболее оптимальные размеры, принятые за основу в производстве табуретов.
Однако, раз табуретка выполняется самостоятельно, то можно учесть и габариты тела членов семьи.
Покупая пиломатериал, учтите то, что он должен быть сухим.
Сухой пиломатериал строгается без заусенца, хорошо поддаётся обработке шлифовальной шкуркой, в дальнейшем не рассохнется, не будут выпадать саморезы и изделие не превратится в колченогую табуретку.
Так как мы первый раз делаем табуретку, то выбираем размер 40х40, так будет проще понять и научиться работать самостоятельно.
Желательно выбрать доску шириной 20 сантиметров, тогда отпадёт необходимость состругивать лишние сантиметры.
Отпиливаем по длине доски два куска по 40 сантиметров.
Берём наждачную бумагу 40–60 К, наматываем её на брусок и начинаем зачищать кромки и торцы у заготовок. Если есть явно выраженные неровности на плоскости, то этой же наждачной бумагой зачищаем и её.
На втором этапе зачистки применяем наждачную бумагу 80–120 К.
Так же проходим по плоскости, кромке и торцах.
На завершающем этапе применяем бумагу марки 160–320 К.
Не исключено, что может понадобиться наждачная шкурка и другого вида: многое зависит от породы древесины и использованного распиловочного инструмента.
Готовим царги
От доски шириной 20 см, отпиливаем кусок, длиной 27-28 сантиметров.
Распускаем его на циркулярной пиле на 4 части по 5 сантиметров каждая.
Берём наждачную шкурку марки 40–60 К и тщательно зачищаем торцы, чтобы в дальнейшем не получилось просветов между царгой и ножкой.
Сначала наждачной шкуркой марки 80–120 К, затем 160–320 К зачищаем поверхности.
Готовим проножки
Отпиливаем от доски отрезок такой же длины, что и царга. Распускаем на циркулярной пиле 4 заготовки по 3-4 сантиметра.
Берём наждачную шкурку марки 40–60 К и скрупулёзно зачищаем торцы, чтобы избежать зазора между проножкой и ножкой. Зачищаем поверхности шлифовальной шкуркой марки 80–120 К.
Для полного завершения изготовления заготовки, используем шкурку 160–320 К.
Готовим ножки
От черепного бруска сечением 3х3 сантиметра отпиливаем 4 отрезка длиной по 42 сантиметра.
Шлифовальной шкуркой марки 40–60 К, зачищаем один торец, который будет под крышкой табуретки.
Поверхности ножки отшлифовываем сначала шкуркой 80–120 К, а затем шкуркой 160–320 К. Ножки готовы.
Сборка табурета
Берём две ножки, раскладываем их на верстаке или столе, зачищенным торцом вверх. Между ними сверху, заподлицо с торцом ножки, прокладываем царгу. Снизу ножек, между ними, на расстоянии 10 сантиметров от нижнего торца прокладываем проножку.
Закрепляем на саморезы с двух сторон, царгу с ножками и проножку с ножками.
Проделываем то же самое со второй парой ножек.
Закрепляем саморезами оставшиеся две царги и проножки, с обеих сторон ножек на одной из собранной конструкции, на том же уровне, что и уже установленные элементы.![]()
Прикладываем сверху вторую собранную конструкцию и закрепляем на саморезы.
Собранную конструкцию ставим на ножки, сверху распределяем заготовки от крышки, и закрепляем их саморезами.
Табурет готов.
Фото идеи как сделать табурет своими руками
Наглядный урок для американских лейбористов
Библиотека Конгресса не владеет правами на материалы в своих коллекциях. Таким образом, он не лицензирует и не взимает плату за разрешение на использование таких материалов и не может предоставить или отказать в разрешении на публикацию или иное распространение материала.
В конечном итоге, исследователь обязан оценить авторские права или другие ограничения на использование и получить разрешение от третьих лиц, когда это необходимо, перед публикацией или иным распространением материалов, найденных в фондах Библиотеки.
Для получения информации о воспроизведении, публикации и цитировании материалов из этой коллекции, а также о доступе к оригинальным элементам см .: Cartoon Drawings — Rights and Restrictions Information
- Консультации по правам : Может быть ограничено: информация о правах на воспроизведение доступна в Положении об ограничениях LC P&P.
- Номер репродукции : —
- Телефонный номер : Компакт-диск 1 — Берриман (К.К.), нет. 71 (размер A)
- Консультации по доступу : —
Получение копий
Если изображение отображается, вы можете скачать его самостоятельно. (Некоторые изображения отображаются только в виде эскизов вне
Библиотеке Конгресса США по соображениям прав, но у вас есть доступ к изображениям большего размера на
сайт.
)
Кроме того, вы можете приобрести копии различных типов через Услуги копирования Библиотеки Конгресса.
- Если отображается цифровое изображение: Частично качество цифрового изображения зависит от того, был ли он сделан из оригинала или промежуточного звена, такого как копия негатива или прозрачность. Если поле «Номер воспроизведения» выше включает номер воспроизведения, который начинается с LC-DIG …, то есть цифровое изображение, сделанное прямо с оригинала и имеет достаточное разрешение для большинства целей публикации.
- Если есть информация, указанная в поле «Номер репродукции» выше: Вы можете использовать номер репродукции, чтобы приобрести копию в Duplication Services. Это будет
составлен из источника, указанного в скобках после номера.
Если указаны только черно-белые («черно-белые») источники, и вы хотите, чтобы копия показывала цвет или оттенок (если они есть на оригинале), вы обычно можете приобрести качественную копию оригинал в цвете, указав номер телефона, указанный выше, и включив каталог запись («Об этом элементе») с вашим запросом.

- Если в поле «Номер репродукции» выше нет информации: Как правило, вы можете приобрести качественную копию через службу копирования. Укажите номер телефона перечисленных выше, и включите запись каталога («Об этом элементе») в свой запрос.
Прайс-листы, контактная информация и формы заказа доступны на Веб-сайт службы дублирования.
Доступ к оригиналам
Выполните следующие действия, чтобы определить, нужно ли вам заполнять квитанцию о звонках в Распечатках. и Читальный зал фотографий для просмотра оригинала (ов). В некоторых случаях суррогат (замещающее изображение) доступны, часто в виде цифрового изображения, копии или микрофильма.
Товар оцифрован? (Уменьшенное (маленькое) изображение будет видно слева.)
- Да, товар оцифрован.
Пожалуйста, используйте цифровое изображение вместо того, чтобы запрашивать оригинал. Все изображения могут быть
в большом размере, когда вы находитесь в любом читальном зале Библиотеки Конгресса. В некоторых
случаях доступны только эскизы (маленькие) изображения, когда вы находитесь за пределами библиотеки
Конгресс, потому что права на товар ограничены или права на него не оценивались
ограничения.
В качестве меры по сохранности мы обычно не обслуживаем оригинальный товар, когда цифровое изображение доступен. Если у вас есть веская причина посмотреть оригинал, проконсультируйтесь со ссылкой библиотекарь. (Иногда оригинал слишком хрупкий, чтобы его можно было использовать. Например, стекло и пленочные фотографические негативы особенно подвержены повреждению. Их также легче увидеть в Интернете, где они представлены в виде положительных изображений.
) - Нет, товар не оцифрован. Пожалуйста, перейдите к # 2.
- Да, товар оцифрован.
Указывают ли указанные выше поля Консультативного совета по доступу или Номер вызова, что существует нецифровой суррогат, типа микрофильмов или копий?
- Да, есть еще один суррогат. Справочный персонал может направить вас к этому суррогат.
- Нет, другого суррогата не существует. Пожалуйста, перейдите к # 3.
- Если вы не видите миниатюру или ссылку на другого суррогата, заполните бланк звонка.
Читальный зал эстампов и фотографий. Во многих случаях оригиналы могут быть доставлены в течение нескольких минут.
Другие материалы требуют записи на более позднее в тот же день или в будущем.
Справочный персонал может
посоветуют вам как заполнить квитанцию о звонках, так и когда товар может быть подан.
Чтобы связаться со справочным персоналом в Зале эстампов и фотографий, воспользуйтесь нашей Спросите в библиотеке или позвоните в читальный зал с 8:30 до 5:00 на 202-707-6394, и нажмите 3.
трудовых вопросов | Обучение правосудию
Основы
Чтобы понять дебаты по поводу Закона о свободном выборе сотрудников, нужно понимать основы рабочего движения и профсоюзной организации. Это непросто в мире, в котором профсоюзная организация достигла дна.Сегодня в профсоюзы входят менее десяти процентов американских рабочих по сравнению с 35 процентами в середине 20 века. Тем не менее, всем нам выгодны такие правила, как 40-часовая рабочая неделя, минимальная заработная плата и правила техники безопасности на рабочем месте.
Этот урок основан на предварительных знаниях студентов, чтобы помочь им понять важность рабочего движения, и дает им поддержку, которая может стимулировать дальнейшие исследования.
Дополнительные ресурсы
На основе вопросов, поднятых в отчете SPLC, Несправедливость на наших тарелках: женщины-иммигранты в США.S. Food Industry , Teaching Tolerance разработала семь тематических уроков. Посредством избранных чтений и мероприятий студенты будут изучать вопросы, связанные с зависимостью нашей страны от иммигрантского труда, и реалиями жизни на нижней ступеньке экономической лестницы. Эти уроки могут помочь учащимся лучше понять влияние на их жизнь иммигрантов без документов, таких как женщины, которые рассказывают свои истории в отчете.
Деятельность
1. Попросите своих учеников поднять руки, если они работают в настоящее время или работали в прошлом.
2. Спросите их, какой работой они занимались, и запишите их ответы на доске. Сколько они зарабатывают в час? Запишите эти ответы на доске.
3. Попросите учащихся описать понятие минимальной заработной платы. Знают ли они, какова минимальная заработная плата для их района и их работы? Каковы ограничения на количество часов, в течение которых студенты могут работать, и какие существуют правила техники безопасности?
4.
Спросите студентов, могут ли они объяснить происхождение минимальной заработной платы и 40-часовой рабочей недели.Некоторые могут сказать, что федеральная минимальная заработная плата была установлена в 1930-х годах, или что профсоюзы настаивали на 40-часовой рабочей неделе. Но могут ли они говорить о деталях? Какие действия предпринимали рабочие и активисты, чтобы минимальная заработная плата была установлена законом и соблюдалась?
5. Дайте вашим ученикам возможность узнать ответы на эти вопросы. Разделите студентов на группы по четыре или пять человек и раздайте каждой группе экземпляры одной из следующих статей: «Американский труд», «Мать Джонс», «Сэмюэл Гомперс», «Закон о справедливых трудовых стандартах» или «Всеобщая забастовка в Сиэтле: рабочие прачечной». «.
6. Попросите учащихся поработать со своей группой, чтобы прочитать их статьи и ответить на следующие вопросы:
- Согласно вашей статье, кто руководил продвижением минимальной заработной платы и ограничения продолжительности рабочей недели?
- Почему они хотели эти изменения?
- Кто им противостоял и почему?
- Какую тактику использовали сторонники минимальной заработной платы и ограниченной рабочей недели для достижения своих целей?
- Какую тактику использовали противники?
- Какие термины в этой статье были для вас новыми? Может ли кто-нибудь из ваших однокурсников объяснить, что они имеют в виду?
7.
Попросите студентов записать свои ответы на каждый из этих вопросов, потому что они представят свои выводы другим студентам через несколько минут.
8. Дайте учащимся десять или более минут для работы над своими ответами. Затем разделите студентов на новые группы. Каждая группа должна включать по одному члену каждой из предыдущих групп. Другими словами, в каждой группе должен быть один человек, который прочитает каждую из статей, которые вы передали.
9. Попросите учащихся поработать со своими группами, чтобы заполнить краткую историю движения за установление минимальной заработной платы и 40-часовой рабочей недели.История должна ответить на следующие вопросы.
- Какие люди и организации отвечают за федеральную минимальную заработную плату и 40-часовую рабочую неделю?
- Как долго эти люди / организации боролись за эти изменения?
- Как эти люди и организации сделали так, чтобы голоса были услышаны?
- Какими были условия труда до принятия Закона о справедливых трудовых стандартах 1938 года?
- Если бы мы возглавили движение за улучшение условий труда сегодня (например, подняли «субминимум» для работников младше 20 лет до той же минимальной заработной платы, которую получают другие работники), как бы мы это сделали?
- Какие термины и идеи из этой истории вам в новинку? О каких идеях вы хотите узнать больше?
10.
Дайте студентам достаточно времени, чтобы обсудить и обобщить свои ответы. Затем попросите каждую группу представить свои выводы. Вы можете попросить каждую группу представить только один из вопросов.
11. Запишите ответы студентов на последний вопрос. Такие понятия, как коллективные переговоры или сидячие забастовки, могут быть чужды вашим ученикам. Объясните их или дайте вашим ученикам возможность исследовать и определить сами термины. Учащиеся будут развивать эти знания на следующем уроке.
Расширение деятельности
Чтобы сделать урок на шаг впереди, учителя, имеющие доступ в Интернет, могут показать студентам новости о недавней профсоюзной акции в Republic Windows and Doors в Чикаго. Попросите учащихся определить тактику, которую использовали эти активисты, и требования, которые они выдвигали. Ваши ученики могут провести дополнительное исследование, чтобы узнать результат забастовки.
уроков — YE Academy
Урок
.Дополнительные уроки
Мероприятия
Перспективный бизнес
Prospective Business — это учебная деятельность, основанная на проектах, позволяющая студентам использовать все концепции, полученные в ходе их обучения в YE.
Цель создания перспективной бизнес-модели и потенциального участия в бизнес-конкурсе состоит в том, чтобы объединить 4 столпа (базовые ценности, мягкие навыки, рынки и трансформационное мышление) по мере их работы через холст бизнес-модели, чтобы создать возможность, которая позволяет им использовать свои врожденные знания, навыки и способности вместе со своими увлечениями, создавая ценность для других. Студенты могут использовать бизнес-модель для участия в классных, местных или национальных соревнованиях. Студенты также могут использовать свою модель для открытия своего личного малого бизнеса!
- Перечень материалов
- Необходимые материалы будут зависеть от прототипов, которые ваши ученики решат создать, и / или результатов, которые вам от них требуются.
- Потенциальные ресурсы, которые могут быть под рукой: складка, плакатная доска, маркеры, ножницы, палочки для мороженого, картон и т. Д.
- Дополнительные вспомогательные документы: журнал действий, журнал проекта, журнал исследований, журнал размышлений, холст личности, холст бизнес-модели
- Темы уроков
- В этом упражнении 7 частей, но некоторые части могут быть короче других по времени.

- Студенты будут использовать пять этапов процесса дизайн-мышления, чтобы определить конкретную потребность и сгенерировать одно решение (ценностное предложение) или, возможно, несколько возможных решений, отвечающих конкретным потребностям их целевого рынка.
- Это практическая работа с приложением, так как учащимся будет предложено протестировать свои прототипы и продолжить итерацию своего решения или решений.
Дополнительные уроки
Мероприятия
Поддержка студентов
YE активно разрабатывает руководство, которое поддерживает преподавателей, когда вы думаете о том, как можно реализовать социально-эмоциональное обучение и методы преподавания с учетом культурных особенностей, одновременно облегчая различные мероприятия для создания учебной среды, ориентированной на учащихся.Схема, приведенная ниже, включает вопросы и учебные методы, которые следует учитывать при планировании, облегчении и осмыслении опыта в классе. Помните: это путешествие вместе с вашими учениками.
От вас не ожидается ни совершенства, ни всех знаний!
- Темы уроков
- Youth Entrepreneurs помогает студентам раскрывать, развивать и применять врожденные таланты и способности, чтобы полностью раскрыть свой потенциал.
- Посредством изучения принципов предпринимательства и принятия Основополагающих ценностей учащиеся будут двигаться к полному раскрытию своего потенциала.
Дополнительные уроки
Мероприятия
SEL и YE Дорожная карта
В течение почти 30 лет молодежные предприниматели слышали свидетельства преподавателей, использующих нашу учебную программу, в которой их ученики превращались из застенчивых, тихих, отстраненных учеников в участвующих, вовлеченных и полных жизни к концу семестра или учебного года. Мы считаем, что эта трансформация произошла потому, что в ходе занятий по программе YE студенты смогли практиковать и оттачивать свои навыки, связанные с 5 основными компетенциями социально-эмоционального обучения (SEL).
- Темы уроков
- Практика SEL согласуется с основным принципом YE, Essential / Soft Skills, поскольку студенты больше узнают о себе и о том, как они могут лучше взаимодействовать с другими, с которыми они взаимодействуют.
- Поскольку YE дает педагогам возможность помочь учащимся раскрыть свой потенциал, компетенции SEL являются неотъемлемой частью экспериментального подхода YE к обучению.
Дополнительные уроки
Мероприятия
Основные разговоры
Команда Training & Curriculum проводит виртуальное обучение Core Conversations, чтобы познакомить участников с реализацией четырех столпов и ключевых концепций в рамках мероприятий YE Core.Вы найдете записи разговоров, а также дополнительные сопроводительные материалы.
- Темы уроков
- Имейте под рукой свое Основное полевое руководство, чтобы всегда было ссылаться на него.
Дополнительные уроки
Мероприятия
Развивайте свою основную инфографику
Пройдите по этой тропе и возьмите своих учеников
увлекательное, практическое приключение.
Следите за ним внимательно —
или вводить новшества. В любом случае вы снабдите их
знания, навыки и опыт, необходимые для
достичь большего, чем они когда-либо считали возможным.
- Перечень материалов
- Используйте Основное практическое руководство, чтобы узнать больше о реализации четырех столпов и базовых знаниях ключевых концепций.
Дополнительные уроки
Мероприятия
Мышление о свободных участках
Сегодня и каждый день, по всей Америке, от побережья до побережья, от сельских поселений до пригородов и городских районов, американские студенты будут ходить, крутить педали и проезжать мимо ландшафта, усеянного пустырями и заколоченными витринами.Существует поразительное сходство между проблемами, которые представляют собой эти пустыри, и проблемами, с которыми сталкиваются наши ученики, школы и сообщества. В YE мы обучаем наших студентов рассматривать эти пустыри не только как проблемы, которые необходимо решить, но и как личную возможность благодаря мышлению о возможностях изменить ситуацию, создавая ценность для себя и других.
- Перечень материалов
- Печатная или электронная версия фотографий с вакантного участка
- Маркеры
Дополнительные уроки
Мероприятия
Core Field Guide
Этот буклет предназначен для использования в качестве практического руководства по реализации Четырех столпов программы YE — восьми основополагающих ценностей, мягких навыков, валюты и аукционов и трансформационного мышления, а также 14 дополнительных мероприятий, направленных на основной контент таким образом, чтобы оптимизировать результаты .Мы написали это практическое руководство, чтобы предоставить ключевые знания о контенте и упростить процесс применения Core.
Дополнительные уроки
Мероприятия
CPV Треугольник
В основе предпринимательства лежит мир добровольного обмена и взаимовыгодного сотрудничества. Каждую неделю мы совершаем сотни взаимовыгодных сделок. Помня об этом, мы должны увидеть полную картину и научиться работать более продуктивно, создавая ценность для обеих сторон торговли, что ведет к процветанию для нас самих, наших семей и наших сообществ.
Треугольник CPV — это графический органайзер и ментальная модель, которая помогает деконструировать и измерить компоненты транзакций. Треугольник CPV помогает сформировать предпринимательское мышление, взяв за основу принципиальное поведение. Концепции, полученные с помощью CPV, применимы не только к бизнес-транзакциям, но и ко всем транзакциям, которые мы совершаем индивидуально. В этом упражнении студенческие команды будут рисовать, маркировать и обсуждать элементы треугольника CPV, чтобы более подробно рассмотреть вопрос «Как выглядит беспроигрышный вариант и создание ценности для других?»
- Перечень материалов
- YE долларов
- Большая плакатная бумага (один лист на группу)
- Маркеры (4-5 разных цветов в группе)
- Темы уроков
- CPV Triangle следует за торговой игрой в нашей дорожной карте YE Core как способ ввести добровольный обмен и беспроигрышный вариант
- Вы можете сделать первый шаг во время первого урока и второй шаг в следующий урок
Дополнительные уроки
Мероприятия
Все об аукционах
Дополнительные уроки
Мероприятия
Основные ценности: модель поведения
В «Молодежных предпринимателях» принципы, определяющие поведение, называются «Основополагающими ценностями».
Эти ценности YE являются центральными в нашей учебной программе и важны для развития наших студентов. Узнайте о модели поведения, основанной на основных ценностях.
Дополнительные уроки
Мероприятия
Исследование рынка Hershey’s
Это упражнение, состоящее из двух частей, предназначено для ознакомления ваших студентов с основными исследованиями рынка. Цель упражнения — дать студентам возможность в Части 1 разработать простое исследование рынка.В Части 2 ваши студенты будут применять результаты исследования рынка.
- Перечень материалов
- Раздаточный материал Hershey’s Market Research
- Доска для плакатов / бумага для мольберта / бумага для мясников / бумага для больших наклеек
- Маркеры
- Темы уроков
- Hershey’s Market Research учитывает фактор бумажного самолетика как часть нашей дорожной карты YE Core.
Дополнительные уроки
Мероприятия
FV: беспроигрышный фокус
Молодежные предприниматели ценят «Принципиальность» учит студентов порядочности, уважению и терпимости.
Принципиальный подход к жизни и работе ведет к долгосрочному успеху. Из этой серии вы узнаете об этой ценности и о том, как применять ее в классе.
- Темы уроков
- Win-Win Focus — Сотрудничество создает реальную ценность в обществе — для вас и других.
Дополнительные уроки
Мероприятия
FV: здравое суждение
Основополагающая ценность Обоснованное суждение: Используйте экономическое мышление для получения максимальной выгоды при минимальных ресурсах.
- Темы уроков
- Основополагающие ценности YE лежат в основе всего, что мы делаем.
- Основополагающие ценности были разработаны с учетом элементов процветающего общества.
- Эти восемь ценностей отражают практические концепции, которые студенты могут применить в своей жизни.
Дополнительные уроки
Мероприятия
FV: возможность
Основная возможность создания ценности: вы создаете свои собственные возможности.
- Темы уроков
- Основополагающие ценности YE лежат в основе всего, что мы делаем.
- Основополагающие ценности были разработаны с учетом элементов процветающего общества.
- Эти восемь ценностей отражают практические концепции, которые студенты могут применить в своей жизни.
Дополнительные уроки
Мероприятия
FV: Страсть
Основополагающая ценность Страсть: найти удовлетворение в своей жизни, улучшая жизнь других.
- Темы уроков
- Основополагающие ценности YE лежат в основе всего, что мы делаем.
- Основополагающие ценности были разработаны с учетом элементов процветающего общества.
- Эти восемь ценностей отражают практические концепции, которые студенты могут применить в своей жизни.
Дополнительные уроки
Мероприятия
FV: Freedom
Основополагающая ценность Свобода: уважать права других и изучать связи между свободой, предпринимательством и социальным благополучием.
- Темы уроков
- Основополагающие ценности YE лежат в основе всего, что мы делаем.
- Основополагающие ценности были разработаны с учетом элементов процветающего общества.
- Эти восемь ценностей отражают практические концепции, которые студенты могут применить в своей жизни.
Дополнительные уроки
Мероприятия
FV: Знание
Основополагающая ценность Знания: ищите и используйте лучшие знания, проводите изменения, которые принесут пользу другим, и демонстрируйте смирение и интеллектуальную честность.
- Темы уроков
- Основополагающие ценности YE лежат в основе всего, что мы делаем.
- Основополагающие ценности были разработаны с учетом элементов процветающего общества.
- Эти восемь ценностей отражают практические концепции, которые студенты могут применить в своей жизни.
Дополнительные уроки
Мероприятия
FV: Будьте принципиальны
Принцип Основополагающая ценность: всегда действовать честно, уважительно и терпимо.
- Темы уроков
- Основополагающие ценности YE лежат в основе всего, что мы делаем.
- Основополагающие ценности были разработаны с учетом элементов процветающего общества.
- Эти восемь ценностей отражают практические концепции, которые студенты могут применить в своей жизни.
Дополнительные уроки
Мероприятия
FV: Ответственность
Основные ценности Ответственность: Возьмите на себя ответственность за свою жизнь.Никто никогда не будет так озабочен вашим успехом, как вы.
- Темы уроков
- Основополагающие ценности YE лежат в основе всего, что мы делаем.
- Основополагающие ценности были разработаны с учетом элементов процветающего общества.
- Эти восемь ценностей отражают практические концепции, которые студенты могут применить в своей жизни.
Дополнительные уроки
Мероприятия
Обучение мягким навыкам
Мягкие навыки — это личные качества, которые дополняют технические навыки и знания человека.
По данным Career Builder, 77% работодателей говорят, что мягкие навыки так же важны, как и тяжелые навыки. Профессора колледжей считают, что для успеха в колледже важны те же навыки.
- Перечень материалов
- Ресурсы для занятий и уроков см. В Руководстве по занятиям
- Темы уроков
- Мягкие навыки включают в себя: личную трудовую этику и честность, юридические и этические обязанности, навыки межличностного общения и т. Д.
Дополнительные уроки
Мероприятия
Ковбойская клякса и поиск чисел
Этот урок посвящен видению и обмену знаниями. Важно, чтобы любая группа, организация или бизнес доносили свое видение, имели общее видение и делились знаниями, необходимыми для достижения общих целей.
- Перечень материалов
- Cowboy Inkblot и Найди числа PowerPoint
- Дополнительно: раздаточный материал для ковбойских пятен
- Необязательно: раздаточный материал «Найдите номера»
- Темы уроков
- Вы захотите пройти этот урок в начале года; в идеале при внедрении предпринимательства.

- Студентам не нужны предварительные знания.
- Cowboy Inkblot и Find the Numbers следует за Башнями в нашей дорожной карте YE Core.
Дополнительные уроки
Мероприятия
Карты Speak Out
Карточки Speak Out позволяют студентам практиковаться, когда они стоят перед другими и говорят непредсказуемо.Во время этой деятельности для студентов небольшой риск, но высокая отдача.
- Перечень материалов
- Карты Speak Out
- Таймер
- YE Валюта
- Темы уроков
- Speak Out Cards можно использовать в течение всего учебного года.
- Для успешной работы с Speak Out Cards учащимся не требуются какие-либо предварительные знания.Вы можете использовать карточки Speak Out Cards в течение первых или последних 15 минут занятия. Вы можете заниматься с определенным количеством студентов каждый день. Вы можете делать это, пока каждый ученик не уйдет хоть раз.
На самом деле это просто зависит от того, чем вы хотите заниматься, и от количества свободного времени. - Speak Out Cards следует за CPV Triangle в рамках нашей дорожной карты YE Core.
Дополнительные уроки
Мероприятия
Башни
Towers — это игра, которая демонстрирует важность как ведения прибыльного бизнеса, так и правильного ведения бизнеса.«После прохождения Towers студенты лучше понимают важность ведения бизнеса с использованием Основополагающих ценностей для создания долгосрочной ценности.
- Перечень материалов
- Бумага и газета
- Ножницы
- Лента
- Темы уроков
- Towers — это первое мероприятие в нашей дорожной карте YE Core.
- Это можно повторить в любой момент вашей программы.
Дополнительные уроки
Мероприятия
Грязь и черви
Упражнение «Грязь и черви» позволяет вашим ученикам продолжать практиковаться в вычислении COGS.
Это задание заложит основу, необходимую вашим ученикам для развития понимания цен, а также финансирования.
- Перечень материалов
- Чашки для шоколадного пудинга — по одной на каждого ученика
- Печенье Oreo — достаточно, чтобы у каждого ученика было 3 печенья
- Мармеладных червей — достаточно, чтобы у каждого ученика было 2 червяка
- Темы уроков
- Вы можете выполнить задание «Грязь и черви» в любой момент во время курса «Молодежь-предприниматель».
- Студенты должны иметь базовое представление о затратах и единицах продаж, чтобы успешно выполнить это задание.
- Dirt and Worms следует за исследованием рынка Hershey’s Market Research в рамках нашей дорожной карты YE Core.
Дополнительные уроки
Мероприятия
Тыльная сторона салфетки
Практические занятия имеют решающее значение для обучения в классе молодых предпринимателей.
Большинство студентов лучше усваивают ценности и концепции на собственном опыте, чем на лекции. Задняя часть салфетки — это упражнение, которое вы сможете применить во многих различных сценариях в вашем классе, и оно разработано как надежный инструмент для студентов во всех их начинаниях, в настоящем и будущем. Посмотрите эти видеоролики, чтобы узнать, почему Back of the Napkin — отличный инструмент и как им пользоваться.
- Перечень материалов
- Смарт-доска / Белая доска / Бумага для диаграмм
- Маркер / маркер сухого стирания
- Калькулятор
- Темы уроков
- Back of the Napkin — это инструмент, который помогает студентам, когда они обдумывают, что продать в Базарный день.
- Это упражнение можно использовать как введение в COGS.
- Back of the Napkin следует за Dirt & Worms в рамках нашей дорожной карты YE Core.
Дополнительные уроки
Мероприятия
Торговая игра
«Торговая игра» вовлекает студентов в имитацию торговли, предназначенную для иллюстрации сложной рыночной площадки, на которой торгуются товары и услуги.
Через несколько раундов торговли студенты увидят, что чем шире их доступ к торговле и чем больше у них возможностей выбора решений своих проблем, тем больше они будут удовлетворены.
- Перечень материалов
- Большое количество мелких, легко заменяемых предметов (например, миниатюрные шоколадные конфеты, коробки с изюмом, маленькие игрушки, пакеты с липкими заметками, карандаши, наклейки и т. Д.)
- Предметы, которые хорошо сочетаются друг с другом, например переносное зеркало для макияжа и расческа или расческа, которые затем можно положить в отдельные пакеты.
- Пакеты предметов, в которых есть несколько штук, например, коробка конфет и т. Д.
- Темы уроков
- Trading Game следует за Cowboy Inkblot и Find the Numbers в рамках нашей дорожной карты YE Core.
- Студентам не потребуется никаких предварительных знаний для успешного участия в торговой игре.
Дополнительные уроки
Мероприятия
Основополагающие ценности: как руководствоваться
В «Молодежных предпринимателях» принципы, определяющие поведение, называются «Основополагающими ценностями».
Эти ценности YE являются центральными в нашей учебной программе и важны для развития наших студентов. Узнайте, как использовать восемь основополагающих ценностей Молодого предпринимателя в своем классе.
Дополнительные уроки
Мероприятия
Базарный день
Наша модель обучения на основе опыта прививает предпринимательские и экономические принципы, построенные для процветания. YE меняет образ мышления, давая учащимся возможность использовать возможности, которые их окружают.И один из самых трансформирующих аспектов опыта YE — это Базарный день. Посетите YE Capital Requests в разделе Admin Resources, чтобы отправить запрос на получение кредита YE Market Day.
- Темы уроков
- Market Day сочетает в себе программу микрокредитования и всплывающий рынок.
- Студенты создают и представляют своему учителю модель малого бизнеса.
- Базарный день — это не только успех студентов и их прибыльность.Студентам не обязательно доводить его до совершенства, чтобы он был ценным; самые ценные уроки приходят из их неудач или их ложных предположений.

Дополнительные уроки
Мероприятия
Холст бизнес-модели
YE прививает студентам предпринимательское видение. И поскольку они создают свои собственные бизнес-идеи, холст бизнес-модели является мощным инструментом для ускорения предпринимательского процесса.
- Перечень материалов
- Холст бизнес-модели
- Наклейки для заметок
- Темы уроков
- BMC состоит из девяти строительных блоков.
- Левая верхняя часть холста — это операции и управление (ключевые партнеры, ключевые виды деятельности, ключевые ресурсы), правая часть — ориентированная на клиента (ценностное предложение, каналы, отношения с клиентами и сегменты клиентов).
- Внизу — финансовые показатели (структура затрат и потоки доходов)
Дополнительные уроки
Мероприятия
Disruptus
Disruptus — это игра, которая демонстрирует важность одержимости возможностями, инноваций и должным образом согласованного создания ценности.
Это задание дает учащимся возможность узнать, кто их рынок, и правильно согласовать свои инновационные стратегии со своим рынком, чтобы создать ценность для клиента, тем самым создавая ценность для себя.
- Перечень материалов
- Игра Disruptus
- Раздаточный материал по игре
- Доска
- Темы уроков
- Disruptus можно использовать в любое время в течение учебного года.
- Disruptus — отличный инструмент, который поможет вашим ученикам задуматься об идеях для Market Day и Business Models.
- Disruptus следует за Speak Out Cards в рамках нашей дорожной карты YE Core.
Дополнительные уроки
Мероприятия
Классная валюта
В классе YE мы оживляем рынки, внедряя экономику в классе. Центральным элементом школьной экономики является наша собственная валюта. Вот почему это помогает учащимся, а также как сделать валюту частью вашего собственного курса YE.
- Перечень материалов
- YE Доллар
- YE Bond
- Темы уроков
- Предложите учащимся валюту.
Дополнительные уроки
Мероприятия
Кладбище
Опыт Boneyard учит студентов общению и конкуренции. Узнайте, как провести класс через упражнение, и на протяжении всего его обучения принципам рынка.
- Перечень материалов
- 6 комплектов домино двойная шестерка
- Таблицы правил Boneyard — по одному на группу
- Прайс-листы Boneyard — по одному на группу в зависимости от размера группы
- Темы уроков
- Boneyard следует за BMC для Market Day в нашей дорожной карте YE Core.
- Boneyard основывается на знаниях, накопленных в Pit и The Trading Game.
Дополнительные уроки
Мероприятия
PIT — Только основы
Pit — это динамичная карточная игра, предназначенная для имитации открытых торгов на товары.
Мы используем игру как способ познакомить студентов с торговлей и простыми переговорами и сосредоточить внимание на экономическом принципе сравнительного преимущества.
- Перечень материалов
- Пит-карты или несколько колод основных игральных карт (удалите двойки, лицевые карты и джокеры)
- YE Валюта
- Один или два стола — если у вас есть помощь, вам понадобится один для продажи и один для покупки
- Темы уроков
- Pit следует за Disruptus в дорожной карте YE Core; однако Pit можно использовать в течение всего учебного года.
- Это отличное введение в то, как работают рынки.
- Студентам не нужны предварительные знания, чтобы добиться успеха в Pit.
Дополнительные уроки
Мероприятия
Завод бумажных самолетиков
Это задание вовлекает студентов в процесс быстрого создания прототипов, сталкиваясь с такими проблемами, как дефицит и риск. Узнайте, как оживить фабрику бумажных самолетиков в своем классе.
- Перечень материалов
- Многоцветная пачка бумаги не менее 5 разных цветов, 25 листов каждая
- Самолеты из бумаги Листы правил для каждой группы
- Журнал регистрации испытательных полетов бумажных самолетиков для каждой группы
- Темы уроков
- Это упражнение можно повторять, и его можно использовать как способ помочь студентам сформировать группы в Базарный день.
- «Завод бумажных самолетов» следует PIT в нашей дорожной карте YE Core.
Дополнительные уроки
Мероприятия
YE Замковые камни
Youth Entrepreneurs вовлекает умы студентов посредством творческой поддержки практических занятий, которые также хорошо подходят для проектного обучения. Мы призываем каждого преподавателя, который реализует 4 основных принципа YE, в начале учебного года думать задом наперед, обдумывая, над каким завершающим проектом они хотели бы, чтобы их ученики работали.
YE предоставляет поддержку и рекомендации по четырем различным вариантам Capstone Project, но призывает каждого преподавателя настроить вариант, который лучше всего подходит для преобразования их учеников.
- Темы уроков
- Перспективный бизнес
- Базарный день
- Свободный участок PBL
Дополнительные уроки
Мероприятия
YE Syllabus Guide
Это руководство предлагает примеры тем информации для включения в учебную программу, а также вопросы, которые помогут вам при разработке ее содержания.Пожалуйста, настройте и отрегулируйте, как вы считаете нужным!
- Темы уроков
- Вы рассмотрите содержание для описания курса, предварительных условий, целей, ресурсов и инструментов.
Дополнительные уроки
Мероприятия
Поддержка планирования смешанного обучения
Образовательное пространство претерпело трансформацию в результате пандемии, и элементы смешанного обучения сохранятся.
Чтобы поддержать наших преподавателей YE в любой их учебной среде, мы разработали некоторые рекомендации, которые помогут нашим преподавателям продолжить реализацию мероприятий YE и Четырех столпов. Дополнительную поддержку по электронному обучению можно найти на TeachEverywhere.org.
- Темы уроков
- Существует руководство по поддержке YE Core, YE Mini-Cores, Market Day и использования образовательных технических инструментов.
Дополнительные уроки
Мероприятия
Ресурсы для партнеров
Молодежные предприниматели постоянно стремятся наладить взаимовыгодные партнерские отношения с организациями, которые так близко соответствуют нашему видению и ценностям.В этих документах описывается, как вы можете использовать ресурсы наших партнерских организаций, продолжая при этом внедрять YE и его Четыре столпа.
- Темы уроков
- Продолжайте внедрять «Четыре столпа» YE на протяжении всего времени, используя партнерские ресурсы.

Дополнительные уроки
Мероприятия
Плакаты
Дополнительные уроки
Мероприятия
Традиционная / личная поддержка при планировании
Учебная программа для молодых предпринимателей разработана с учетом гибкости.Вы можете реализовать это разными способами. Подготовьтесь к этому с помощью наших руководств по темпам, образцов дорожных карт и руководств по подразделениям. Это руководство предназначено для поддержки традиционной реализации в классе.
- Перечень материалов
- Дополнительно: дорожная карта
- Дополнительно: руководство по стимуляции
- Темы уроков
- Вы предприниматель в своем классе!
Дополнительные уроки
Мероприятия
Исследуй свой мир
Основополагающая ценность знаний означает «искать и использовать лучшие знания».Как предприниматель, важно, чтобы вы постоянно пытались понять окружающий мир, включая прошлое.
Поступая таким образом, вы можете продемонстрировать возможность, определив проблему, которую вы можете решить. И кто знает — по пути вы можете открыть для себя новую страсть! В этом упражнении учащиеся будут исследовать «свой мир», будь то их школа, район, город или штат, это может даже означать виртуальный тур по любому месту в мире с использованием онлайн-камеры.
- Перечень материалов
- Исследуй свой мир — Рабочий лист
- Темы уроков
- Это задание отлично подходит для использования в сочетании с маркетинговыми подразделениями, а также до или после Hershey’s Market Research в дорожной карте YE Core.
- Вы также можете использовать это задание в начале курса YE, чтобы помочь студентам понять важность поиска и обмена знаниями.
Дополнительные уроки
Мероприятия
FV Интервью
Основополагающие ценности — восемь вечных принципов YE
способствуя предпринимательству, ориентированному на возможности
образ мышления учащихся на протяжении всей жизни.
Ценности — это те самые принципы, которые
направлять наше поведение, и мы верим, что наши Основополагающие ценности будут
помочь студентам добиться успеха как в бизнесе, так и в жизни.Ты
начнет видеть присутствие или отсутствие восьми Основополагающих
Ценности (FV) в поведении учащихся на повседневной основе.
- Перечень материалов
- FV Interviews — Рабочий лист ученика
- закладок FV, КОДЕК или другой ресурс YE с Основным значением и его определением
- Письменные принадлежности
- Темы уроков
- Изучение определений и примеров того, как Основополагающие ценности проявляются в повседневной жизни студента в начале их курса YE, поможет им на протяжении оставшейся части курса.
Дополнительные уроки
Мероприятия
Флаер с основными ценностями
Это обеспечение включает 8 основополагающих ценностей и их определения.
Дополнительные уроки
Мероприятия
Самый ценный игрок
Самый ценный игрок позволяет учащимся усвоить и продемонстрировать основополагающие ценности, одновременно поощряя и подтверждая основополагающие ценности с другими в классе.
Это задание помогает учащимся определить модели поведения, которые воплощают в себе основополагающие ценности в повседневной жизни. Учащиеся создают карточки игроков для каждой Основополагающей ценности, а затем раздают карточки своим сверстникам, когда они видят, что они отображают Основополагающие ценности. Цель состоит в том, чтобы студенты обменивались карточками, когда они распознают поведение, демонстрирующее Основополагающие ценности, и обсуждали с каждым получателем, какое поведение, которое они видели, демонстрирует Основополагающую ценность.
- Перечень материалов
- Карты игроков можно создавать в цифровом виде или вручную: Цифровые — компьютер, принтер, шаблон; Инструкция — цветной картон или каталожные карточки 3х5, маркеры или цветные карандаши, ножницы, клей
- Дополнительно: конверт для карточек, позволяющий учащимся показывать карточки MVP по мере их получения от одноклассников.
- Темы уроков
- Это упражнение можно использовать в любое время и сколь угодно часто на протяжении всей программы.
- Он работает лучше всего после того, как ваши ученики получат базовое понимание Основополагающих ценностей (FV).
- Один из вариантов — создавать карты MVP по мере представления каждого FV.
Дополнительные уроки
Мероприятия
Противостояние основополагающим ценностям
Все основополагающие ценности важны — Ни одна ценность не важнее других.Однако, если бы вы были вынуждены выбирать, какую основную ценность вы бы назвали наиболее важной? В Face-Off «Основополагающих ценностей» значения сравниваются друг с другом в виде скобок, при этом учащиеся сужают «Основные ценности» до тех пор, пока одна из них не будет объявлена «победителем». Это упражнение поможет вам узнать, как ваши ученики понимают Основополагающие ценности и какие из них могут потребовать дальнейшего развития (как в теории, так и на практике) у ваших учеников.
- Перечень материалов
- Способ отображения широкоформатной версии кронштейна (доска для сухого стирания, меловая доска, проектор, бумага для плакатов и т. Д.)
- Маркеры
- Экземпляры таблицы для школьников (по 1 на группу)
- Темы уроков
- Это упражнение можно использовать в любое время как метод более глубокого изучения Основополагающих ценностей.
Дополнительные уроки
Мероприятия
Обзор основополагающих ценностей
Основополагающие ценностиYE создают общий язык и понимание того, что создает ценность в нашей жизни. Студентов попросят поделиться своими мыслями об основополагающей ценности и высказать свое мнение о мыслях своих одноклассников. Это задание побудит ваших учеников обсудить, что эти ценности значат для каждого человека, что они значат для класса YE, и что они значат для рынка за пределами классной комнаты.
- Перечень материалов
- 8 Большой клейкий стикер
- Маленькие красные стикеры для заметок (подойдут другие цвета, но в идеале цвет отличается от липких точек)
- Зеленые и желтые липкие точки (другие цвета подойдут, но должны быть два разных цвета)
- Темы уроков
- Это отличный урок, который нужно делать в начале вашего урока, а затем снова в конце, чтобы увидеть рост ваших учеников.
Дополнительные уроки
Мероприятия
Cinema Challenge
Основополагающие ценности — вот что объединяет этот курс. У студентов будет возможность проявить творческий подход, когда они будут думать о популярном фильме, телешоу или других средствах массовой информации, чтобы подключиться к Основополагающим ценностям и разыграть их. Цель этого упражнения — развить общий язык, чтобы учащиеся могли сформулировать, что означает каждая основополагающая ценность, а также усвоить эти ценности, привязывая их к забавному опыту.
- Перечень материалов
- Таймер, реквизит полезны, но не обязательны (примеры реквизита: костюмы, различные головные уборы, аксессуары и т. Д.)
- Кодек или закладка FV
- Годовые облигации
- Темы уроков
- Это можно использовать в начале урока, чтобы помочь познакомить с Основополагающими ценностями в увлекательной игровой форме, или позже в классе, чтобы добавить в класс столь необходимых веселья и энергии.
- ProTip: Может быть реализовано как отдельное мероприятие или как продолжение упражнения FV Walkabout, чтобы углубить понимание учащимися FV.
- Pro-Tip: Свяжитесь со своим театральным отделом, чтобы узнать, не позволят ли они вам одолжить какой-нибудь реквизит.
Дополнительные уроки
Мероприятия
Мыслите нестандартно
«Думай нестандартно» — отличный способ представить и укрепить основополагающие ценности.Студентов попросят собрать головоломку из 100 частей, но есть одна загвоздка — у них не будет всех правильных частей для своей головоломки, что приведет к обмену с другими группами. Студенты должны будут использовать свои Основополагающие ценности, чтобы выполнить задание.
- Перечень материалов
- Шесть пазлов, состоящих из 100 частей, с коробкой для пазлов
- Сумки Ziploc
- Поощрение (желтые доллары, подарочные карты и т. Д.)
- Темы уроков
- Вы можете использовать этот урок в любой момент во время урока, но он может оказаться наиболее эффективным в начале.
Дополнительные уроки
Мероприятия
Отражение основных ценностей
В «Молодежных предпринимателях» принципы, определяющие поведение, называются «Основополагающими ценностями». Эти ценности YE являются центральными в нашей учебной программе и важны для развития наших студентов.
Дополнительные уроки
Мероприятия
Кодек
Изучите Кодек, чтобы вовлечь своих студентов в обучение предпринимательству.
- Темы уроков
- YE Основополагающие ценности, рыночная мера, четыре S и закон Рикардо
Дополнительные уроки
Мероприятия
Disruptus с именами
Disruptus с именами является побочным продуктом деятельности Disruptus. Это занятие, демонстрирующее важность одержимы возможностями, внедряют инновации и должным образом согласованы Создание стоимости.На идеальном рынке покупатели могут выбирать не вести дела с вашей компанией по любой причине. Тем не менее, это занятие дает учащимся возможность узнать кто их рынок и правильно согласовывает свои инновации стратегии со своим рынком, чтобы создать ценность для клиентов, поэтому они также создают ценность для себя.
- Перечень материалов
- Записных карточек — по 1 на студента
- Бумага — 1 лист на группу
- Принадлежности для раскрашивания / рисования
- Темы уроков
- Преимущество Disruptus with Names в том, что он практически не требует материалов — студенты используют свои имена для разработки своих инноваций.
- Вы можете проводить столько времени, сколько хотите, играя в Disruptus с именами.
Дополнительные уроки
Мероприятия
Проект дизайна коробки для подписки
Проект дизайна коробки для подписки — это динамичный проект, в котором учащиеся проходят процесс дизайнерского мышления. Этот проект поддерживает тот же образ мышления, мышление и результаты, что и проект Extraordinaire, за меньшее время (без необходимости в The Extraordinaires Design Studio).Учащиеся объединяются в пары, показывают и рассказывают друг другу о своих коробках, придумывают и находят новое решение, которое будет «полезным и значимым» для их партнера. Участники получают представление о подходе к проектированию, ориентированном на пользователя, развивают общий словарный запас и быстро получают представление о каждом этапе проектирования. Этот проект помогает учащимся увидеть ценность взаимодействия с реальными людьми (клиентами), чтобы помочь им обосновать свои дизайнерские решения, ценность итеративного подхода, при этом испытывая предвзятость к действию, поскольку проект быстро развивается с ограниченным временем . Этот проект был представлен YE педагогом Кейси Вайнегар.
- Перечень материалов
- Пакет дизайна коробки для подписки
- Карандаши цветные
- Темы уроков
- Проект «Дизайн-мышление» можно использовать в любое время на протяжении всей программы YE.
- Студентам не требуется никаких предварительных знаний, чтобы добиться успеха в дизайнерском мышлении.
- Вы можете повторять этот проект сколько угодно раз на протяжении всей программы.
Дополнительные уроки
Мероприятия
Словарные рамки
Vocabulary Frames — это одна из стратегий, которую вы можете реализовать для обучения деловой лексике. Это мероприятие может быть реализовано как отдельное мероприятие или в сочетании с любым мероприятием YE, чтобы сосредоточиться на ключевых терминах, представленных в этом мероприятии.Эта простая стратегия дает три важных преимущества. Во-первых, словарные рамки можно использовать для быстрой ссылки на ключевые термины во время урока. Во-вторых, его можно использовать как карточки, чтобы помочь студентам запомнить ключевые термины. В-третьих, когда учащиеся создают свои словарные рамки, они получают определение слова, пример слова в предложении и графику, которая может помочь им визуализировать концепцию.
- Перечень материалов
- Блокноты 4 ”x 6”
- Фломастеры или цветные карандаши для письма на карточках
- Темы уроков Заметки
- Individual Vocabulary Frames должны создаваться всякий раз, когда вводится новый словарный запас.Все карточки следует часто использовать на протяжении всего курса, чтобы расширить словарный запас студентов, связанный с бизнесом.
Дополнительные уроки
Мероприятия
Взломайте мою школу
Хакатон — это дизайнерское мероприятие, напоминающее спринт, с определенной направленностью. Цель хакатона — улучшить или усовершенствовать выбранную отрасль, услугу или даже компанию. Hack My School — это проектное обучение (PBL), в котором учащихся просят решить проблему, возникающую в их школе, с верой в то, что решение этой проблемы улучшит их школьную среду.Студенты будут использовать пять этапов процесса дизайн-мышления, чтобы определить конкретную проблему и сгенерировать одно решение или, возможно, несколько возможных решений, отвечающих конкретным потребностям их целевого рынка. Это реальная прикладная деятельность, так как студентам будет предложено протестировать свои прототипы и продолжить итерацию своего решения или решений.
- Перечень материалов
- Зависит от типа решения-прототипа, который решают создать учащиеся.
- Дополнительно: журнал проекта, план действий, журнал исследований, журнал размышлений
- Темы уроков
- Это задание можно использовать в любой момент вашей программы YE.
- Количество необходимого учебного времени будет зависеть от того, как вы решите, чтобы учащиеся познакомились с проектом «Взломай мою школу».
Дополнительные уроки
Мероприятия
Мокапы
Mockups — игра, созданная Dr.Лиз Гербер, профессор Северо-Западного университета, с помощью своих студентов. Мокапы могут быть реализованы быстро, чтобы дать студентам возможность попрактиковаться в сочувствии, формировании идей, быстром создании прототипов и продвижении. Эта игра проверяет пределы возможностей быстрого прототипирования, не давая студентам времени слишком долго обдумывать проблему. Быстрое прототипирование развивает уверенность в быстром решении проблем клиентов. Мокапы дают студентам возможность практиковаться через повторение, чтобы овладеть навыками, знаниями и мышлением, критически важными для инноваций.
- Перечень материалов
- 1 колода карт мокапов
- Очистители труб или Wikki Stix
- Годовые облигации
- Темы уроков
- Мокапы можно использовать в любое время в течение программы и можно повторять.
- Это также может быть альтернативой для фабрики бумажных самолетиков для обсуждения быстрого прототипирования.
Дополнительные уроки
Мероприятия
Стартапы Кремниевой долины
Silicon Valley Startups ™ — это веселая игра с участием безумных компаний.Предприниматели должны подумать и убедить инвестора профинансировать их стартап. Побеждает игрок с наиболее убедительными подачами!
- Перечень материалов
- Карточная игра Silicon Valley Startups ™
- Необязательно: сделайте копии инструкций для студентов.
- Темы уроков
- Этот урок можно использовать в любое время в течение вашей программы и часто повторять, чтобы попрактиковаться в питчинге и творческом мышлении.
- Это может быть ценным занятием до, после или вместе с Disruptus.
Дополнительные уроки
Мероприятия
Вызов игры
Давайте объединим обучение и игру с Game Challenge. Студенты часто лучше всего учатся при взаимодействии с контентом в формате игрового стиля. Game Challenge — это проект, разработанный PBL, который предлагает студентам разработать игру с целью ознакомления определенной целевой аудитории с конкретными концепциями, охватываемыми программой.Эта игра может быть настольной игрой, многопользовательской игрой или любым другим дизайном. Студент должен разработать, какой тип формата игры лучше всего подходит для его целевого рынка. Готовы, ставим, играем!
- Перечень материалов
- Необходимые материалы будут зависеть от дизайна игры, которую решат создать ученики, и / или результатов, которые вам от них требуются.
- Темы уроков
- Это задание можно использовать на любом этапе программы, чтобы закрепить содержание и улучшить усвоение учащимися ключевых концепций; тем не менее, он может работать лучше всего в качестве мини-замера или совокупного оценочного мероприятия.
- Общее необходимое время зависит от ваших ожиданий в отношении проекта и от того, планируете ли вы дать учащимся время для тестирования игр друг друга.
Дополнительные уроки
Мероприятия
Думай как Эйнштейн
Альберт Эйнштейн сказал: «Гениальность — это взять комплексное и сделать его простым». Люди склонны считать, что сложные концепции требуют большого количества объяснений, что часто может привести к еще большей путанице.Однако, если вы действительно понимаете эту концепцию, вы сможете объяснить ее в терминах, понятных детсадовцам (на определенном уровне). Чтобы по-настоящему увидеть, усвоили ли ваши ученики свое понимание концепций, вы попросите их «подумать, как Эйнштейн» и разработать способ объяснить эти концепции самым простым способом, как если бы они объясняли их маленькому ребенку.
Дополнительные уроки
Мероприятия
Глаз шпион
Предприниматели учатся через наблюдение.Они наблюдают за рынком, тенденциями, бизнес-моделями, поведением предприятий и потребителей, тем, как создается ценность, принципом предпринимательства и всем, что они могут узнать. Цель этого упражнения — научить студентов наблюдать за рынком вокруг них. Студенты будут записывать свои наблюдения, записывая отражение в журнале Eye Spy Journal. Затем мы будем использовать эти наблюдения для обсуждения того, что они наблюдают на реальных рынках, происходящих вокруг нас.
- Перечень материалов
- YE долларов
- Копии листов для отражения Eye Spy
- Темы уроков
- Этот урок можно реализовать в любой момент в течение курса.
- Это задание постоянно повторяется и повторяется в течение курса более одного раза.
Дополнительные уроки
Мероприятия
Pop-Up Business Challenge
Может быть легко проявлять творческий подход и планировать бизнес, когда нет предела, но насколько творческими могут быть студенты, когда строгие ограничения ограничивают возможности? Студентам будет предложено запустить всплывающий бизнес и получить прибыль, но есть одна загвоздка: у них будет только 5 долларов в качестве кредита или капитала и только 1, 2 или 3 часа для ведения своего бизнеса.
- Перечень материалов
- Экземпляры «Pop-Up Business Challenge — Student Handout»
- Конверты с начальным финансированием (если вы решите, чтобы студенты открыли бизнес)
- Дополнительные материалы могут отличаться в зависимости от результатов, которые решают создать ваши студенты, а также от материалов о продуктах для их бизнеса.
- Темы уроков
- Это задание лучше всего выполнять после того, как учащиеся завершат Базарный день.
- Pop-Up Business Challenge может стать подходящим завершающим проектом для ваших студентов.
Дополнительные уроки
Мероприятия
Цепная реакция
Созидательное разрушение — мощная сила, которая веками стимулировала инновации. Хотя многие рассматривают роспуск рабочей силы как отрицательный фактор, важно учитывать, какие новые рабочие силы создаются. В этом упражнении студенты будут изучать отрасли с течением времени, чтобы построить цепочку из различных трудовых ресурсов и продуктов, созданных путем разрушения старого.
- Перечень материалов
- Бумага двух разных цветов уже нарезана (см. Перед подготовкой к уроку)
- Проволочная подвеска или аналогичный материал (по 1 на группу)
- Нить или пряжа
- Темы уроков
- Это упражнение можно использовать в любое время, но оно хорошо подходит перед Disruptus или другой инновационной деятельностью, чтобы представить концепцию творческого разрушения.
Дополнительные уроки
Мероприятия
Энергетики
Энерджайзер — это короткое занятие, предназначенное для увеличения энергии в комнате за счет физической активности, смеха и / или решения проблем. Энергетики включают Yeehaw, Absurd Interviews, Favorite Toy, Swedish Story, Paper Rock Scissors, Tear Your Favorite Cartoon и Make a Monster.
- Темы уроков
- Используйте антидепрессант каждый раз, когда чувствуете, что у вас мало энергии или вы чувствуете, что теряете внимание учеников.Энергетики также хороши, когда вы возвращаетесь после любого перерыва, например, после обеда. Вы можете прекратить прием антидепрессанта, как только услышите смех, если хотите / должны.
Дополнительные уроки
Мероприятия
Свободный участок ПБЛ пр.
Проект Vacant Lot Project — это проект, разработанный PBL, который просит студентов взглянуть на пустырь в их сообществе и определить, что им следует делать, чтобы создать ценность для сообщества.Это может быть бизнес, некоммерческая организация, общественное достояние и т. Д. Объект, выбранный для этого местоположения, должен быть экономичным и осуществимым выбором для города и его составляющих. Студенты будут проводить исследования и планировать разработку бизнес-модели, которую они будут предлагать. Город выберет для инвестиций только один бизнес, поэтому студенты должны быть готовы!
- Перечень материалов
- Необходимые материалы будут зависеть от результатов, которые решат создать ваши ученики.
- Темы уроков
- Вы можете использовать этот урок в любое время в течение года.
- Это отличное занятие — научить исследованию рынка.
- В этом упражнении используется подход к обучению, основанному на проектах (PBL).
Дополнительные уроки
Мероприятия
S.W.O.T. Анализ
В этом задании, состоящем из двух частей, учащиеся выполнят S.W.O.T. Анализ для бизнеса. A. S.W.O.T. Анализ (сильные и слабые стороны, возможности и угрозы) — распространенный бизнес-инструмент, используемый предпринимателями, а также такими компаниями, как Ford, Coca-Cola и Google, для выявления внутренних и внешних факторов, которые повлияют на результаты деятельности компании в настоящее время или в будущем. . Этот инструмент помогает бизнесу изучить внутренние факторы, такие как сильные и слабые стороны компании, а также внешние факторы, такие как возможности и угрозы, которые могут существовать на рынке.
- Перечень материалов
- 1 лист копировальной бумаги на пару учеников
- 1 лист большой бумаги или плакат
- Годовые облигации
- Темы уроков
- Проведение S.W.O.T. Анализ может быть полезным упражнением не только для компаний, но и для частных лиц. И компании, и частные лица могут задуматься о своих конкурентных преимуществах на рынке.
- Это может быть использовано во время представления идей в Базарный день и перспективных деловых идей.
Дополнительные уроки
Мероприятия
Дизайн-мышление Практическое руководство
Это практический подход, ориентированный на пользователя, определяемый процессом дизайнерского мышления, который состоит из пяти (5) этапов; Сопереживать, определять, придумывать, прототипировать и тестировать.
Дополнительные уроки
Мероприятия
Билет на выход
Существует множество стратегий для проверки понимания учащимся материала класса.Одна из быстрых, простых и эффективных стратегий — это «билет в дверь». Студенты должны размышлять так же, как учителя, билет дает это время для размышлений, а также дает студентам YE ценные практические навыки. Когда мы выдвигаем и формулируем идеи, это расширяет словарный запас, позволяет студентам обрабатывать и связывать информацию и укрепляет уверенность в себе, а также предоставляет учителю ценную информацию об уровне понимания учащимся.
- Перечень материалов
- Готовые «билеты» с подсказками, по одной на студента (по желанию)
- Чистый лист бумаги, бумага для заметок или каталожные карточки, чтобы учащиеся могли писать подсказки и ответы на (необязательно)
- долларов США (по желанию)
- Темы уроков
- Проверить, понимает ли учащийся урок или концепцию, посоветовать учителю, где объяснить учащимся или провести повторное обучение.
- Предоставляет студентам возможность обработать то, что они узнали, и выразить это словами, что приводит к более глубокому пониманию и лучшей долговременной памяти материала.
- Предоставляет студентам возможность попрактиковаться в изложении своих идей и обрести уверенность в своей способности делиться идеями и принимать отзывы.
Дополнительные уроки
Мероприятия
BMC — Партнерская площадка
Это задание можно использовать в любое время во время урока.Вы можете использовать презентации партнеров в начале или в середине занятия, чтобы заинтересовать студентов и взять на себя ответственность за их обучение.
- Перечень материалов
- Партнерские презентации BMC
- Темы уроков
- Время для этого задания может варьироваться в зависимости от двух факторов: количества времени, которое вы даете своим ученикам для презентации (обычно 1 минута), и количества времени, которое вы даете им для написания заметок в их карточке партнерской презентации (обычно 3-4 минуты ).
Дополнительные уроки
Мероприятия
Строительство моста для тимбилдинга
Когда мы собираемся вместе, у каждого из нас появляется множество талантов, навыков и идей, которыми мы можем поделиться друг с другом. Это задание даст вам возможность поделиться этими талантами друг с другом и начать работать лучше вместе, как одна команда.
- Перечень материалов
- Газеты
- Малярная лента — один рулон малярной ленты на группу
- Таймер и музыка
- Темы уроков
- В упражнении «Строительство моста» ученикам будет предложено построить мост в команде.
Дополнительные уроки
Мероприятия
Минута творчества
Это занятие посвящено развитию нашего мозга таким образом, чтобы мы могли творчески решать проблемы.
- Перечень материалов
- Минута творчества PowerPoint
- Раздаточный материал для минут творчества (необязательно)
- Темы уроков
- «Минута творчества» — отличный сигнал, который дает студентам возможность регулярно работать над развитием своих творческих способностей.
- В этом упражнении учащиеся рассмотрят базовую форму или набор линий и проведут мозговой штурм, создав видение того, какой фигура может быть или представлять.
Дополнительные уроки
Мероприятия
S.M.A.R.T. Голы
Во время этого упражнения студенты исследуют разницу между хорошо написанным S.M.A.R.T. гол и плохо написанный гол.
- Перечень материалов
- Журнал или тетрадь (где цели можно записывать и легко просматривать)
- Раздаточные материалы для студентов: «Что делают С.M.A.R.T. как выглядят цели? »,« Практика написания S.M.A.R.T. Цели.»
- Примеры карточек — вырезанные карточки с примерами целей, по одному на каждого ученика или пары учеников
- Темы уроков
- Студенты напишут цели S.M.A.R.T для постановки личных целей.
- Студенты напишут цели S.M.A.R.T, чтобы установить цели для своего бизнеса в Базарный день.
- Студенты напишут С.Цели M.A.R.T для перспективного бизнеса или бизнеса, которым они управляют в настоящее время.
Дополнительные уроки
Мероприятия
Увеличить
Zoom демонстрирует затраты и препятствия на пути обмена необходимыми знаниями и информацией в увлекательной интерактивной форме.
- Перечень материалов
- 2 копии Zoom Иштвана Баньяи
- Поощрение (желтые доллары, конфеты, деньги, подарочные карты и т. Д.)
- Темы уроков
- Zoom следует использовать в начале учебного года после Cowboy Inkblot и Find the Numbers.
- Хотя от студентов не требуется никаких предварительных знаний, для обсуждения подведения итогов помогает обсуждение общего видения.
Дополнительные уроки
Мероприятия
Охота за сокровищами людей
Это задание, которое поможет вашим ученикам лучше узнать друг друга и попрактиковать свои навыки межличностного общения.
- Перечень материалов
- Раздаточный материал «Поиск человеческих сокровищ»
- Письменные принадлежности
- Таймер
- Темы уроков
- Лучше всего использовать этот урок в течение первой недели занятий.
- Этот урок является частью общего обсуждения сетевых навыков и мягких навыков.
- Для выполнения этого задания студентам не нужны предварительные знания.
Дополнительные уроки
Мероприятия
Проект личного брендинга
Это проект, который поможет вашим ученикам понять бренды и создать собственный бренд. Это хорошее время, чтобы обсудить, почему важно создать собственный бренд.
- Перечень материалов
- Материалы, необходимые для этого проекта, будут зависеть от того, что вы просите своих учеников создать.
- Темы уроков
- Лучше всего использовать этот урок в течение первых нескольких недель занятий.
- Это отличный способ для ваших студентов понять основные бизнес-термины, брендинг и личную оценку (SWOT — сильные и слабые стороны, возможности и угрозы).
Дополнительные уроки
Мероприятия
Что в рукопожатии?
Для большинства из нас, взрослых, рукопожатие — это просто, легко и естественно.Для большинства наших студентов это не так. И, к сожалению, рукопожатие может пойти не так, как надо. Рукопожатия очень важны в профессиональной среде.
- Темы уроков
- Лучше всего использовать этот урок в течение первой недели занятий.
- Этот урок является частью общего обсуждения сетевых навыков и мягких навыков.
Дополнительные уроки
Мероприятия
Marshmallow Towers
Marshmallow Towers — это занятие, которое позволяет вашим ученикам получить базовое представление о различных бизнес-структурах.Студентам, работающим в группах, случайным образом назначается бизнес-структура. Цель их бизнеса — построить самую высокую башню, используя только предоставленные ресурсы.
- Перечень материалов
- зубочисток — хватит на каждую группу по 20
- Белый зефир — хватит на каждую группу по 20
- Цветной зефир — хватит на каждую группу по 20
- Темы уроков
- Вы можете использовать этот урок в любое время, в зависимости от того, что вы хотите подчеркнуть.
Дополнительные уроки
Мероприятия
PIT с именными карточками
Pit — это динамичная карточная игра, предназначенная для имитации открытых торгов на товары. Если вы знакомы с этой классической игрой, имейте в виду, что мы не обязательно играем по правилам, как написано. Мы используем игру, чтобы студенты узнали о торговле, простых переговорах и сосредоточились на экономическом принципе сравнительного преимущества.В этом варианте мы используем концепцию торговли из ямы, но НЕ из карт ямы. Кроме того, нет необходимости в покупателе или продавце. Цель этого варианта — дать вашим ученикам возможность практиковать искусство торговли, а также познакомиться со своими сверстниками.
- Перечень материалов
- Пустые карточки — 7 на ученика
- YE Валюта
- Темы уроков
- Эту разновидность ямы можно использовать по-разному в течение учебного года.
- Лучше всего пройти яму с именными карточками в течение первых двух дней занятий.
Дополнительные уроки
Мероприятия
Десятилетие предпринимателей
Деятельность Десятилетия предпринимательства дает вашим студентам возможность исследовать предпринимателей за целое десятилетие и поделиться этими знаниями с их ровесники.
- Перечень материалов
- Раздаточный материал для объяснения действий и / или слайд PowerPoint для отображения
- Компьютеры / ноутбуки
- Темы уроков
- Назначьте Десятилетие предпринимательства после того, как познакомите студентов с определением предпринимательства YE.
Дополнительные уроки
Мероприятия
100 Предпринимателей
Деятельность «100 предпринимателей, которые изменили мир» дает студентам возможность самостоятельно исследовать историю предпринимателя, оказавшего влияние на их сообщество, экономику или мир.
- Перечень материалов
- Раздаточный материал для объяснения действий и / или слайд PowerPoint для отображения
- Компьютеры / ноутбуки
- Темы уроков
- Назначьте 100 предпринимателей, которые изменили мир после того, как познакомили студентов с определением предпринимательства YE
Дополнительные уроки
Мероприятия
Изобретательская деятельность
Есть много способов развить творческие способности ваших учеников, и деятельность по изобретательству — один из них.В изобретательской деятельности нет правильного или неправильного, нет невозможного. Нет линий для раскрашивания. Нет квадратов, в которых можно оставаться.
- Перечень материалов
- Материалы урока (см. Руководство)
- YE Валюта и облигации YE
- Темы уроков
- Изобретательское задание можно использовать в любое время в течение учебного года.
- Чем больше ваши ученики практикуют новаторство и творчество, тем больше у них шансов мыслить нестандартно.
Дополнительные уроки
Мероприятия
Инновационная деятельность
Инновационная деятельность дает студенту возможность использовать существующий продукт и улучшить его. Выполняя это задание, важно напомнить учащимся, что инновации это не просто создание новых продуктов, а улучшение существующих продуктов для удовлетворения новых потребностей, требований и т. д.
- Перечень материалов
- Бумага для мясников / бумага для больших флипчартов
- Маркеры / цветные карандаши
- Образец изделия, выбранного для нововведения
- Темы уроков
- Инновационная деятельность наиболее эффективна после обсуждения инноваций и созидательного разрушения.
- Инновационная деятельность — это то, чем вы можете заниматься на протяжении всего курса, поскольку она поощряет творчество и решение проблем.
Дополнительные уроки
Мероприятия
Говорите, говорите назад
Карточки Speak Out позволяют студентам практиковаться, когда они стоят перед другими и говорят непредсказуемо. Во время этой деятельности для студентов небольшой риск, но высокая отдача.
- Перечень материалов
- Карты Speak Out
- Таймер
- YE Валюта
- Темы уроков
- Вы можете сделать «Speak Out — Speak Back» в первые или последние 15 минут урока.
Дополнительные уроки
Мероприятия
Три простых, но непростых вопроса
Следующее задание бросит вызов вашим ученикам. Многие из них не ответят правильно. Правильные ответы не являются целью этого упражнения. В рамках учебной программы для молодых предпринимателей он помогает представить и укрепить концепции, связанные с здравым суждением, принципами, и, если его использовать вместе с валютой YE Classroom (YE-доллары), он может создать для учащихся возможность построить богатство путем решаю задачи.
- Перечень материалов
- Записных карточек для каждого ученика для записи ответов
- Слайд-презентация «Три простых, но непростых вопроса»
- YE Валюта
- Темы уроков
- Этот урок следует использовать на первой неделе занятий.
Дополнительные уроки
Мероприятия
Чаша для денег
Money Bowl представляет собой применимый пример жадности, исследуя влияние общения и доверия внутри группы.
- Перечень материалов
- Большая чаша
- Прибл. Купюры номиналом 40 долларов США или долларов США
- 5 повязок на глаза
- Темы уроков
- Денежная чаша лучше всего использовать перед началом обсуждения различных типов экономических систем.
- Студентам не требуется никаких предварительных знаний для участия в Money Bowl.
- Вы захотите посмотреть Stossel в классе после того, как сыграете в Money Bowl.
Дополнительные уроки
Мероприятия
Pitch It
Цель Pitch It — помочь студентам поэкспериментировать с различными концепциями продуктов или услуг, а затем попытаться убедить клиентов выбрать их идею на основе восприятия ценности.Это задание требует от студентов творческого подхода, быстрого мышления и убедительности.
- Перечень материалов
- Pitch It и текстовые изделия в закрывающихся пакетах. Вам понадобится по одному комплекту на каждую группу учеников
- YE Валюта
- Годовые облигации
- Темы уроков
- Pitch Это занятие, которое можно использовать в течение всего учебного года.Студентам не нужно иметь никаких предварительных знаний.
Дополнительные уроки
Мероприятия
9 вопросов
9 вопросов были получены с помощью известного инструмента, используемого в бизнесе (BMC). В 9 вопросах устраняются устрашающие концепции и вопросы, а вместо них предлагаются подсказки, на которые учащимся гораздо легче ответить. Эта модель поможет активизировать предпринимательское мышление, давая учащимся представление о том, какие действия следует предпринять, чтобы создать ценность для себя и других.Посмотрите видео, чтобы увидеть, как эти вопросы когда-то использовались несколько необычным образом.
Дополнительные уроки
Мероприятия
Обмен носков
Это упражнение основано на выступлении Ted Talk, в котором докладчик начинается со скрепки и обменивает скрепку на дом в итоге. Это отличный пример того, как добровольная торговля создает богатство как в долгосрочном, так и в краткосрочном плане.Торговля полезна для людей, потому что позволяет им находить решения их проблем. Sock Exchange привлекает учащиеся в симуляции торговли, призванной проиллюстрировать сложная торговая площадка, на которой продаются товары и услуги. Студенты используют этот опыт для изучения условий которые поощряют или препятствуют торговле между людьми. Через несколько раундов торговли студенты увидят, что шире их доступ к торговле, и чем больше у них выбора для решения своих проблем, тем большее их удовлетворение.Это задание было разработано и представлено преподавателями YE. Ханна Вомак и Кейси Уайнегар!
- Перечень материалов
- Ted Talk (примерно 13 минут)
- График удовлетворенности торговой игрой
- Пакеты бумажные (по 1 на студента)
- Темы уроков
- Обмен носков был бы хорошим продолжением Cowboy Inkblot и Find the Numbers in the YE Core.
- Студентам не потребуется никаких предварительных знаний для успешного участия в этой деятельности.
- Это разновидность торговой игры, которая может лучше подойти тем, кто находится в среде удаленного обучения.
Дополнительные уроки
Мероприятия
Мусор или сокровище
Это задание позволяет учащимся подумать о субъективных значение: «Мусор для одного — сокровище для другого».Добровольный обмен — еще одна экономическая концепция, которая может быть подчеркнутым в этой деятельности. У вас будут ученики бросить вызов их ментальной модели дефицитного мышления в пользу мышления, основанного на активах. Студенты начнут видеть возможность, где могло и не быть. Это задание было разработано и представлено преподавателями YE. Ханна Вомак и Кейси Уайнегар!
- Темы уроков
- Этот урок можно использовать как наполнитель или возможность глубже погрузиться в бизнес-возможности или экономические концепции добровольного обмена и субъективной ценности.
Дополнительные уроки
Мероприятия
Переговорная игра
Навыки ведения переговоров могут иметь важное значение для успеха на рынке владельцев бизнеса и потребителей. В игре «Переговоры» студенты будут заниматься покупкой и продажей, совершать реальные сделки, чтобы испытать, как выглядит и ощущается беспроигрышный вариант, а также проанализировать последствия для рынка.
- Перечень материалов
- Большая бумага для диаграмм или плакатов, белая доска и т. Д., с шаблоном треугольника CPV
- Маркер с сухим стиранием или метка Sharpie, подходящий для письма на доске
- Два небольших стикера или листка бумаги на каждого учащегося
- Темы уроков
- Одна важная вещь, которую следует помнить при ведении переговоров, заключается в том, что, хотя мы представляем наши собственные интересы, переговоры сводятся к компромиссу и созданию стоимости на рынке посредством взаимовыгодного обмена.
Дополнительные уроки
Мероприятия
Завод теннисных мячей
В этом эксперименте учащиеся участвуют в обучении концепции убывающей предельной отдачи. Студентам говорят, что они будут сотрудниками фабрики виджетов. Эта игра одинаково хорошо работает как в небольших классах (менее 30 студентов), так и на больших лекциях (более 250 студентов). Вам понадобится достаточно места, чтобы разместить ведра на расстоянии 16-20 футов друг от друга.Если у вас нет большой комнаты, вы можете завершить занятие в коридоре, на улице или в тренажерном зале.
- Перечень материалов
- Мячи теннисные 24-36
- 2 ведра по 5 галлонов
- Белая доска или другой метод записи результатов
- Темы уроков
- Этот урок следует использовать во время урока экономики и / или до рыночного дня.
Дополнительные уроки
Мероприятия
I, карандаш
I, Pencil, предлагает учителям возможность повторить многие темы предыдущих уроков, но с особым акцентом на рыночный процесс, невидимую руку, спонтанный порядок и добровольное сотрудничество. Ключевым текстом этого урока является эссе Леонарда Рида «Я, карандаш», которое помогает продемонстрировать, как рынки координируют действия тысяч свободных людей с помощью рыночных цен и стимулов.
- Перечень материалов
- # 2 карандаша — по одному на ученика
- I, Карандашный текст — по одной копии для каждого ученика (по желанию)
- Темы уроков
- I, Карандаш следует использовать при обсуждении деловых финансов.
- Рекомендуется использовать I, Pencil как способ представить концепции затрат и каналов.
- Студенты должны иметь базовые представления о рынке и экономике.
Дополнительные уроки
Мероприятия
Bead-Ville
Студенты будут иметь возможность участвовать в трех основных экономических системах. Работая в каждой из систем, студенты усваивают фундаментальные ценности, присутствующие в каждой системе. Они также получают представление об основных преимуществах и недостатках каждой системы.
- Перечень материалов
- Цветные бусины: красный, голубой, зеленый, желтый, синий
- String — струна, которая входит в клубок, работает лучше всего
- Линейка
- Темы уроков
- Лучше всего использовать Bead-Ville после того, как вы изучите типы экономических систем.
- Это отличное занятие после Money Bowl и просмотра «Жадности Джона Стоссела».
Дополнительные уроки
Мероприятия
10 экономических принципов
Youth Entrepreneurs следует десяти экономическим принципам, которые, по нашему мнению, имеют решающее значение для понимания учащимися при ведении своего предпринимательского дела. Эти принципы вместе с нашими Основополагающими ценностями являются основой успеха в экономике. Наши экономические принципы включают четыре S, четыре рыночных показателя и закон сравнительных преимуществ Рикардо.Посмотрите эти видео, чтобы узнать, почему эти принципы так важны, и получить советы, как их преподавать.
- Перечень материалов
- Дополнительно: 10 экономических принципов PPT
- Темы уроков
- Четыре S
- 4 Рыночные меры
- Закон сравнительного преимущества Рикардо
Дополнительные уроки
Мероприятия
Бренд в памяти
Компании тратят миллионы долларов, чтобы занять крохотное место в нашей памяти, чтобы мы мгновенно узнавали дизайн логотипа их бренда.Но как вы думаете, насколько хорошо деньги тратятся? В этом упражнении вы попросите студентов как можно точнее нарисовать 10 известных логотипов. Хитрость в том, что им нужно будет делать это без наглядных пособий, просто по памяти.
- Перечень материалов
- Каталожные карточки (по 10 на ученика)
- Пишущие принадлежности цветные (фломастеры, мелки, цветные карандаши)
- Большой дисплей (плакаты, диаграмма или белая доска)
- Темы уроков
- Его можно использовать в любое время в течение вашей программы.Тем не менее, это будет хорошо согласовано с деятельностью YE по исследованию рынка.
Дополнительные уроки
Мероприятия
Целевой человек на рынке
В этом упражнении студенты исследуют популярный ресторан в США, а затем создадут целевого человека для ресторана, который выберет их команда. Студенты исследуют ресторан, чтобы получить как можно больше подсказок о рыночных сегментах бизнеса и целевом рынке.После разработки своего целевого рыночного специалиста, команды предложат своего целевого рыночного человека и объяснят, почему, по их мнению, он представляет собой сегментирование рынка бизнеса.
- Перечень материалов
- Большой лист мясной бумаги (вы можете заменить бумагу меньшего размера и попросить учащихся нарисовать фигуру меньшего размера, если необходимо)
- Маркеры или метки
- Ножницы
- Темы уроков
- Это упражнение можно использовать в любое время в течение курса как часть обучения сегментации рынка и целевого маркетинга.
- Обучение целевому рынку и сегментации рынка также совпадает с обучением блока «Сегменты клиентов» на холсте бизнес-модели.
Дополнительные уроки
Мероприятия
Алфавитный суп
Цель Alphabet Soup — подчеркнуть важность узнаваемого логотипа.
- Перечень материалов
- Раздаточный суп с алфавитом
Дополнительные уроки
Мероприятия
Изобретательская деятельность
Есть много способов развивать творческие способности у своих учеников, и деятельность по изобретательству — один из них.В изобретательской деятельности нет правильного или неправильного, нет невозможного. Нет линий, которые можно раскрасить. Нет коробки, в которой можно оставаться. Вы можете позволить своим ученикам быть как можно более инновационными, используя предоставленные вами материалы.
- Перечень материалов
- Необходимые материалы различаются в зависимости от того, какие материалы вы решите предоставить студентам (предложения включают: очистители для трубок, помпоны, скотч, клей, веревку, палочки для мороженого, пластиковые стаканчики, наклейки, маркеры, ленту, соломку, ракушки, строительную бумагу, дыроколы, или пластилин.)
- Валюта YE и облигации YE
- Темы уроков
- Изобретательское задание можно использовать в любое время в течение учебного года. Чем чаще, тем лучше, поскольку это дает возможность для инноваций, творчества и продвижения
- Чем раньше в этом году вы начнете заниматься такими видами деятельности, как «Изобретения», тем более комфортно вашим ученикам будет удобнее делиться своими идеями перед другими.
Дополнительные уроки
Мероприятия
Инновационная деятельность
Инновационная деятельность дает студенту возможность использовать существующий продукт и улучшить его.При выполнении этого задания важно напомнить учащимся, что инновации — это не просто создание новых продуктов, а улучшение существующих продуктов для удовлетворения новых потребностей, требований и т. Д.
- Перечень материалов
- Бумага для мясников / бумага для больших флипчартов
- Маркеры / цветные карандаши
- Образец изделия, выбранного для нововведения
- Темы уроков
- Инновационная деятельность наиболее эффективна после обсуждения инноваций и созидательного разрушения.
- Инновационная деятельность — это то, чем вы можете заниматься на протяжении всего курса, поскольку она поощряет творчество и решение проблем.
Дополнительные уроки
Мероприятия
Насладитесь ароматом
Мероприятие Jones Soda — это маркетинговое мероприятие, которое можно использовать для ознакомления студентов с комплексом маркетинга. Его также можно использовать, чтобы глубже погрузиться в маркетинг после внедрения Marketing Mix.Это упражнение можно использовать, чтобы показать несколько разных вещей и облегчить различные обсуждения в классе.
- Перечень материалов
- Уникальные ароматы блюд и напитков, позволяющие учащимся провести дегустацию.
- чашек Дикси (при необходимости) — по одной на студента на каждый аромат
- «Какой вкус?» рабочие листы
- Темы уроков
- Вы выполните этот урок только один раз.
- Во время проведения «Рыночного дня» или «Основы бизнес-модели» это упражнение можно использовать для обсуждения важности знания своего клиента и того, как побудить его купить ваш продукт.
- Этот урок можно использовать для обсуждения исследований и разработок во время инструктажа по маркетингу.
Дополнительные уроки
Мероприятия
Поиск по почтовому индексу
Поиск по почтовому индексу— это способ для учителей не только обсудить со студентами, что такое рыночный анализ, но и для студентов, чтобы самостоятельно провести краткий анализ рынка.
- Перечень материалов
- Рабочий лист поиска по почтовому индексу
- Поиск по почтовому индексу PowerPoint
- Компьютеры / ноутбуки / планшеты для доступа студентов в Интернет
- Темы уроков
- Этот урок нужно пройти в отделе маркетинга.
- Учитель также может обсудить и провести анализ рынка во время проекта «Базарный день».
- Анализ рынка должен проводиться при разработке бизнес-моделей с использованием Business Model Canvas.
Дополнительные уроки
Мероприятия
Гарбология
Гарбология — это занятие, которое даст студентам понимание наблюдательного исследования рынка. Он разработан, чтобы проверить предположения учащихся и дать им свежий взгляд на то, как охватить свою целевую аудиторию.
- Перечень материалов
- Рабочие листы профиля клиента
- Темы уроков
- Гарбология должна использоваться в отделе маркетинга
- Вы можете делать Гарбологию более одного раза, однако, если вы повторяете это, вам нужно использовать разные мешки для мусора.
Дополнительные уроки
Мероприятия
Tinker Toy Challenge
Сообщества призваны предоставлять ресурсы, соответствующие потребностям их членов.В Tinker Toy Challenge ваши ученики будут действовать так, как если бы они были членами совета по экономическому развитию сообщества. Их задача — создать функцию, удобства или бизнес-структуру, отвечающую потребностям их сообщества. Каждый совет получит специальную информацию о своем сообществе, а также бюджет. Это задание побудит ваших учеников использовать дизайн-мышление для достижения результата, соответствующего определенным критериям, в надежде на получение гранта.
- Перечень материалов
- 200 шт.Набор TinkerToys®
- копий: • Общих карточек (по 1 на группу) • Бюджетной книги (по 1 на группу) • Обязанностей (по 1 на группу с дополнительными помощниками по маркетингу и строителей) • Таблицы цен (1 на группу) • Руководства по подсчету баллов (1)
- Конверты для посевного финансирования (по 1 на группу)
- Темы уроков
- Этот урок можно использовать в любое время для обучения составлению бюджета и / или развития навыков дизайнерского мышления.
Дополнительные уроки
Мероприятия
Получите все необходимое с YE
Вы можете купить на Amazon практически все, что вам нужно для вашего класса YE — предметы с аукциона, принадлежности для занятий, закуски, подарочные карты и многое другое! Это быстро и просто.
Дополнительные уроки
Мероприятия
Lego COGS Activity
Упражнение «Стоимость проданных товаров» Lego дает учащимся возможность рассчитать стоимость проданных товаров для созданного ими прототипа.Это задание также позволяет учащимся понять, как эти затраты влияют на цену и потенциальную прибыль.
- Перечень материалов
- Лего или аналогичные строительные блоки
- Lego Таблица стоимости проданных товаров
- Темы уроков
- Как фасилитатор YE, это задание даст вам возможность увидеть, насколько хорошо ваши ученики справляются с математическими вычислениями.
- Эти знания также могут помочь вам решить, как продолжить работу с финансовым содержанием программы YE.
Дополнительные уроки
Мероприятия
Идущие бананы
Этот урок поможет вашим ученикам понять, как работают рынки, вовлекая их в деятельность, при которой цена продукта определяется покупателями и продавцами, добровольно торгующими и сотрудничающими друг с другом.
- Перечень материалов
- Студенческие карточки покупателя и продавца; 32 штуки
- Раздаточный материал «Как играть в Going Bananas»
- Раздаточный листок зачисления учащихся — по одному на учащегося
- Темы уроков
- Это задание поможет студентам понять, что Market Day — это небольшой рынок, и они узнают свою роль на этом конкретном рынке.
Дополнительные уроки
Мероприятия
Мороженое с фруктами
Упражнение «Мороженое с фруктами» позволяет вашим ученикам продолжать практиковаться в вычислении COGS и цены и прибыли. Эта деятельность будет опираться на этот фундамент за счет увеличения затрат на рабочую силу.
- Перечень материалов
- Мороженое — по одному на каждого ученика, который получит минимум одну порцию
- Шоколадный сироп — достаточно, чтобы каждый ученик получил минимум одну порцию
- вишен — достаточно, чтобы каждый ученик получил минимум одну порцию
- Темы уроков
- Вы можете выполнить упражнение «Мороженое с фруктами» в любое время во время курса для молодых предпринимателей.
- Студенты должны иметь базовое представление о затратах и единицах продаж, чтобы успешно выполнить это задание.
Дополнительные уроки
Мероприятия
YE Запросы на капитал (и ссуды на рыночный день)
Молодежные предприниматели могут предоставлять финансирование для поддержки своей миссии через программы или проекты, ориентированные на преподавателей, такие как: YE Activity Supplies и стимулы Полевые экскурсии / впечатления Ссуды на рыночный день Инновационные проекты Другой
- Темы уроков
- Форма запроса на получение капитала YE предназначена для преподавателей, которые ищут финансовые ресурсы для выполнения программы YE.
- В этом документе содержится обзор, график и часто задаваемые вопросы по запросу на капитал.
Дополнительные уроки
Мероприятия
Справка по предоплаченной карте
YE представляет новый способ для наших преподавателей покупать расходные материалы и управлять расходами, связанными с их учебной программой YE в партнерстве с PEX. Предоплаченная карта PEX будет использоваться в качестве замены бизнес-счета YE Amazon и возмещаемых из кармана расходов.Карты будут загружены средствами, как только вы создадите свою учетную запись PEX и активируете свою карту PEX. Эта новая программа предоставит нашим преподавателям гибкость и удобство в реализации учебной программы YE.
- Темы уроков
- Как только ваша карта доставлена, следуйте «Начните за 3 простых шага» из вкладыша, прилагаемого к вашей карте.
- Загрузите мобильное приложение PEX Card.
Дополнительные уроки
Мероприятия
Безопасность пищевых продуктов
Чтобы обеспечить успех Market Day, а также здоровье и безопасность клиентов Market Day, преподаватели Молодежных предпринимателей должны убедиться, что все учащиеся, занимающиеся бизнесом, связанным с продуктами питания, имеют представление о требованиях и передовых методах безопасности пищевых продуктов.
- Темы уроков
- YE подписывается на программу, которая позволяет студентам и преподавателям пройти обучение и сдать экзамен на получение сертификата обработчика пищевых продуктов. Сертификат
- обработчиков пищевых продуктов действителен в течение 3 лет.
Дополнительные уроки
Мероприятия
Служба поддержки PayPal
YE предпочитает распределять средства по ссудам в день рынка через PayPal.Если вам нужна помощь PayPal и практическая поддержка, вы можете начать здесь.
Дополнительные уроки
Мероприятия
Административные формы
Помогите отслеживать бюджет класса с помощью YE Classroom Funds Tracker, ежемесячные поощрения в классе с помощью YE Incentive Form Tracker и свои расходы на возмещение с помощью YE Reimbursement Form.
План уроков по детскому труду · Планы уроков для учителей средних и старших классов · Цифровое издание Джейн Аддамс
Рене ДеЛора и Майкл Романо, Колледж Рамапо.
Джейн Аддамс была сторонницей движения против детского труда. Чтобы узнать о реалиях детского труда и понять, насколько серьезной была борьба с ним, в этом уроке используются ресурсы из цифрового издания проекта документов Джейн Аддамс, что позволяет учащимся анализировать источники и делать выводы самостоятельно. В этом плане урока учащиеся будут использовать свой анализ назначенных им документов для создания плаката, который позже будет использован во время прогулки по галерее в классе. Возможные расширения урока включают групповые презентации или обсуждение в классе.На выполнение этого урока потребуется два периода.
Цель / центральное направление: понять роль реформаторов в изменении условий детского труда
Стандарты:
- NJSLS Социальные исследования: 6.1.12.A.6.b: Оценить эффективность прогрессивных реформ в предотвращении недобросовестной деловой практики и политической коррупции, а также в продвижении социальной справедливости.
- Социальные исследования NJSLS: 6.1.12.A.6.a: Оценить способы, которыми женщины организовывались для продвижения государственной политики (т. Е.д., отмена смертной казни, избирательное право женщин и движение за воздержание), призванные бороться с несправедливостью, неравенством, безопасностью на рабочем месте и безнравственностью.
- NJSLS Социальные исследования: 6.2.12.D.3.b: Объясните, как индустриализация и урбанизация повлияли на классовую структуру, семейную жизнь, повседневную жизнь мужчин, женщин и детей, а также на окружающую среду.
- NJSLS Социальные исследования: 6.1.12.D.5.b: Оцените, как события привели к созданию рабочих и сельскохозяйственных организаций, защищающих права рабочих.
- Технология NJCCCS: 8.1.5.A.1: Выбор и использование соответствующих цифровых инструментов и ресурсов для выполнения различных задач, включая решение проблем.
Задачи учащихся:
- Просматривая изображения детского труда и читая первоисточники, обсуждающие детский труд, учащиеся смогут определить по крайней мере три воздействия, которые детский труд оказал на детей и американские города.
- После анализа первоисточников учащиеся смогут создать плакат, чтобы продемонстрировать свой анализ на прогулке по галерее класса.
Ключевые слова:
- Детский труд
- Прогрессивная партия
- Национальный комитет по детскому труду
- Корпус
- Эксплуатация
- Избирательное право
Предыдущие академические знания:
Студенты должны будут знать историю США на пороге прогрессивной эры. Студенты должны будут иметь базовые знания о том, как создается или отстаивается политическая политика.Студенты должны иметь предыдущий опыт работы с первичными и вторичными источниками.
Заблуждения:
- Женщины прогрессивной эры не имели возможности высказать свои опасения по поводу американского общества.
- Женщины прогрессивной эры, возможно, не обладали всеобщим избирательным правом, но имели возможность голосовать на некоторых выборах на местном уровне и уровне штата по всей стране. Даже не имея права голоса, женщины той эпохи протестовали и маршировали по разным причинам.Женщины по всей стране создавали клубы и организации, чтобы объединить свой голос и сделать его услышанным в борьбе за многие социальные и политические реформы.
- Из-за давления на местные органы власти и власти штатов со стороны протестов и маршей, проводимых женскими клубами и организациями, женщины стали принимать участие в социальных и политических реформах.Социальная сила женщин является причиной того, что многие из них были членами комитетов и государственных организаций, которым было поручено проводить политику реформ, одной из которых были реформы детского труда.
Учебные материалы:
- iPad, Chromebook и т. Д. Для доступа к онлайн-ресурсам
- Бумага для плакатов
- Документы для анализа документов, назначения плакатов и прогулки по галерее (сделайте копии документов, если вы хотите внести какие-либо изменения)
- Инструменты для рисования и рисования
- PowerPoint, Prezi, Google Slides (для расширения презентации)
Процедуры:
- День 1 Процедуры:
- Что делать сейчас: Начните с того, что спросите класс, как бы изменилась их жизнь, если бы им пришлось работать, а не ходить в школу.Какой, по их мнению, была жизнь детей, вовлеченных в детский труд?
- Объясните классу, что детский труд был серьезной проблемой в Соединенных Штатах в прошлом веке. Детский труд был широко распространен в американском обществе, но фотограф по имени Льюис Хайн смог изменить общественное мнение и показать людям правду об условиях детского труда. Следующее видео из журнала TIME показывает многие фотографии детского труда, которые Хайн сделал на протяжении двух десятилетий.
- ВРЕМЯ Видео
- Предложение: Если в вашем округе есть доступ к EdPuzzle, подумайте о создании EdPuzzle для видео.
- Во время просмотра видео ученики должны подумать об условиях, возрасте и работе, на которой работают дети.
- Детский труд был социальной и экономической проблемой, и один из лучших способов узнать о ней — это прочитать отчеты из первых рук.
- Разделите класс на группы по четыре человека, назначив каждой группе один из следующих документов:
- Федеральное детское бюро
- Кто виноват в детском труде?
- Сценическая жизнь
- Детский труд и пауперизм
- Прогрессисты и детский труд
- Детский труд и другие опасности детства
- Студенты в своих группах должны анализировать документы, используя лист анализа документов.Учащиеся также должны оценить свой документ на предмет по крайней мере трех воздействий детского труда на детей, семьи или города.
- Студенты будут использовать свои аналитические листы во время следующего урока, чтобы создать плакат, который представляет ключевые идеи их документа. Затем плакаты будут использованы в прогулке по галерее.
- Завершение: Чтобы убедиться, что учащиеся продолжили выполнение задания, закройте урок, спросив их, каков главный аргумент их документа и считают ли они, что автор хорошо представил этот аргумент.
- Предложение: попросите учащихся отправить свои ответы в форме Google.
- День 1 Процедуры:
- День 2:
- Плакат должен содержать как минимум одну фотографию Льюиса Хайна с веб-сайта Библиотеки Конгресса.
- Тезис, в котором рассматривается ключевой вопрос «Оценить, как детский труд повлиял на детей и условия американских городов в эпоху прогрессивного развития».
- Три воздействия детского труда
- Их анализ документа
- Выдержка из назначенного им документа.
- Сделать сейчас: каждый документ, над которым работали ваши группы, написана Джейн Аддамс. Кто такая Джейн Аддамс и почему она так вовлечена в движение против детского труда?
- Студенты потратят второй день на создание своих плакатов.
- Просмотрите процедуры задания постера.
- Альтернатива: студенты могут создавать свои плакаты на веб-сайтах графического дизайна, таких как Canva или PosterMyWall.
- Close: Студенты должны создать один ключевой вопрос, на который они хотят, чтобы студенты ответили, просматривая свой плакат на следующий день во время прогулки по галерее.
- День 3:
- Сделать сейчас: дайте студентам время нанести последние штрихи на свои плакаты и развесить их в классе для прогулки по галерее.
- Студенты завершат прогулку по галерее и прилагаемый рабочий лист к каждому документу / плакату и ответят на ключевые вопросы.
- Завершение: чтобы завершить этот урок, проведите обсуждение в классе или попросите учащихся записать общие темы, которые они заметили в документах. Некоторыми общими темами могут быть роль женщин в движении против детского труда, виды работ, на которых работали дети, где они работали и т. Д.
Оценок:
- Просматривая изображения детского труда и читая первоисточники, обсуждающие детский труд, учащиеся смогут определить по крайней мере три воздействия, которые детский труд оказал на детей и американские города.
- Оценка: последний плакат будет отображать воздействие детского труда в дополнение к их аналитическому листу.
- Оценка: рабочий лист галереи
- Проанализировав первоисточники, ученики смогут создать плакат, чтобы продемонстрировать свой анализ во время прогулки по галерее класса.
- Оценка: последний плакат продемонстрирует способность учащихся анализировать назначенные им первичные источники.
Предлагаемые расширения:
Чтобы расширить этот урок, документы и ключевой вопрос можно использовать для написания эссе на основе документов. Кроме того, учащиеся могут сделать презентацию на своем плакате, превратив его в презентацию PowerPoint или Google Slide, что позволит использовать в уроке больше технологий и навыков публичных выступлений.
• Белая и цветная плотная бумага, мелки, волшебные маркеры, ножницы, клей, листы пенополистирола различных размеров толщиной в один дюйм, зубочистки и палочки для мороженого | 1.Попросите учащихся спокойно рассмотреть каждое изображение в течение нескольких секунд. Затем поместите изображения рядом друг с другом и попросите учащихся сравнить то, что они видят: Вам также следует сравнить элементы искусства, используемые в каждом произведении искусства (формы, линии, цвет, пространство). 2. Объясните учащимся, что художники могут создавать ощущение пространства в картинках, создавая передний план, средний план и задний план.Укажите на эти три области на каждом из изображений. Спросите студентов, что люди в трех разных помещениях делают вместе. Подкрепите идею о том, что все работы иллюстрируют идею совместной работы. Например, в Урок рисования есть предметы, лежащие на полу на переднем плане, такие как гитара, корзина, картина, сундук и т. Д .; на среднем плане женщина сидит на стуле, а мужчина что-то пишет на листе бумаги; а на заднем плане, за висящим гобеленом, вы видите другую комнату, где на стене висят мольберт и скрипка.Художник поместил двух людей близко друг к другу в середине, чтобы показать, что они работают вместе. Их головы близко друг к другу, а глаза сосредоточены на одном листе бумаги. 3. После того, как произведения искусства были обсуждены в визуальном плане, предоставьте некоторую историческую информацию. Подкрепите идею о том, что все работы иллюстрируют идею совместной работы. 4. Скажите студентам, что они будут использовать бумагу, пенопласт и палочки для мороженого для создания трехмерной сцены, которая выражает концепцию «совместной работы».»Их сцена должна включать передний план, средний план и задний план. Продемонстрируйте, вырезав изображение дерева, животного, фигуры или стула из листа бумаги, прикрепив его к палочке для мороженого или зубочистке и нажав на него. в пенополистирол, чтобы он встал. Студенты также могут вырезать изображения из журналов. 5. Разделите студентов на небольшие рабочие группы и попросите их выбрать предмет для своей сцены, обдумывая следующий вопрос: над какими проектами вам нравится работать с семьей или друзьями? (работа в саду, подготовка к прогулке, мытье машины и т. д.) После того, как ученики обсудят возможные совместные темы, помогите группам решить, какую тему представить в их художественном проекте. 6. Прежде чем учащиеся создают свои сцены в группе, помогите им достичь следующих целей: 7.Пока студенты работают над своими сценами, вы можете предложить способы разделения труда. Каждый человек в каждой группе должен добавить в сцену фигурку или другой образ. Например, каждый ученик может составить одну фигуру и одну часть окружающей среды. 8. Разместите готовые групповые сцены в классе. Попросите каждую группу рассказать классу, чему посвящена их сцена, и описать элементы, которые находятся на переднем, среднем и заднем плане. |
| Common Core Standards for English Language Arts Grades K – 2 ГОВОРИТЬ И СЛУШАТЬ Стандарты содержания изобразительных искусств для государственных школ Калифорнии Детский сад Creative Expression Исторический и культурный контекст Эстетическая оценка Класс 1 Эстетическая оценка Оценка 2 Creative Expression Эстетическая оценка Национальные стандарты образования в области изобразительного искусства Классы K – 4 Использование знания структур и функций Студенты используют визуальные структуры и функции искусства для передачи идей. Выбор и оценка диапазона предметов, символов и идей |
План урока: День труда и профсоюзы сегодня | План урока
Вернуться к архиву планов уроков 7 сентября 2020 г.План урока: День труда и профсоюзы сегодня
Сторонники Калифорнийского бойкота винограда проводят демонстрацию в Торонто, Онтарио, декабрь 1968 года.Джессика Говеа в пончо в центре в первом ряду. Забастовка виноградарей Делано была организована Организационным комитетом сельскохозяйственных рабочих и Объединением сельскохозяйственных рабочих против виноградарей в Калифорнии. Забастовка началась 8 сентября 1965 года и длилась более пяти лет. Фотография из «Объединенной коллекции сельскохозяйственных рабочих, библиотека Уолтера П. Ройтера, Государственный университет Уэйна,
»Создано Тиной Ялен и Майклом Магатаном
Перепрофилировано Кэти Гулд
СубъектЭкономика, правительство, обществоведение
Расчетное времяДва занятия по 45 минут или один блок по 90 минут
* 1.Вы захотите вкратце объяснить учащимся предстоящую имитацию основной деятельности и раздайте им листы «Заявки» (см. Раздаточный материал в правом верхнем углу страницы) за два дня до проведения симуляции. Это даст вам и ученикам время выбрать, какие роли они будут играть в симуляции.
* 2. Разделите класс на две команды: труд и менеджмент и объявите, кто и какую роль будет играть в каждой команде. Вы можете разделить учащихся с помощью своей системы управления обучением для целей онлайн-обучения.Раздайте, отправьте по электронной почте или загрузите обе стороны листов «Требования» студентам в ночь перед симуляцией. В качестве домашнего задания предложите им выбрать 6 самых важных требований для своей команды и быть готовыми поделиться своим выбором со своей группой через LMS, документ Google или электронную почту.
РазминкаСправочная информация о Дне профсоюзов и труда
1. Спросите учащихся, что они знают о профсоюзах, и напишите свои ответы на доске или через LMS. Многие могут ничего не знать о союзах, поэтому вам может потребоваться побудить их подумать о любых связанных с профсоюзом исторических событиях, о которых они могли узнать.
Дайте учащимся это определение : организованная ассоциация рабочих, созданная для защиты и отстаивания их прав и интересов; профсоюз.
2. Посмотрите короткие видеоклипы, в которых кратко рассказывается о профсоюзах и празднике Дня труда:
3. Раздайте, отправьте по электронной почте или загрузите раздаточный материал для учащихся «Профсоюзы играют удивительную роль в вашей повседневной жизни». Предложите ученикам вместе прочитать и посмотреть видео, в котором приведены примеры того, как профсоюз играет роль в некоторых повседневных вопросах.
4. Прочтите интервью с Дойлом Прайором, помощником главного юрисконсульта Ассоциации бейсболистов Высшей лиги (MLBPA) с 1992 по 2012 год, и узнайте больше о роли профсоюза в профессиональном спорте.
Основная деятельность«Переговоры»: симуляция труда / управления
Целей:
- , чтобы познакомить студентов с динамикой трудового / управленческого спора, включающего данный набор вопросов
- , чтобы привить реальность осознание того, что разрешение конфликта часто зависит от искусства компромисса и принятия необходимости в нем
- , чтобы увидеть разницу между посредничеством и арбитражем
- для повышения квалификации в следующей области:
Навыки:
- анализ информации
- творческое решение проблем
- принятие решений
- логическое мышление
- коммуникативные навыки и публичные выступления
- навыки аудирования
- командная работа и лидерские качества
Базовый процесс моделирования
- Сценарий «Переговоры» (сценарий и требования см. В материалах) будет предоставлен всем студентам не менее чем за два дня до даты начала, а также заявки (см. Материалы для заявок) на роль переговорщика или руководителя группы.
- Каждый класс будет разделен на две равные по размеру «команды»: рабочую команду и команду менеджеров.
- В каждой команде будет свой руководитель и несколько команд переговорщиков.
- Учитель будет выступать в роли посредника / арбитра.
- Каждой команде будет дан список из 12 «требований», которые ее сторона будет пытаться выполнить, и каждой команде будет предложено выбрать 6 своих главных приоритетов и усердно работать над их достижением в любом согласованном контракте. (сценарий и требования см. в материалах)
- Будет несколько раундов переговоров.Между раундами команды собираются в кучу, пересматривают и готовятся к следующему раунду.
- При необходимости будет проведен заключительный раунд переговоров — с «звездной» командой переговорщиков, назначенных руководителем группы по рекомендации его / ее команды.
- Если обе команды согласны, любые нерешенные вопросы будут решены арбитром (учителем), который объявит окончательные решения в день занятия.
- Конечная точка / цель «переговоров» — достичь «контракта» между рабочими и менеджментом, который включает в себя высший приоритет каждой стороны, при этом каждая из сторон не чувствует себя потерянной.Короче говоря, цель — это результат «беспроигрышный», а не «беспроигрышный» результат.
- После окончательных переговоров начнется процесс подведения итогов. Сначала каждый студент письменно проанализирует процесс; за этим последует обсуждение в классе лично или с использованием LMS класса.
Предлагаемая временная последовательность
День первый:
- Краткие вступительные замечания (Учитель)
- 15 минут: Открытие встреч группы Цели: достижение консенсуса по 6 приоритетным требованиям, обсуждение возможных ответов на требования оппозиции, руководитель группы — подготовка вступительного заявления, участники переговоров — подготовка к первому раунду
- 5 минут: Оба руководителя групп выступают с вводными презентациями (по 2 минуты каждая)
- 10 минут: переговоры 1 раунда, по 5 минут для каждой стороны, чтобы сосредоточиться на двух своих высших приоритетах; Посредник подводит итоги (Учитель)
- 10 минут: собрание команды для планирования раунда 2
День второй:
- Краткие вступительные замечания (Учитель)
- 10 минут: Раунд 2 — те же правила, что и Раунд 1; второй набор переговорщиков; обратная последовательность команд
- 5 минут: Встреча команды для планирования раунда 3
- 10 минут: Раунд 3 — те же правила, что и Раунд 1 и 2; третий набор переговорщиков; обратная последовательность команд
- 5 минут: Встреча команды для планирования финального раунда; Переговорщики с Матчем звезд, выбранные руководителями групп с помощью / советом команд
- 10 минут: Финальный раунд — те же правила, что и в раундах 1, 2, 3; Участники переговоров с Матчем звезд; обратная последовательность команд
- Закрытие: Предложение об арбитраже; отчетный лист
Особая благодарность Дойлу Прайору за его вклад в этот план урока.



По чертежу выполняют разметку,

Она имеет круглую или квадратную форму.
Эту работу можно выполнить и вручную, но она займет гораздо больше времени.



В данном случае, выбрано круглое сиденье диаметром 350 мм. Для удобства сложения табурета, в верхней части сиденья следует сделать криволинейное отверстие, размером длинной примерно в 120 мм, а шириной в 20÷25 мм, чтобы за него было удобно браться рукой. Его можно вырезать с помощью фрезера или же просверлить на расстоянии друг от друга в 120 мм два отверстия диаметром 20÷25 мм, а затем соединить их, выпилив древесину, находящуюся между ними с помощью лобзика, выполнив два реза.
В двух из них, которые будут формировать внешнюю раму, нужно вырезать паз длиной в 180 мм и шириной в 8 мм, а глубиной в 42 мм, по которому будет ходить шпилька. Иногда пазы делаются сквозными – именно для этого случая выбирается шпилька с резьбой на концах, на которые накручивается специальная гайка-заглушка.
Угол должен быть выпилен идеально точно, поэтому нельзя делать эту работу «на глаз».
В ней используется не одна, а две шпильки, а вместо внутренней рамы закрепляется цельная доска, и она служит не менее надежной ножкой для табурета. Вторая, внешняя рама имеет перемычку в самой нижней своей части, на таком уровне, чтобы при сложении конструкции, доска-ножка аккуратно входила в нее, создавая одну панель.



Этот процесс – сравнительно несложный, и будет доступен даже новичку.


Пожалуйста, используйте цифровое изображение вместо того, чтобы запрашивать оригинал. Все изображения могут быть
в большом размере, когда вы находитесь в любом читальном зале Библиотеки Конгресса. В некоторых
случаях доступны только эскизы (маленькие) изображения, когда вы находитесь за пределами библиотеки
Конгресс, потому что права на товар ограничены или права на него не оценивались
ограничения.
)
Справочный персонал может
посоветуют вам как заполнить квитанцию о звонках, так и когда товар может быть подан.

На самом деле это просто зависит от того, чем вы хотите заниматься, и от количества свободного времени.
